Добавить в корзинуПозвонить
Найти в Дзене
Магазин Крепость

Как самостоятельно подобрать замок на замену старому?

Со временем у всех возникает ситуация, когда по какой-либо причине необходимо поменять замок. Потеряли ключи, начал заедать старый, появилось желание установить что-то получше... Самый простой и быстрый способ найти именно то, что нужно - обратиться к специалистам. Лучше всего, если это будет специализированный магазин, который готов дать бесплатную консультацию по всем вопросам (как магазин "Крепость"). Или можно обратиться к мастеру, готовому приехать к Вам и сделать все самостоятельно, даже когда что-то в двери заклинило и открыть ее невозможно. Очень часто специалисту для определения замка достаточно просто посмотреть на его фото в двери. В век интернета отослать фотографии для подбора в каком-нибудь мессенджере не составит труда. Но что делать, если замок не поврежден и хочется сделать всё самостоятельно? Что ж, давайте попробуем! Чтобы подобрать замок самостоятельно, необходимо долго и упорно обыскивать интернет. Будет хорошо, если у Вас уже есть какие-то знания по замкам. Напри

Со временем у всех возникает ситуация, когда по какой-либо причине необходимо поменять замок. Потеряли ключи, начал заедать старый, появилось желание установить что-то получше... Самый простой и быстрый способ найти именно то, что нужно - обратиться к специалистам. Лучше всего, если это будет специализированный магазин, который готов дать бесплатную консультацию по всем вопросам (как магазин "Крепость"). Или можно обратиться к мастеру, готовому приехать к Вам и сделать все самостоятельно, даже когда что-то в двери заклинило и открыть ее невозможно. Очень часто специалисту для определения замка достаточно просто посмотреть на его фото в двери. В век интернета отослать фотографии для подбора в каком-нибудь мессенджере не составит труда.

Но что делать, если замок не поврежден и хочется сделать всё самостоятельно? Что ж, давайте попробуем!

Чтобы подобрать замок самостоятельно, необходимо долго и упорно обыскивать интернет. Будет хорошо, если у Вас уже есть какие-то знания по замкам. Например, Вы знаете чем отличается цилиндровый замок от сувальдного. Вам может повезти, и замок окажется один из самых популярных, который найдется на 1-2 странице какого-нибудь сайта. Но может случиться и так, что процесс затянется на долгие часы. Как этого избежать, и максимально упростить себе работу?

В первую очередь, можно поискать опознавательные знаки на самом замке. Как правило, какие-либо номера или непонятные наборы символов не смогут дать какой-либо информации нигде, кроме самого завода (это может быть, к примеру, номер партии замка, который нам ни к чему). На замках никогда не указывается их модель. Максимум что Вы можете подчерпнуть для себя - это его название. Если Вы знаете название замка - это уже значительно сузит круг поисков.

Что делать в том случае, если названия нет, или оно не помогает?

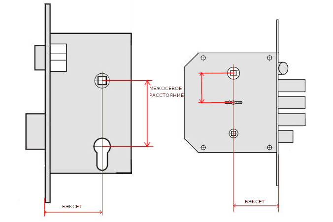
Здесь на помощь приходят основные характеристики, которые есть у любого замка. Бэксет (дормас) - это расстояние от середины ключевого отверстия до торцевой планки замка. Если у Вас замок под ручку, то это еще и межосевое расстояние - расстояние от середины отверстия под ручку, до середины ключевого отверстия.

-2

Если Вы зайдете на хороший сайт с замками, где их можно отфильтровать по этим двум параметрам, то Вы сможете существенно сузить круг поисков. Сравните отсортированные замки с Вашим, совпадают ли штыри, ключевина, крепежные отверстия. После того, как получится найти что-то похожее, можно на всякий случай сравнить остальные доступные параметры по схеме замка, если она имеется.

Бэксет и межосевое расстояние - самый быстрый способ найти что-то в незнакомом мире замков. Иногда получается найти несколько аналогичных замков, имеющих одинаковые размеры и посадочные места. Но это случается крайне редко. 95% запирающих устройств не имеют полных аналогов. Многие замки со временем выходят из производства. И бывают такие ситуации, что нужного замка больше не существует. Тогда остается только один вариант - изменять посадочные места в двери под новый замок. Если Вы в этом не разбираетесь, и нет знакомых, которые могли бы взяться за работу, то Вам смогут помочь мастера по замкам. Ну или можно поменять дверь (для кого-то это проще и желаннее).

Если Вам когда-нибудь понадобится помощь в подборе замка, можете обратиться в магазин "Крепость". Мы Вам с радостью поможем!