Найти в Дзене
УЧИМСЯ САМИ

ВЧ-генератор. Часть 5 - конструкция блока генераторов

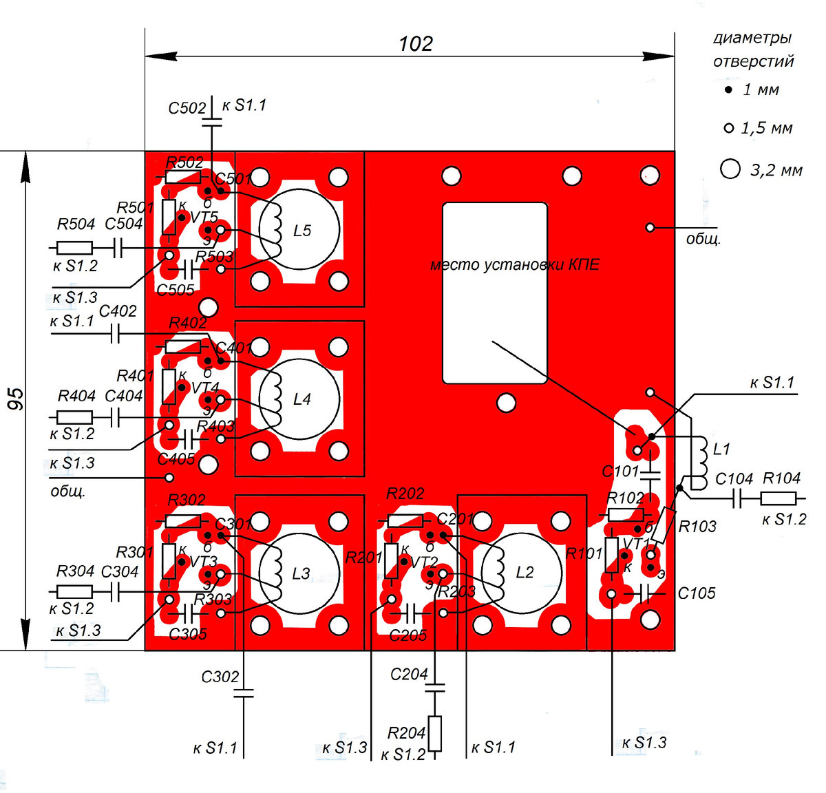
Теперь уже статья укомплектована всеми необходимыми графическими материалами. Автор уже имел возможность убедиться, что размещение всех деталей ВЧ-генераторов на одной плате - транзистора, КПЕ, катушек - улучшает стабильность частоты. Поэтому так оно и сделано. Кроме самого низкочастотного первого генератора - там даже несколько увеличенный процент нестабильности будет невелик по абсолютной величине. Так что его катушку L1 пристроим на любое свободное место поблизости. По экономическим соображениям - и стеклотекстолит достаточно дорог, и травление больших плат может вызвать затруднения. Остальные катушки привинчиваются четырьмя винтами каждая (не экономьте, нам нужна максимальная жесткость конструкции). При этом мы не будем нарезать резьбу в плате, а используем гайки. Контакт между тонкой фольгой и одним витком резьбы будет ненадежным, приводя к скачкам частоты. А вот гайка прижмется к контактной площадке как следует. Проверьте расположение крепежных резьбовых отверстий на блоке КПЕ. Н

Теперь уже статья укомплектована всеми необходимыми графическими материалами.

Автор уже имел возможность убедиться, что размещение всех деталей ВЧ-генераторов на одной плате - транзистора, КПЕ, катушек - улучшает стабильность частоты. Поэтому так оно и сделано. Кроме самого низкочастотного первого генератора - там даже несколько увеличенный процент нестабильности будет невелик по абсолютной величине. Так что его катушку L1 пристроим на любое свободное место поблизости. По экономическим соображениям - и стеклотекстолит достаточно дорог, и травление больших плат может вызвать затруднения.

Остальные катушки привинчиваются четырьмя винтами каждая (не экономьте, нам нужна максимальная жесткость конструкции). При этом мы не будем нарезать резьбу в плате, а используем гайки. Контакт между тонкой фольгой и одним витком резьбы будет ненадежным, приводя к скачкам частоты. А вот гайка прижмется к контактной площадке как следует.

Проверьте расположение крепежных резьбовых отверстий на блоке КПЕ. Над платой должен располагаться не только его корпус, но и выходящие из него в положении минимальной емкости роторные пластины - хоть какая-то защита от повреждений. Блоки воздушных КПЕ имеют точки припайки секций также и снизу, поэтому в плате есть большой вырез под вырез в корпусе КПЕ. Туда под платой проходит проволочка от деталей генератора первого диапазона к секции С1а. Учтите, что у разных экземпляров пластины могут выходить в разные стороны от ручки. Если из нижней поверхности блока КПЕ торчат какие-то выступы, не дающие его ровно установить на плату - просверлите под них отверстия. Словом, здесь вам придется доработать чертеж под конкретный имеющийся у вас блок и только потом уже заняться изготовлением платы.

Как автор уже говорил, монтаж высокостабильных генераторов следует вести не гибкими многожильными проводами, а одиночными толстыми проволоками диаметром 0,7 - 1,2 мм. Не забудьте соединить такими проволоками выводы начала обмоток с платой. А также секцию КПЕ 1-го диапазона. Также из этой проволоки хорошо бы изготовить петельки и припаять их к площадкам платы с выводами эмиттеров. Тогда вы сможете перепаивать резисторы даже без доступа к нижней стороне платы. Для удобства доступа паяльником слегка отогните транзистор в сторонку. Той же проволокой вы будете соединять генераторы с переключателем диапазонов, когда сделаете шасси и смонтируете на него основные части аппарата. Конденсаторы С303 - С503 паяйте непосредственно на выводы катушки. Конденсаторы С201 - С501 ставьте вертикально - одним концом к плате, другим - к выводу катушки. Выходные конденсаторы и резисторы генераторов протягивайте напрямую к контактам переключателя диапазонов. Для примера здесь показан монтаж генератора 5-го диапазона.

-2

Для удобства еще раз повторю фото частично смонтированной платы генераторов.

-3

Начните с самого высокочастотного 5-го диапазона и ведите проводку кратчайшим путем. Потом переходите на более низкочастотные диапазоны - им лишние изгибы уже не так страшны.

Но этим, увы, мы сможем заняться только позднее. Сейчас мы не имеем к тому возможностей. И нет смысла делать то, что все равно придется переделывать и перенастраивать. План такой:

1. Сборка платы генераторов.

2. Сборка функциональной платы. На ней будет модулятор, генератор НЧ - "пищалка" 1000 Гц, схема измерения выходного напряжения.

3. Имея все самые громоздкие узлы: платы, переключатель диапазонов, измерительную головку, гнезда и прочее, вы располагаете платы на основании шасси. Это все удобнее делать на листе бумаги в клетку. Потом на таком же листе проектируете лицевую панель прибора - располагаете на ней шкалу генератора, как можно большего диаметра, а также остальные органы управления и гнезда. Убедитесь, что уходящие внутрь части не мешают друг другу.

4. После этого изготавливаем шасси, монтируем на нем все части, выполняем проводку к переключателю диапазонов и остальным приборам на лицевой панели.

5. И только потом мы сможем заняться настройкой прибора - подбором резисторов и укладкой диапазонов.

Настройка платы. Впрочем, те, кто имеет осциллограф, да еще откалиброванный по частоте, могут выполнить некоторые настройки уже сейчас. Установите для начала указанные на схеме емкости. Подключите КПЕ к нужному генератору. Вы не забыли: на всех диапазонах работает одна секция, а на первом - обе? Подключите вместо постоянных эмиттерных резисторов переменные сопротивлением 3,3 - 10 кОм для первых трех диапазонов и 0,47 - 1 кОм для 4 и 5. Подавая на соответствующий генератор питание около 8 вольт, наблюдайте его выходное напряжение. Сначала полностью выведите резистор, а потом начинайте прибавлять его сопротивление до исчезновения заметных искажений. Убедитесь, что если вы еще немного прибавите сопротивления, то генерация не сорвется. Особенно это важно для первых двух диапазонах, где максимальная и минимальная частоты, а также соотношения между емкостью и индуктивностью меняются многократно. Убедитесь, что генерация не срывается на обоих краях диапазона. Лучше немного занизить сопротивление и иметь колебания не очень хорошей формы, чем вообще никаких.

Второй этап настройки платы - укладка диапазонов. Второй диапазон никак не перестраивается. Но если его частоты вас категорически не устраивают, то надо будет отмотать или домотать витки L2. Остальные диапазоны пристраиваются к нему сверху или снизу с небольшим перекрытием. Первый диапазон подстраивается ферритовым подстроечником, а 3 - 5 - подбором конденсаторов.

Итак, (на примере генератора 3-го диапазона) увеличение емкости С303 снижает частоту, особенно верхней границы диапазона и уменьшает перекрытие по частоте. Увеличение емкости С302 снижает частоту, особенно нижней границы диапазона и увеличивает перекрытие по частоте.

Тем же, кто не имеет хорошего промышленного осциллографа, разумнее просто дождаться окончания монтажа, особенно индикатора выходного напряжения. Тогда прибор будет вам помогать настроить самого себя. Впрочем, со временем, мы, возможно, займемся тем, чтобы и простеньким осциллографом обзавестись.