Добавить в корзинуПозвонить
Найти в Дзене
Инженер ПГС

Строительство загородного дома. Часть 2: устройство армированного пояса

Готовый проектный материал для Заказчика выглядит следующим образом: Фактическое выполнение проектных решений Заказчиком: Уважаемая аудитория Заказчиков! Данная история еще не закончена, она продолжается... У вас есть вопросы по проектированию – задавайте их прямо в комментариях! С уважением, руководитель проектов, Виталий Дельдекин!

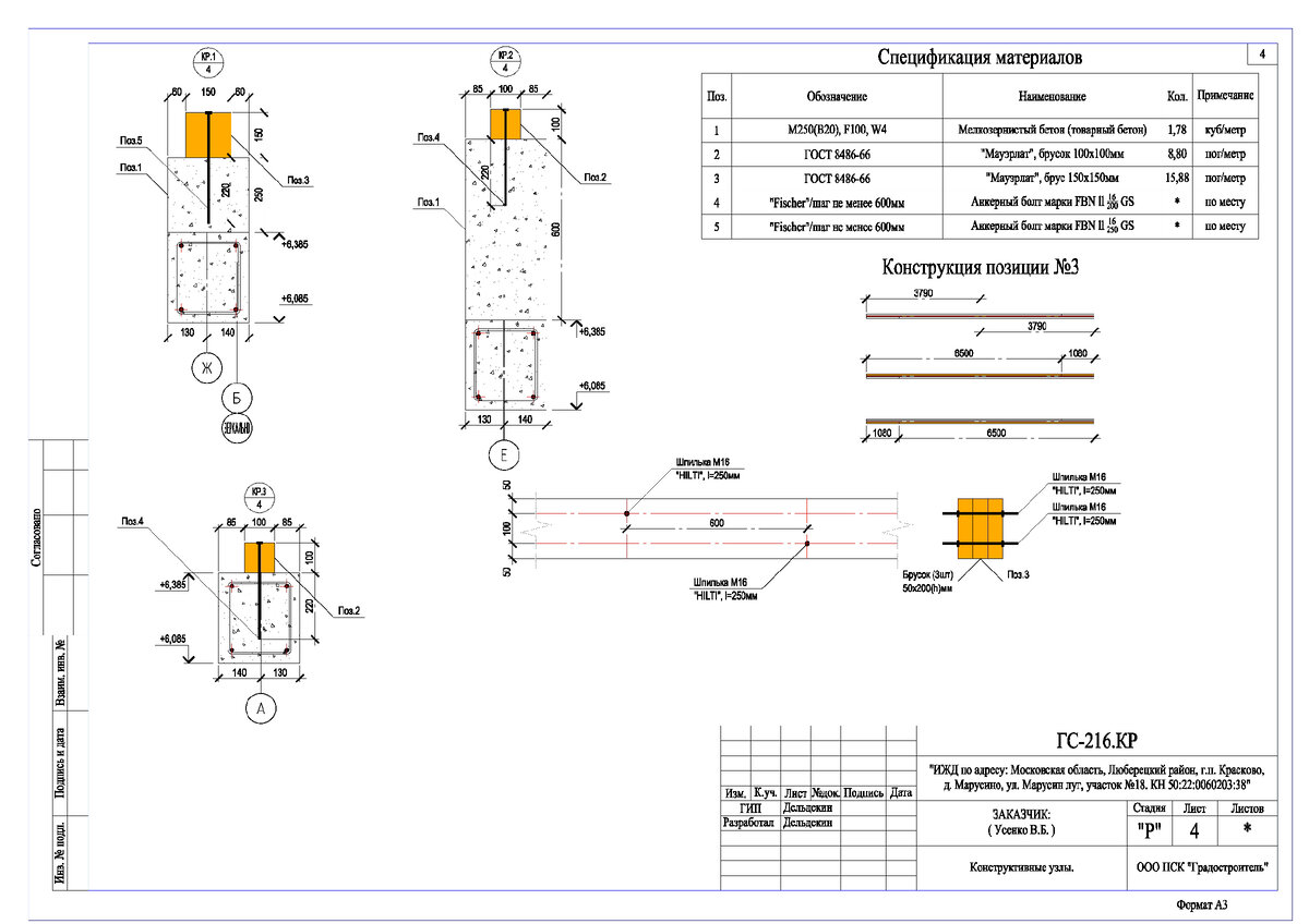
Готовый проектный материал для Заказчика выглядит следующим образом:

Фактическое выполнение проектных решений Заказчиком:

Уважаемая аудитория Заказчиков!

Данная история еще не закончена, она продолжается...

У вас есть вопросы по проектированию – задавайте их прямо в комментариях!

С уважением, руководитель проектов, Виталий Дельдекин!