Найти в Дзене
Старый радио любитель

Для начинающих. Простой УНЧ на TDA2030 с Али.

Мне кажется, что этот набор с Али очень прост, а УНЧ, который можно собрать, из него будет иметь много применений, в том числе в приемнике или трансивере с питанием от сети. Основой этого УНЧ является интегральный моно аудио усилитель TDA2030. Качественные показатели усилителя очень неплохи: так как он работает в классе АВ, то коэффициент нелинейных искажений при выходной мощности 0,1 - 10 Вт не превышают 0,5%, полоса воспроизводимых частот - до 150 кГц, максимальная мощность - до 20 Вт (с радиатором). А без радиатора - вполне можно снять 1-2 Вт, что для связного приемника вполне достаточно. Эта микросхема не подходит для конструкций, питающихся от батарей, так без сигнала кушает 30-50 мА - это плата за режим АВ. На Али можно купить несколько видов наборов с этой микросхемой - как с выводными деталями, так и с SMD, всего за 100 - 150 руб. Вот мой набор: В наборе есть все, что нужно, вплоть до теплопроводящей прокладки и изолирующей проходной шайбы с винтом. А вот радиатор не предусмотр

Мне кажется, что этот набор с Али очень прост, а УНЧ, который можно собрать, из него будет иметь много применений, в том числе в приемнике или трансивере с питанием от сети.

Основой этого УНЧ является интегральный моно аудио усилитель TDA2030. Качественные показатели усилителя очень неплохи: так как он работает в классе АВ, то коэффициент нелинейных искажений при выходной мощности 0,1 - 10 Вт не превышают 0,5%, полоса воспроизводимых частот - до 150 кГц, максимальная мощность - до 20 Вт (с радиатором). А без радиатора - вполне можно снять 1-2 Вт, что для связного приемника вполне достаточно. Эта микросхема не подходит для конструкций, питающихся от батарей, так без сигнала кушает 30-50 мА - это плата за режим АВ.

На Али можно купить несколько видов наборов с этой микросхемой - как с выводными деталями, так и с SMD, всего за 100 - 150 руб. Вот мой набор:

Рис. 1.
Рис. 1.

В наборе есть все, что нужно, вплоть до теплопроводящей прокладки и изолирующей проходной шайбы с винтом. А вот радиатор не предусмотрен :).

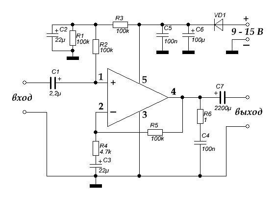
Схема усилителя проста:

Рис. 2.
Рис. 2.

Микросхема предназначена для работы с двуполярным питанием, но в данной схеме питается от однополярного, а поэтому на неинвертирующий вход (вывод 1) через R2 подается напряжение, равное 1/2 Uпит с виртуальной средней точки, образованной делителем R1,R3. Входной сигнал подается на этот же вывод через С1. Усилитель охвачен ООС по постоянному току (R5) и переменному току (R5,R4,С3). Коэффициент усиления по переменному току примерно равен отношению сопротивления резисторов R5 и R4. В данном случае он около 20, хотя уменьшив R4 до 1 кОм, можно увеличить его до 100. Можно получить усиление и больше, но тогда усилитель будет предрасположен к самовозбуждению. Для сужения усиливаемой полосы частот можно зашунтировать R5 конденсатором 330 - 1000 пФ, что обеспечит завал на высоких частотах и снизит высокочастотные шумы. И еще, мне очень нравиться наличие диода VD1, который защищает микросхему от переполюсовки питания - для начинающих это очень важно.

Ну а теперь - паяльник в руки, и за дело.

Рис. 3.
Рис. 3.

У меня на сборку ушло 20 минут. Все очень удобно: на плате все детали подписаны, резисторы 100 кОм, 4,4 кОм и 1 Ом имеют не только разную маркировку. но и разные размеры, так что даже не требуется смотреть на цвет колечек. Нужно только предварительно залудить короткие выводы контактной гребенки с применением нейтрального флюса типа Ф-38Н. С канифолью они заслуживаются с большим трудом. Еще нужно учитывать, что отрицательный вывод C1 лучше соединить с общим проводом с помощью резистора 10 - 100 кОм, или подключить его к движку регулятора громкости такого же сопротивления. Еще лучше, чтобы не заморачиваться всем этим, просто заменить электролитический конденсатор С1 на керамический.

Теперь можно подключить генератор, осциллограф, сопротивление нагрузки, а уж потом и питание.

Рис. 4.
Рис. 4.

В качестве нагрузки я взял два параллельно включенных двухваттных резистора по 13 Ом (общее сопротивление 6,5 Ом), параллельно входу включил резистор 100 Ом, а последовательно с ним резистор 1 кОм (получился делитель примерно 1:10). Запитал от аккумуляторов общим напряжением 8 В. На вход подавал синусоидальный сигнал и меандр от цифрового генератора. К выходу генератора и параллельно нагрузке включил каналы осциллографа.

Рис. 5. Частота 100 Гц.
Рис. 5. Частота 100 Гц.

Форма отличная, а вот усиление получилось меньше, чем расчетное, вместо 20 только 11. (учитываем входной делитель!).

Рис. 6. Частота 100 Гц
Рис. 6. Частота 100 Гц

А вот форма меандра искажается, и такие искажения говорят о завале низких частот. Видимо, конденсатор С3 нужно увеличить до 100 мкФ.

Рис. 7. Частота 1 кГц.
Рис. 7. Частота 1 кГц.

На частоте 1 кГц искажений синуса не заметно.

Рис. 8. Частота 1 кГц.
Рис. 8. Частота 1 кГц.

А вот искажения прямоугольного сигнала стало заметно меньше. Значит точно, на низких был завал.

Увеличиваю частоту до 150 кГц.

Рис. 9. Частота 150 кГц.
Рис. 9. Частота 150 кГц.

Даже на такой частоте искажений не заметно, но усиление упало примерно до 7.

Рис. 10. Частота 150 кГц.
Рис. 10. Частота 150 кГц.

А вот меандр превратился в что-то напоминающее пилу. Значит близка граница частотного диапазона.

Посмотрел я и как ограничивается сигнал.

Рис. 11.
Рис. 11.

Ограничение происходило при увеличении размаха сигнала на выходе более 3,6 В, и ограничение - симметричное, что указывает на правильный режим работы выходных транзисторов.

Теперь о тепловом режиме: при выходной мощности 0,5 Вт температура микросхемы была около 45 - 50 град. С. Да, для 1,5 - 2 Вт нужно микросхему привернуть к небольшой пластине алюминия, а лучше зажать ее между двумя пластинами, смазав поверхности теплопроводящей пастой.

Но главным конструктивным недостатком этого блока является отсутствие отверстий для крепления на плате. Видимо, дядюшка Ху пожадничал :). Но несмотря на это спасибо ему за отличную конструкцию.

Да, ведь такой же размер корпуса имеет наша 174УН14. Я на ней неоднократно собирал усилители, но получалось как-то криво.

Всем успехов и здоровья!