Добавить в корзинуПозвонить
Найти в Дзене
Старый радио любитель

Очень простой приемник прямого преобразования на SA612 и LM386 от www.qrpkits.com.

Познакомился в сети с набором для сборки очень простого в сборке приемника прямого усиления. В приемнике отсутствуют катушки, которые нужно наматывать, да и налаживать его тоже не нужно. Принимаемый диапазон частот 7,0 - 7,075 МГц, т.е. телеграфный участок полностью и начало SSB. Попадает в диапазон и частота FT8, толь вот принять работающие там станции едва ли удастся, так как будут помехи от - SSB-станций. Сигнал от антенны через полосовой фильтр поступает на вход активного смесителя, входящего в состав микросхемы DA1 SA612. На этой же микросхеме собран и гетеродин. Перестройка гетеродина - с помощью варикапа, в роли которого используется диод 1N5401. Так как смеситель в микросхеме активный, его усиление порядка 10. С выхода смесителя сигнал поступает на регулятор громкости, а оттуда, через простейший ФНЧ R8С16 на вход интегрального УНЧ на микросхеме LM386. Коэффициент усиления УНЧ около 150, вместе с усилением смесителя это составит около 1500. Чтобы получить на сопротивлении 32 О

Познакомился в сети с набором для сборки очень простого в сборке приемника прямого усиления.

В приемнике отсутствуют катушки, которые нужно наматывать, да и налаживать его тоже не нужно. Принимаемый диапазон частот 7,0 - 7,075 МГц, т.е. телеграфный участок полностью и начало SSB. Попадает в диапазон и частота FT8, толь вот принять работающие там станции едва ли удастся, так как будут помехи от - SSB-станций.

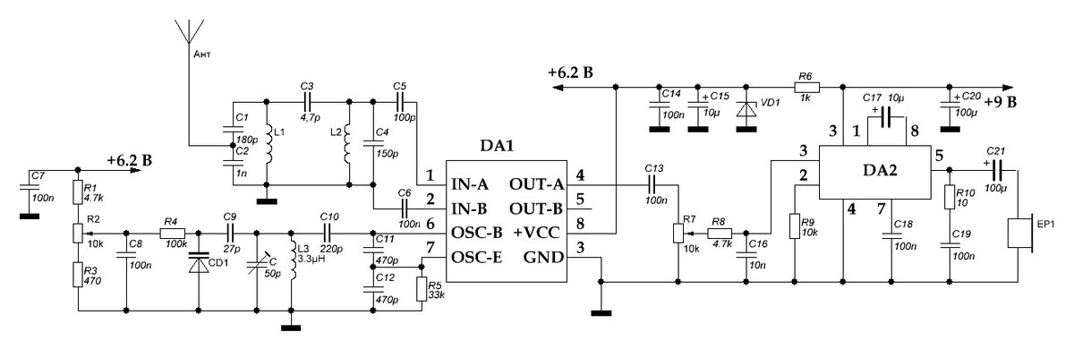
Рис. 1. Схема приемника.
Рис. 1. Схема приемника.

Сигнал от антенны через полосовой фильтр поступает на вход активного смесителя, входящего в состав микросхемы DA1 SA612. На этой же микросхеме собран и гетеродин. Перестройка гетеродина - с помощью варикапа, в роли которого используется диод 1N5401. Так как смеситель в микросхеме активный, его усиление порядка 10.

С выхода смесителя сигнал поступает на регулятор громкости, а оттуда, через простейший ФНЧ R8С16 на вход интегрального УНЧ на микросхеме LM386. Коэффициент усиления УНЧ около 150, вместе с усилением смесителя это составит около 1500. Чтобы получить на сопротивлении 32 Ом хотя бы 10 мВт, на выходе УНЧ должно развиваться напряжение чуть больше 0,5 В. Делим это напряжение на общий коэффициент усиления и получаем чувствительность порядка 0,3 мВ. Маловато будет, но если сделать антенну подлиннее ... :) Кстати, о чувствительности в описании не идет и речи.

Рис. 10.
Рис. 10.

В конструкции мне больше всего понравились катушки, которые выглядят как дроссели, все имеют индуктивность 3,3 мкГн. Не знаю, какая у них добротность, думаю, небольшая.

Вот такой приемник. Это что-то типа детекторного нашей молодости. Об избирательности здесь речь не идет, так как ФНЧ уж очень слаб. Но услышать телеграф на нем точно удастся. Вот только начинающий сможет ли его понять, хотя давно уже есть дешифраторы кода Морзе для Андроида. Так что подносим телефон к наушникам - и будет нам счастье.

Да, стоит этот наборчик $25 - это 2000 руб.

Всем здоровья и успехов!