Найти в Дзене

Revit: технологические принципиальные схемы

Расскажу, как создавать принципиальные схемы для технологии в Ревите. Отдельного инструмента для таких схем в программе нет, но можно воспроизвести методику, как в обычном Автокаде, но при этом получить и некоторые плюсы от БИМа — автоматический сбор данных в спецификацию. Концепция работы от Автодеска В Ревите есть отдельная панель «Совместная работа в P&ID». P&ID — piping and instrumentation diagram, по-русски это значит технологическая схема труб и КИПиА. То есть то, что мы обычно называем принципиальной схемой. Эта панель нужна, чтобы увязывать между собой модель в Ревите и технологическую схему в программе Plant 3D — ещё одна надстройка над Автокадом а-ля Сивил 3Д. План 3Д — программа для проектирования промышленных объектов, plant — фабрика, завод по-английски. При этом проект в Планте 3Д должен лежать в облаке Автодеск Констракшн Клауд. В общем, не для россиян эти забавы. Но раз уж говорим про концепцию от разработчиков, то давайте её озвучим и забудем. Инструмент позволяет подт
Оглавление

Расскажу, как создавать принципиальные схемы для технологии в Ревите. Отдельного инструмента для таких схем в программе нет, но можно воспроизвести методику, как в обычном Автокаде, но при этом получить и некоторые плюсы от БИМа — автоматический сбор данных в спецификацию.

Концепция работы от Автодеска

В Ревите есть отдельная панель «Совместная работа в P&ID». P&ID — piping and instrumentation diagram, по-русски это значит технологическая схема труб и КИПиА. То есть то, что мы обычно называем принципиальной схемой.

Эта панель нужна, чтобы увязывать между собой модель в Ревите и технологическую схему в программе Plant 3D — ещё одна надстройка над Автокадом а-ля Сивил 3Д. План 3Д — программа для проектирования промышленных объектов, plant — фабрика, завод по-английски. При этом проект в Планте 3Д должен лежать в облаке Автодеск Констракшн Клауд.

В общем, не для россиян эти забавы. Но раз уж говорим про концепцию от разработчиков, то давайте её озвучим и забудем. Инструмент позволяет подтянуть технологическую схему из Планта 3Д и во время расстановки оборудования, арматуры и трассировок труб назначать им номера линий, маркировку, короче: подтягивать и связывать параметры. Перед этим нужно сопоставить типы труб, арматуры и оборудования между объектами Планта 3Д и семействами Ревита. Что-то автоматически, что-то вручную.

Никакого волшебства нет и не будет. Трубы и оборудование не появятся сами, всё нужно моделировать с нуля. Если в схеме появились изменения, пользователь это увидит в интерфейсе и должен вручную устранить их. Решили что-то домоделировать в Ревите, а потом закинуть в Плант 3Д, чтобы там схема поменялась сама? Ха, не тут-то было, обратной совместимости нет.

Посмотрите вот это англоязычное видео на Ютубе, чтобы лучше представлять, о чём речь. Всё это выглядит как то ли ненужный, то ли недоделанный костыль.

Концепция работы от Муратова

Тут ничего хитрого нет — создаём элементы схемы семействами в категории «Элементы узлов» и размещаем на чертёжном виде. Как работать с чертёжными видами, читайте в отдельном материале про них.

Элементы узлов — это категория, в которой можно создавать 2Д-элементы и размещать на видах. При этом их видно только на том виде, где их разместили, то есть в этом плане они ведут себя как элементы аннотаций. При этом они имеют фиксированные геометрические размеры и меняются на бумаге при изменении масштаба. То есть это аннотации без аннотативности.

На элементы узлов можно создать отдельную спецификацию. Они не попадают в сводную спецификацию на несколько категорий, поэтому не будут в ней мешаться. Поэтому можно создать схему, собрать оборудование и арматуру из неё в спецификацию и поместить на лист. Добавили или удалили что-то — спецификация мгновенно отреагирует. Это же Ревит.

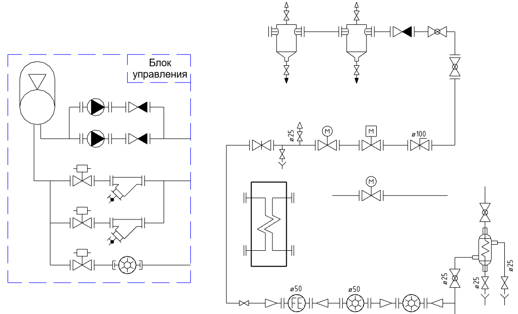
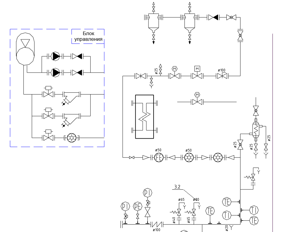
Покажу условные обозначения на примере разработки, которую делал на заказ. Это не пример реальной схемы, просто накидывал семейства для тестирования.

Пример обозначений
Пример обозначений
Пример обозначений
Пример обозначений
Пример спецификации на элементы узлов
Пример спецификации на элементы узлов

Как создавать такие заголовки в спецификациях, рассказывал в отдельной статье.

Линии трубопроводов создавал линиями детализации. Это удобнее, чем создавать отдельный элемент узлов. При этом во всех семействах использовал области маскировки, чтобы при размещении условного обозначения они перекрывали линию там, где она не нужна. В итоге не приходится рисовать кучу линий, достаточно нарисовать одну и наставить на неё всё, в том числе марки линий.

Марки линий — это тоже элементы узлов с параметром семейства, куда нужно ручками вписать номер линии. Можно поставить одну марку, а потом через создание аналога натыкать с тем же текстом в нужные места, ориентировать по трассе нажатием пробела.

В общем, получается красиво.

Альтернативные варианты

Вместо категории «Элементы узлов» можно использовать категорию «Типовая аннотация». На них тоже можно собрать спецификацию. Но это аннотативные объекты, они не будут меняться при изменении масштаба. Мне такое не очень по душе, поэтому предпочитаю «Элементы узлов».

На легендах можно собирать условные обозначения. Об этом тоже можете прочитать в статье про чертёжные виды и легенды. Этим можно пользоваться — добавить во все семейства нужные условные обозначения для определённой детализации и вида и собирать из реальных семейств арматуры и оборудования схему. Есть два минуса: библиотеку обозначений всё равно придётся делать и никакой спецификации из таких элементов не собрать. Так что вариант бессмысленный.

Можно делать импорт готовой схемы из Автокада. Читайте отдельную статью, как импортировать подложки и специальный материал о подготовке чертежей к импорту. Это очень плохой, но очень быстрый вариант, если есть готовая схема. Всё же рекомендую постепенно наполнять базу семейств с условными обозначениями и собирать схему из них в Ревите. На один элемент уходит не больше 5-10 минут, если нет сложной параметризации.

Можно рисовать на том же чертёжном виде элементы вручную, как в Автокаде, но тогда ни о какой автоматической спецификации речи не идёт. Поэтому лучше потратить время на создание библиотеки семейств, а уже потом в каждом проекте пользоваться ею.

Ну и конечно же, можно придумать и создать плагин по генерации такой схемы из модели. Правда, понятия не имею, какой такой логикой придётся его описывать, ведь каждая схема уникальна по своей конфигурации, и как всё оптимально разместить в такой абстракции — задачка непростая.

Нерешённые задачи

Главный нюанс во всём этом — так как элементы на схеме состоят из одних семейств, а в модели строятся из других, то по сути у них нет никакой связи между собой. Её можно реализовать через тот же Динамо, например, но машина не знает, где какой элемент находится, ей нужно задавать критерии для сопоставления. А это снова возвращает нас к ручному заполнению параметров.

То есть нужно на схеме дать номера арматуре и оборудованию, потом в модели соответствующей арматуре и оборудованию заполнить параметр с точно таким же значением, и вот тогда программа сможет сопоставить элементы и перенести данные со схемы в модель. Что-то поменялось, удалилось, добавилось? Снова руками идти и приводить в соответствие. Такое себе.

Можно делать проверки и подкрашивать элементы на схеме, которых нет в модели или которые не заполнены соответствующим параметром. Но это тоже всё вращается вокруг визуального контроля и ручного заполнения. Возможно, проще в Экселе сделать таблицу и через неё заполнять параметры модели, чем городить такое сопоставление схемы и модели.

Придумаете оригинальное решение — расскажите, будет интересно послушать.

Больше полезного про Ревит — на моём сайте muratovbim.pro