Добавить в корзинуПозвонить
Найти в Дзене

Acer Aspire 5742g PEW71 (Ремонт)

Принесли с признаком не вкл. , щёлкнуло что то при подключении зарядки. Попытки разбора уже были и сказали там дырка на чипе. Открываем, смотрим и впрям дырка ) Данная МК по Service manual compal la-5893p - бъётся как ISL6251AHAZ , снимаем и прозваниваем цепь питания данной МК и это PQ62(AO4466) и PQ64 (AO4466) согласно даташиту, они в КЗ. Дальше на всякий проверяю и PQ51(AO4407A) + PQ52 (AO4407A) - целые , транзисторам прилетело только по цепи BATT+ (акум так то мёртвый ). После посмотрел остальные цепи питания на КЗ с дроселей по CPU,GPU, VGA (PL9), Памяти и дежурки . Ооочень низкое сопротевление было по VGA , до последнего думал что чип мёртвый , на всякий махнул PQ36(AO4456)+PQ35 (AO4456) После замены подсобрал и выяснилось что и с БП всё не ладно, в одном месте перебит провод, причём он то работал то нет. Похоже что из-за этих коротышей по питанию и не выдержали мосфеты AO4466 и пробило ЧИП ISL6251AHAZ . После всех манипуляций и перепаивания провода на место (штатно, красиво)

Принесли с признаком не вкл. , щёлкнуло что то при подключении зарядки. Попытки разбора уже были и сказали там дырка на чипе.

Открываем, смотрим и впрям дырка )

ISL6251AHAZ
ISL6251AHAZ

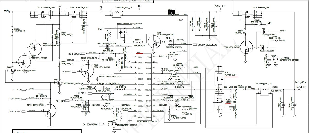
Данная МК по Service manual compal la-5893p - бъётся как ISL6251AHAZ , снимаем и прозваниваем цепь питания данной МК и это PQ62(AO4466) и PQ64 (AO4466) согласно даташиту, они в КЗ.

схемка
схемка
4466
4466

Дальше на всякий проверяю и PQ51(AO4407A) + PQ52 (AO4407A) - целые , транзисторам прилетело только по цепи BATT+ (акум так то мёртвый ).

После посмотрел остальные цепи питания на КЗ с дроселей по CPU,GPU, VGA (PL9), Памяти и дежурки . Ооочень низкое сопротевление было по VGA , до последнего думал что чип мёртвый , на всякий махнул PQ36(AO4456)+PQ35 (AO4456)

VGA +
VGA +

После замены подсобрал и выяснилось что и с БП всё не ладно, в одном месте перебит провод, причём он то работал то нет. Похоже что из-за этих коротышей по питанию и не выдержали мосфеты AO4466 и пробило ЧИП ISL6251AHAZ .

нема по питанию
нема по питанию

После всех манипуляций и перепаивания провода на место (штатно, красиво)

на месте и подрезан на 20 см.
на месте и подрезан на 20 см.

всё в порядке, полёт нормальный.

общее фото
общее фото