Добавить в корзинуПозвонить
Найти в Дзене
Теллур Электроникс

Замена соединителей типа D-sub серии Hiper-D (Glenair Inc.) для ответственных применений

Компания «Теллур Электроникс» ООО предлагает производителям аппаратуры для ответственных применений pin-to-pin замену соединителей типа D-sub известной серии Hiper-D (Glenair Inc.). Предлагаемые соединители совместимы с соединителями, выполненными по стандарту M-24308. Основные особенности: Применения: Еще больше новостей на сайте ТЕЛЛУР ЭЛЕКТРОНИКС

Компания «Теллур Электроникс» ООО предлагает производителям аппаратуры для ответственных применений pin-to-pin замену соединителей типа D-sub известной серии Hiper-D (Glenair Inc.). Предлагаемые соединители совместимы с соединителями, выполненными по стандарту M-24308.

Основные особенности:

  • Совместимость с соединителями стандарта M-24308;
  • Типы монтажа: объёмный под  пайку, печатный прямой, печатный угловой:
  • Контактные схемы на  9, 15, 25, 26, 37, 44, 50, 62, 78, 100 контактов;
  • Диапазон рабочих температур: от - 65°C до +200°C;
  • Рейтинг защиты от влаги:  IP67;
  • Размер контактов: 20AWG и 22AWG
  • Токовая нагрузка на контакт: 5А (22AWG), 7А (20AWG);
  • Напряжение пробоя изоляции: 1000В;
  • Динамический удар: 300G;
  • Вибрация: 43.92G;
  • Корпуса из алюминия, нержавеющей стали.  Покрытие: никелем, кадмием, золотом.
  • Аксессуары: крепёжные винты, кабельные  адаптеры;
  • Срок поставки 8-10 недель.
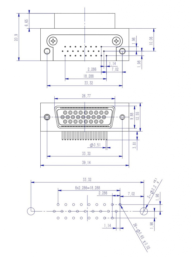
Чертёж №1 . Вилка угловая – партномер 280-028P2H26MTNA (Glenair Inc.)
Чертёж №1 . Вилка угловая – партномер 280-028P2H26MTNA (Glenair Inc.)

Применения:

  • Авиация и Космос;
  • Cудостроение;
  • Специальная аппаратура;
  • Геофизическая аппаратура;
  • Измерительная аппаратура

Еще больше новостей на сайте ТЕЛЛУР ЭЛЕКТРОНИКС