Найти в Дзене
УЧИМСЯ САМИ

ВЧ-генератор. Часть 2 - основы схемотехники.

Наверное, читатели будут разочарованы тем, что и во второй статье нет еще практических схем и чертежей печатных плат. Однако лучше приступать к этой работе, понимая принцип действия прибора и логику принятых схемных решений, что особенно важно при настройке прибора. Должен сразу успокоить читателей. Это какой-нибудь только что спаянный (и спаянный правильно!) супергетеродинный приемник до настройки его многочисленных контуров на 100% будет неработоспособным. Мы же создаем простенький прибор с прямой генерацией нужной частоты. Так что при посредственно сделанной, а то и не сделанной вовсе настройке, он, скорее всего, будет все же работоспособен. Но параметры будут далеки от максимально возможных, да и пользоваться им будет неудобно. Итак, какие проблемы нам надо решить? 1. ФОРМА СИГНАЛА. Она должна быть по возможности чистой синусоидой. Во всяком несинусоидальном сигнале появляются гармоники - составляющие с частотой в 2, в 3 и т.д. раз большей, чем основное колебание. Если сигнал нашег

Наверное, читатели будут разочарованы тем, что и во второй статье нет еще практических схем и чертежей печатных плат. Однако лучше приступать к этой работе, понимая принцип действия прибора и логику принятых схемных решений, что особенно важно при настройке прибора. Должен сразу успокоить читателей. Это какой-нибудь только что спаянный (и спаянный правильно!) супергетеродинный приемник до настройки его многочисленных контуров на 100% будет неработоспособным. Мы же создаем простенький прибор с прямой генерацией нужной частоты. Так что при посредственно сделанной, а то и не сделанной вовсе настройке, он, скорее всего, будет все же работоспособен. Но параметры будут далеки от максимально возможных, да и пользоваться им будет неудобно.

Итак, какие проблемы нам надо решить?

1. ФОРМА СИГНАЛА. Она должна быть по возможности чистой синусоидой. Во всяком несинусоидальном сигнале появляются гармоники - составляющие с частотой в 2, в 3 и т.д. раз большей, чем основное колебание. Если сигнал нашего генератора будет слишком грязным, то станет возможна такая ситуация: вы настраиваете контур радиоприемника на промежуточную частоту в 465 кГц - устанавливаете эту частоту на генераторе и легко находите настройку контура по максимуму сигнала. Но приемник целиком не работает! Оказывается, вы нашли резонанс контура на частоте 930 кГц - т.е. вдвое большей. А вот если бы сигнал генератора был чище, то этот побочный максимум был бы намного слабее, и вы бы скорее нашли на диапазоне основную частоту.

2. РАВНОМЕРНОСТЬ УРОВНЯ СИГНАЛА ПО ДИАПАЗОНУ. С ростом частоты усиление транзисторов падает, а утечки сигнала через паразитные емкости монтажа - растут. Так что на ВЧ-диапазонах уровень выходного сигнала неизбежно окажется ниже.

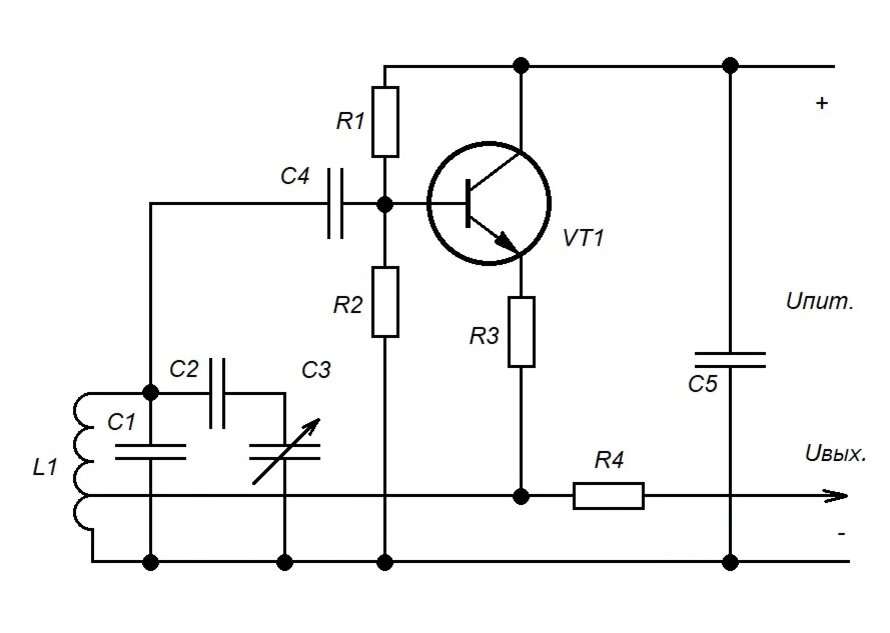
К счастью, несколько ослабить это неприятное явление в каскаде генератора можно одновременно с решением первой проблемы. Обратимся к схеме. Она уже знакома тем, кто делал одну из наших старых конструкций.

Дело в том, что усиление нашего транзистора очень велико - более сотни. Это намного больше, чем нужно для поддержания генерации, по крайней мере на низкочастотных диапазонах. Транзистор будет слишком резко рубить импульсы в контуре, искажая форму сигнала в нем. А для чистого синусоидального сигнала желательно, чтобы усиления только-только хватало на уверенную генерацию. Снизить усиление можно с помощью резистора R3. Причем к катушке каждого диапазона будет подключен свой резистор - чем более низкочастотный диапазон, тем больше его сопротивление. Так будет ослаблена разница в уровне сигнала между диапазонами. Улучшится и форма сигнала, который мы будем брать не с эмиттера транзистора, а с отвода катушки. Импульсы напряжения с транзистора могут быть все же несинусоидальными по форме, а вот контур, отделенный резистором от транзистора, будет колебаться "сам по себе" уже по синусоиде.

3. ДИАПАЗОН ЧАСТОТ И РАВНОМЕРНОСТЬ ПЕРЕСТРОЙКИ. Казалось бы, зачем автору конструировать что-то свое? Вот в "Радио" №5 за 1972 год опубликован ВЧ-генератор со всеми чертежами и платами. Совсем простой и на 3 диапазона:

  • 0,15 - 0,5 МГц
  • 0,5 - 2 МГц
  • 4 - 12,5 МГц

Как мы видим, первый диапазон перекрывает всего 0,35 МГц. Что-то маловато, можно было бы перестройку и поэнергичнее сделать. А третий диапазон перекрывает более 8 мегагерц - в 24 раза больше! И это - всего за полоборота ручки КПЕ! Да какая тут возможна плавность и точность настройки хотя бы даже для ширпотребовской АМ аппаратуры??! Отметим также, что между вторым и третьим диапазонами есть разрыв, в который угодил, например, популярный радиолюбительский диапазон 80 метров (3,5 МГц) - на нем даже соревнования по "Охоте на лис" проводили. А верхний предел не дотягивает до самых дальнобойных диапазонов - радиолюбительского 20-метрового (14 МГц) и вещательного 19-метрового (15 МГц).

Поскольку самые распространенные галетные переключатели выпускаются на 2, 3, 5 и 11 положений, то напрашивается вариант сделать генератор 5-диапазонным. Тогда мы сможем добиться приличной плавности настройки даже если увеличим верхний предел прибора до 16 МГц. Но как быть с равномерностью настройки?

Снова обратимся к схеме. Подключив параллельно катушке конденсатор С1, мы не дадим сильно уменьшиться минимальной общей емкости контура. Соотношение между минимальной и максимальной емкостями, а следовательно и диапазон перестройки - уменьшатся. Конденсатор С2 аналогично ограничит уже максимальную емкость контура. Недаром конденсатор в таком включении называют "растягивающим". Используем эти конденсаторы по максимуму на самом высокочастотном диапазоне, а на низкочастотных - обойдемся вообще без них. Вот вам и более приличная равномерность. К тому же, вы не забыли - у нас блок КПЕ-то - двухсекционный! Вторую секцию намертво припаяем к самой низкочастотной катушке. Вот вам и возможность работать на очень низких частотах, и достаточно быстрая перестройка на них.

4. СТАБИЛЬНОСТЬ ЧАСТОТЫ. Подписчики, читавшие наши более ранние материалы, уже представляют себе, какими схемными и конструктивными методами можно улучшить стабильность генератора. Однако мы добавим еще кое-что. Глядя на упомянутую схему из старого "Радио", я никак не могу гарантировать, что подключение чего-нибудь ко входу модуляции не приведет к сдвигу частоты задающего генератора. В нашем же приборе он будет неприкосновенным.

И еще одно известное правило конструирования стабильных многодиапазонных генераторов: "Переключайте не элементы контуров, а контура целиком!" И то правда: вы посильнее провернули ручку, или контакты потеряли со временем упругость и возросло их сопротивление - вот вам настройка уже и не соответствует градуировке. А сколько переключений вырисовывается у нас? Растягивающий конденсатор, резистор, отвод катушки, база транзистора, КПЕ... Не многовато ли? Да вы в контактах переключателя запутаетесь. И тут автор пришел к неожиданному решению - не коммутировать все эти элементы на единственный задающий генератор, а... спаять 5 этих генераторов, каждому диапазону - свой! У каждого - свои элементы, настроенные именно на этот диапазон. Что такое, в смысле цены, один ширпотребовский транзистор да полдесятка резисторов и конденсаторов? - Копейки. Особенно если вы заказали на Али пакетик с несколькими десятками таких деталей. Так что нам останется только скоммутировать 3 цепи - КПЕ, питание и выход колебаний. К тому же мы еще на всех диапазонах, кроме 5-го сможем добавить по резистору R4. С их помощью мы еще лучше выровняем уровень выхода в разных диапазонах.

В заключении скажу также о конструктивном исполнении. Прибор будет иметь 2 платы. На одной будут размещены генераторы, а на другой - узлы, обеспечивающие модуляцию сигнала и измеритель уровня выхода. КПЕ будет жестко закреплен прямо на плате генераторов, что улучшит геометрическую неизменность контуров и стабильность частоты. Делитель будет смонтирован навесным монтажом на выходных гнездах или переключателе (смотря как вы его исполните). Это уменьшит паразитную емкость монтажа, а, следовательно, и падение уровня сигнала на ВЧ диапазонах.