Найти в Дзене
Not_facebooked

Активный корректор коэффициента мощности. Часть 7. Силовая часть, продолжение.

Рассмотрим еще один вариант силовой части, предложенный в [1], обеспечивающий мягкое переключение всех полупроводников в буст-конвертере по утверждению авторов. Схема этого варианта конвертера показана на рис.1. Авторы обещают: The LCD snubber cell provides zero current switching (ZCS) turn ON and zero voltage switching (ZVS) turn OFF for the converter switch without increasing current or voltage stress. Так вот zero current switching (ZCS) turn ON не получился. Проверка на модели в МС-12 показала, авторы чего-то не додумали, так как непосредственно перед включением силового транзистора все диоды находятся в проводящем состоянии (как на рис.2) и поэтому испытывают жесткий процесс обратного восстановления, а вместе с ними и силовой ключ тоже. Причина в том, что вспомогательная индуктивность Ls не успевает быстро освободиться от запасенного тока к моменту открывания силового транзистора. Не успевает потому, что ей некуда сбросить этот ток: С2 уже заряжен до 400 вольт, на

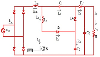
Рассмотрим еще один вариант силовой части, предложенный в [1], обеспечивающий мягкое переключение всех полупроводников в буст-конвертере по утверждению авторов. Схема этого варианта конвертера показана на рис.1.

Рис.1. Буст-конвертер с мягкой коммутацией из [1].
Рис.1. Буст-конвертер с мягкой коммутацией из [1].

Авторы обещают: The LCD snubber cell provides zero current switching (ZCS) turn ON and zero voltage switching (ZVS) turn OFF for the converter switch without increasing current or voltage stress. Так вот zero current switching (ZCS) turn ON не получился. Проверка на модели в МС-12 показала, авторы чего-то не додумали, так как непосредственно перед включением силового транзистора все диоды находятся в проводящем состоянии (как на рис.2) и поэтому испытывают жесткий процесс обратного восстановления, а вместе с ними и силовой ключ тоже.

Рис.2. Состояние конвертера из [1] непосредственно перед включением ключа S.
Рис.2. Состояние конвертера из [1] непосредственно перед включением ключа S.

Причина в том, что вспомогательная индуктивность Ls не успевает быстро освободиться от запасенного тока к моменту открывания силового транзистора. Не успевает потому, что ей некуда сбросить этот ток: С2 уже заряжен до 400 вольт, на С1 низкое напряжение, ток Ls ходит по цепи Ls - D1 - D2 - C1 - Ls, в которой нет омических потерь, то есть ток Ls фактически "замораживается", ему не на чем рассеиться и некуда слиться. Схема получилась в принципе неработоспособная в смысле снаббинга. Поэтому этот вариант далее не рассматривается.

Посмотрим и проверим следующий вариант снаббинга буст-конвертера, предложенный в [2]. На рис. 3 показана силовая часть этого устройства.

Рис. 3. Повышающий преобразователь из [2] с двухобмоточным дросселем и пассивным регенеративным снаббером.
Рис. 3. Повышающий преобразователь из [2] с двухобмоточным дросселем и пассивным регенеративным снаббером.

В предлагаемой схеме предполагается, что у дроссель-трансформатора Tr есть индуктивность рассивания, не показанная на рисунке. Эта индуктивность принципиально необходима, так как она образует резонансный контур с емкостью С1, обеспечивает разрядку этой емкости и ограничивает ток разрядки. Удобно представить эту индуктивность рассеивания последовательно с обмоткой L2.

На следующих двух рисунках приведены диаграммы, поясняющие работу преобразователя.

Рис. 4. Топологические состояния преобразователя из [2].
Рис. 4. Топологические состояния преобразователя из [2].
Рис. 5. Топологические состояния 1 и 2.
Рис. 5. Топологические состояния 1 и 2.
Рис. 6. Топологические состояния 3 и 4.
Рис. 6. Топологические состояния 3 и 4.
Рис. 7. Топологические состояния 5 и 6.
Рис. 7. Топологические состояния 5 и 6.

Из приведенных диаграмм в целом понятно как работает конвертер. Если требуется более детальное описание, то лучше с ним ознакомиться в оригинале.

Авторы патента рассматривают свое устройство в качестве повышающего преобразователя с коэффициентом передачи по напряжению большим, чем у традиционного буст-конвертера за счет применения дросселя с "отпайкой" (tapped), причем с коэффициентом трансформации больше единицы. В нашем случае для использования в качестве силовой части ККМ это не требуется, но схема интересна тем, что есть надежда на то, что э.д.с. L2 можно будет использовать для быстрого вывода тока из индуктивности рассеивания, которая и обеспечивает мягкое переключение всех полупроводников в схеме.

Для проверки была изготовлена модель такого конвертера с коэффициентом трансформации n=0,5, подобранным экспериментально. Модель приведена на рис. 8.

На рис. 9 показаны диаграммы токов и напряжений, построенной модели, поясняющие ее работу.

Рис. 8. Модель двухфазного конвертера по работе [2].
Рис. 8. Модель двухфазного конвертера по работе [2].
Рис. 9. Диаграммы токов и напряжений для модели на рис. 8.
Рис. 9. Диаграммы токов и напряжений для модели на рис. 8.

Используется низкое напряжение питания 95 В чтобы схема работала с коэффициентом заполнения больше 0,5. Из рис. 9 видно, что конвертер действительно обеспечивает мягкую коммутацию всех полупроводников. Ключевые потери на включение практически отсутствуют, на выключение - малы, но можно сделать еще меньше, увеличив емкость снабберного конденсатора С1 (С8). Мягкая коммутация сохраняется во всем заданном диапазоне коэффициентов заполнения от 0,05 до 0,8. Вторичная обмотка дроссель-трансформатора обеспечивает быстрый разряд снабберной индуктивности L1 (L2). Необходимо обратить внимание на форму потребляемого от источника питания тока I(r1): он не совпадает по форме с током индуктивности намагничивания Lm, как это имеет место в буст-конвертере с однообмоточным дросселем. К такому результату приводит наличие тока вторичной обмотки дросселя Х5 (Х7). Именно это обстоятельство и оказалось "ложкой дегтя" этой топологии. Конвертер прекрасно работает в качестве повышающего преобразователя, но непригоден для использования в качестве силовой части корректора коэффициента мощности из-за формы потребляемого тока. Ток такой формы, подаваемый на вход усилителя ошибки по потребляемому току ШИМ-контроллера, к примеру той же UC3854, не позволяет контроллеру сформировать правильный синусоидальный ток, потребляемый ККМ от питающей сети.

Рассматривается третий вариант силовой части ККМ со снаббингом и третий раз - отрицательный результат, а три раза - это уже статистика и можно делать предварительные выводы. Выводы следующие:

1. Не любой повышающий конвертер пригоден для использования в составе ККМ в качестве силовой части.

2. Снабберные цепи влияют на процесс выхода преобразователя на установившийся режим и его устойчивость.

3. Содержание научно-технических публикаций может не соответствовать действительности. Похоже, что значительная часть публикаций не рассчитана на то, что их кто-либо будет читать и тем более применять на практике представленные в статьях "инновационные решения". Статьи пишутся для отчетности перед работодателем или каким-нибудь фондом, у которого удалось получить грант, либо при подготовке диссертации кандидата технических наук, которую кроме автора никто не читал и читать не будет.

4. Главная проблема всех пассивных регенеративных снабберных решений, использующих вспомогательную индуктивность (а без нее вряд ли что-то получится) в том, каким образом быстро вывести из этой индуктивности ток и подготовить ее тем самым к следующему такту работы конвертера.

5. Снаббинг буст-конвертера - это проблема.

Так как подходящая силовая часть пока не обнаружена, то поиски продолжаются.

Литература.

1. Aiswariya S. and Dhanasekaran R. A NEW ZCS-ZVS SINGLE PHASE PFC CONVERTER WITH A LCD SNUBBER FOR OUTPUT VOLTAGE REGULATION. ARPN Journal of Engineering and Applied Sciences, VOL. 10, NO. 13, JULY 2015.

2. US Patent № 7161331 B2. Boost converter utilizing bi-directional magnetic energy transfer of coupled inductor. 2007.