Найти в Дзене
Чиним тачку

SWAP M52B28TU (Часть #12) Электрическая схема MS42 (M52B28TU). Коса навесного оборудования. Дооснощение CAN шиной. Работа с проводкой.

В этой части затронем тему дооснащения проводкой кузова к колодке ЭБУ двигателя X60004. На данном этапе мной было набросано несколько схем помогающих решать вопросы с дооснащением. Что-то я уже выкладывал, что-то будет новым. Нарисовать прям все все не стояло задачи, т.е схемы рисовались по мере изучения и прокладки проводов. Проще ведь заранее нарисовать на компьютере что необходимо сделать. Пока сидишь в тепле с чаем в удобной позе рисуешь, чтобы потом уже будучи в машине, когда холодный ветер поддувает со спины и ты раскорячился как мог, сделать все максимально быстро. Это схема питания электроники двигателя MS42 M52TU (немного отличается от MS43 M54). Эта схема поможет разобраться с соединениями моторных кос, понять принцип подвода питания к исполнительным узлам. Это схема подключения вилки X6011 от двигателя M52TU в гнездо кузова где был установлен M52 мотор. Три провода придется подключить к колодке X60004 ЭБУ двигателя, для этого используем контакты от старой проводки. Бывший то

В этой части затронем тему дооснащения проводкой кузова к колодке ЭБУ двигателя X60004. На данном этапе мной было набросано несколько схем помогающих решать вопросы с дооснащением. Что-то я уже выкладывал, что-то будет новым.

Нарисовать прям все все не стояло задачи, т.е схемы рисовались по мере изучения и прокладки проводов. Проще ведь заранее нарисовать на компьютере что необходимо сделать. Пока сидишь в тепле с чаем в удобной позе рисуешь, чтобы потом уже будучи в машине, когда холодный ветер поддувает со спины и ты раскорячился как мог, сделать все максимально быстро.

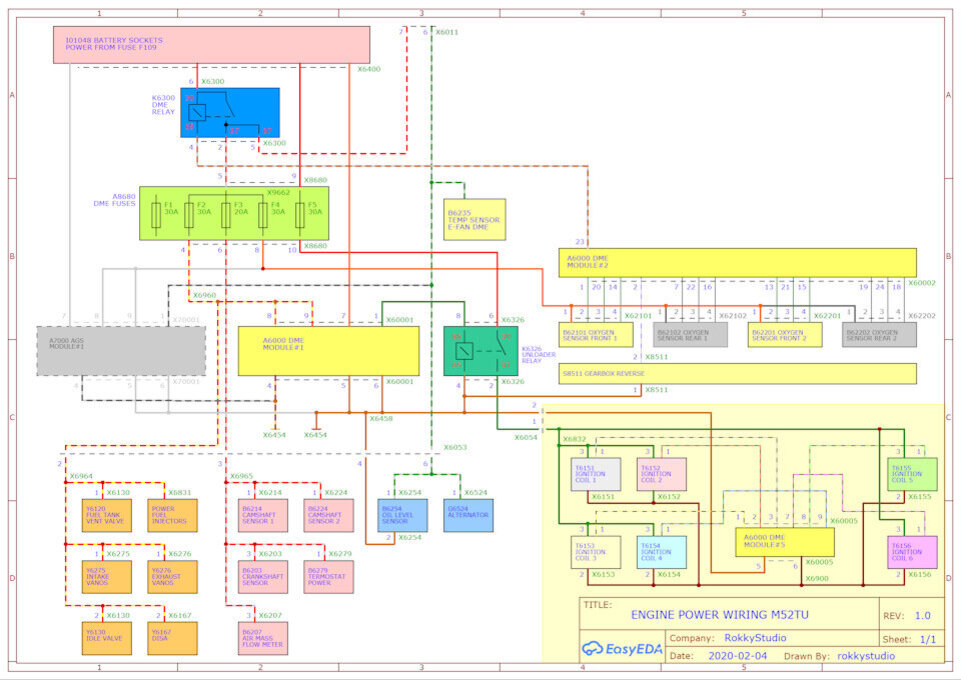
Это схема питания электроники двигателя MS42 M52TU (немного отличается от MS43 M54).

Эта схема поможет разобраться с соединениями моторных кос, понять принцип подвода питания к исполнительным узлам.

-2

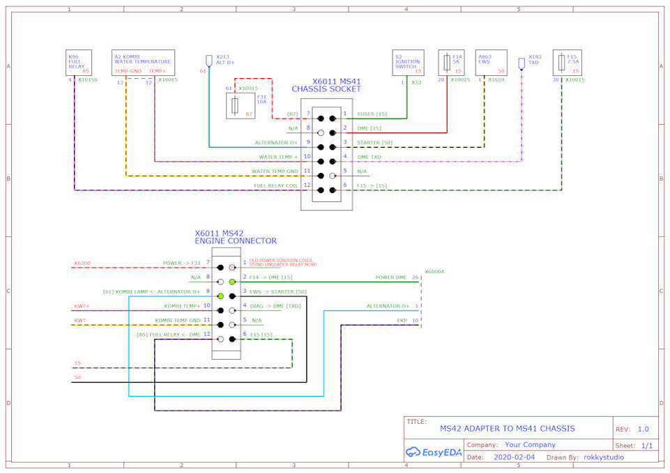
Это схема подключения вилки X6011 от двигателя M52TU в гнездо кузова где был установлен M52 мотор.

Три провода придется подключить к колодке X60004 ЭБУ двигателя, для этого используем контакты от старой проводки. Бывший толстый зеленый провод питания катушек, который приходил с контактной группы замка зажигания больше не используется. Эту цепь заменило разгрузочное реле зеленого цвета. Также мы игнорируем контакт TXD.

-3

Колодки EWS2 и EWS3

Я оставлял некоторые заметки для себя и не успел их убрать. Не обращаем на них внимание. Старый блок EWS2 находился за бардачком. Новый блок EWS3 находится около левой коленки водителя. По мере дооснащения автомобиля блоком EWS3 пришел к следующим умозаключениям.

— Нельзя устанавливать блок EWS3 за бардачком. Старый блок EWS2 использовал усилитель катушки ключа. Маленький блок усилителя был спрятан в кожухе рулевой колонки рядом с катушкой ключа, имел свое питание и передавал данные на EWS по отдельному проводу. Новый EWS3 работает с катушкой напрямую по двум проводам и длина этих проводов ограничена, их нельзя тащить под бардачок, это может привести к неприятным последствиям, таким как частичная или полная невозможность запустить мотор. К тому же старая EWS2 не позволяла генерировать электромагнитные волны на катушке во время работы автомобиля, что не позволяло заряжать ключ со встроенным аккумулятором, а теперь должна уметь, по крайней мере в теории. Чуть позже я хочу проверить эту теорию с помощью самодельной катушки провода и светодиода, чтобы увидеть наличии электромагнитных волн.

— Новая катушка ключа после 98 года отличается от старой. В старой катушке из корпуса выходят два коротких зеленых провода и с помощью фишки подключаются к усилителю. В новой катушке проводов нет. В корпусе сразу отлито гнездо для подключения проводов от EWS. Перепаять пару проводов вообще не проблема, так и сделал. Насколько я понял полярность катушки не должа иметь значение, ведь чип транспордер может располагаться по разному (может быть перевернут на 180 градусов). По итогу старая катушка заработала с новым EWS как положено.

— Необходимо наращивать провода. Часть проводов от старого EWS2 просто больше не нужны. Часть придется наращивать и вести к новому месту установки EWS3.

-4

Разъем X6021 M52

Ранее на M52 моторе для подводки не силовых проводов всяческих сигналов использовалась колодка X6021. Можно сказать что на моторе M52TU на смену X6021 пришла колодка X60004. Чтобы избежать лишней пайки под капотом и паять комфортно и удобно дома было решено сделать переходник из старой колодки X6021 на разъем X60004. Этот подход очень сильно упростил задачу и позволил избежать вырезания заводского гнезда.

-5

Разъем X60004 M52TU

Для комфортного дооснащения и подключения проводки была нарисована схема коннектора X60004. На этой схеме также видно каким образом осуществляется соединение переходника X6021-X60004. Сверху мы видим три провода от X6011 про которые речь шла выше. Жирным выделены контакты X6021 которых нет у M52. Эти контакты подключения датчика педали тормоза, датчика сцепления и CAN-Bus шины.

Распиновка взята не из головы, а от M51 дизеля у которого эти контакты как раз таки задействованы. Раз нет контактов, то и проводов нет, их придется прокладывать. Наперед скажу что добавление контактов X6021 я так и не сделал, а просто пустил провода напрямую от X60004 до необходимых узлов, так проще, быстрее и даже несколько надежнее.

Провода с X60004 на датчик температуры выхода радиатора, провод сигнала MFL для круиза и провод ШИМ сигнала дополнительного вентилятора проводим тоже напрямую.

-6

Старый блок круиза M52. Рисовал схему чтобы снять лишнее оснащение, которое более не актуально. Так и не дорисовал.

-7

Для дооснащения датчиком температуры на выходе с радиатора, датчиком уровня охлаждающей жидкости и 3х-пиновым дополнительным вентилятором необходимо получить доступ к проводке правого крыла. Кроме разматывания изоленты нужно разрезать термоусадку (жвачку). Внутри термоусадки для герметизации используется бутиловый герметик (тот же клей для вклейки лобового стекла).

-8

Кстати мне говорили что завод не использовал бутиловый герметик для уплотнения швов коробов салонных фильтров и что в моей машине скорее всего это сделал прошлый владелец, с чем я полностью не согласен. Из наблюдений становится ясно что бутиловый герметик использовался повсеместно в сборке машины, но видимо это происходило только в старых выпусках BMW, в более свежих годах говорят такого уже не делают.

Не знаю какие средства используют для сборки более свежих автомобилей, но бутиловый шнур я уже купил и буду им герметизировать отверстия через которые проходит проводка. Такая герметизация позволяет избавиться от попадания воды, а также предотвращает сквозняк в салон. Поверьте, во время прокладки проводки от небольшого отверстия ощутил этот сквозняк на своей шкуре.

-9

Для прокладки проводов через резиновую гофру использовал большой пластиковый хомут. Сделал отверстие на кончике хомута, засунул его в гофру насквозь, в отверстие просунул провод с контактом и вытащил хомут, все просто.

-10

Ту же операцию проводим по левому крылу. Убираем лишнюю проводку сервопривода круиза. Также убираем провода сервопривода заслонки ASC и датчика положения заслонки ASC.

-11
-12

Провода датчика уровня антифриза тащим в салон напрямую к блоку LCM. Не знаю зачем именно к нему, ну любит он знать уровни масла и антифриза. Логичнее было бы если бы эти сигналы шли напрямую в приборку, ну или в DME а дальше раздавались по потребителям через CAN Bus, но нет, блин, LCM ему подавай. Ладно!

-13

Проводка из кузова в моторный отсек заходит через резиновую гофру в углу за бардачком. В этом месте как раз видно заднюю стенку отсека моторной электроники. Здесь же может заходить гофра вентилятора охлаждения отсека моторной электроники. Там как раз видно место под ее вход. Но так как у меня МКПП, то пластик там без технологического отверстия. Добавить новые провода в уже имеющуюся косу я бы не смог. Там все ну очень плотно. Мы пойдем другим путем!

Берем небольшую резиновую гофру остающуюся от старой проводки мотора M52. Эта гофра была от планки питания форсунок. В гофре уже имеется специальный паз, благодаря которому она может быть надежно зафиксирована в любом подходящем корпусе.

Сверлим сквозное отверстие из салона в моторный отсек электроники, но выше, чем может располагаться гофра вентилятора охлаждения отсека. Вдруг я все таки поставлю этот вентилятор. Немного дорабатываем отверстие по диаметру, чтобы получилось плотно, но и не узко. Запихиваем туда гофру, она плотно садится, так что только силой можно вырвать.

Теперь можно и провода новые провести и быть уверенным что ничего не перетрется. Мне очень понравилось решение. По необходимости оснащения я теперь туда и буду провода выводить.

-14

Блок LCM теперь у нас дооснащен и проводом от зеркала с затемнением и уровнем антифриза. В этом блоке скапливается много пыли, мелкого песка. Такого же эффекта не наблюдал с другой стороны машины. Видимо где-то нарушилась герметизация кузова и это печально.

-15

Для дооснащения проводкой пришлось полностью снять переднюю панель и даже подушку безопасности отстегнуть от греха подальше. Бардачок снят полностью, так чтобы панельку с предохранителями можно было вертеть в руках.

-16

Насколько у меня вышло выплел колодку иммобилайзера EWS2, но для этого пришлось посрывать множество заводских пластиковых хомутов и частично распотрошить заводскую изоленту. В какой-то момент обнаружил что изоленту я распотрошил практически всю по верхней части панели и только по углам старался не трогать.

-17

Раньше я делал дооснащение центральным зеркалом с затемнением. Тогда я обошелся без съема передней панели (торпеды). В этот раз решено навести там порядок и проложить проводку более аккуратно. Также с потолка сбросил еще 2 провода для затемнения правого зеркала которого пока что нет. Ту же процедуру будем выполнять с левой стороной.

-18

Пошла прокладка CAN-Bus шины по кузову.

Как выполнить дооснащение CAN Bus шиной.
Берем два провода обычно желтый и коричный (CAN High и CAN Low соответственно) и плетем косичку. Лучше всего взять шуроповерт и облегчить себе задачу. По сути CAN-шина это витая пара как в компьютерных сетях, только в компьютерах используется 4 косички одновременно и немного другой принцип подавления помех, который постоянно разрабатывается и улучшается.

В нашем же случае достаточно простой косички. Должно получиться приблизительно по одному винтку на 1 см, это ну очень приблизительно. Если никогда не видели какой должна быть эта косичка, то посмотрите хотя-бы на проводку своей машины. Там обязательно найдутся такие косички например для подключения динамиков. Вот такой же и должна получится наша коса. Чем аккуратнее будет косичка, тем больше помех будет подавляться. В идеале косичку можно разместить в экранированную заземленную оплетку, но это совсем не обязательно, не те расстояния у нас.

Есть особые правила для CAN шины. Нельзя соединять все провода в одну точку, нельзя создавать отдельные ветви, нельзя делать соединение типа звезды и ни в коем случае нельзя делать петли (круг). Коса должна откуда-то начинаться и где-то заканчиваться, она должна последовательно приходить ко всем нужным потребителям. Например начинается шина ПРИБОРКА <=> ДАТЧИК РУЛЯ <=> ABS <=> DME <=> AGS закончилась шина. Это важно, так как в случае рандомного проведения шины можно получить отражения сигналов, что может привести к постоянным ошибкам по CAN шине.

Все устройства общающиеся по CAN шине должны иметь одинаковый адрес (индекс) сети. Пишут, что его можно посмотреть через диагностическое оборудование DIS. Я не дошел до решения этого вопроса и возможно расскажу об этом в другой раз.

На фишке приборки есть какая-то перемычка CAN-R, что это и зачем оно нужно я могу лишь только догадываться. Предположим эта перемычка расположенная в проводке автомобиля дает знать приборке что имеется поддержка CAN шины и можно выходить на связь, но это не точно. Эту перемычку я сделал. Так же потребуется скорее всего выполнить активации CAN шины с помощью кодирования приборки в NCS Expert. Пока что обнаружил пункты связанные с CAN шиной, но еще не пробовал это делать на практике. Конечно об успехах напишу позже.

Для подключения к ABS необходимы дополнительные контакты, которые встречаются в старом коннекторе MS41 двигателя M52. Хорошенько потренируйтесь на старом коннекторе от мозгов двигателя, чтобы далее при установке контактов не накосячит в коннекторе ABS.

CAN шину можно соединять из двух косичек в одну. Пайка, термоусадки, и все равно все это дело в косичку. Есть определенные требования чтобы витки в таких соединениях были не реже чем в 3 см. Цифра взята с головы и точно не помню, но вы меня поняли, в косичку, максимально в косичку :)

-19

Дооснащение шиной CAN в коннекторе ABS

-20

Собрал разъем назад, мотаем изоленту, вешаем хомуты

-21

Новое расположение блока иммобилайзера EWS 3

В левой стенке под обивкой устанавливался блок круиза. Я его снял, он больше не нужен. Функции круиза теперь выполняет DME. Часть проводов от круиза была выплетена полностью. Часть порезана, только те провода что уходили под ковролин, ну не мог я еще и сидушки снять и ковры подымать, если бы снял сидушки была бы жопа, ну не то место где можно так сильно все разобрать, не гараж а холодная парковка.

Там где на рестайлинге стоит EWS3 у меня устанавливался черный блочек ЭБУ MFL мультируля (старый дорест мультируль он такой, именно с отдельным ЭБУ). Оказывается проводки ЭБУ MFL хватает с запасом чтобы комфортно расположить его на левом крыле, именно туда, где был блок круиза. На фото видно как теперь за обивкой стоит MFL блок. Такая рокировка позволила установить EWS3 на законное место, а это между прочим сократит длину проводов до катушки ключа, это нам и нужно!

Все соединения выполнялись по черновому, т.е без пайки и просто спрятаны в изоленте. Все соединения были переписаны в блокнот, для удобства их дальнейшей пропайки. Термоусадки припасены, хомутов пока что хватает, новый запас изоленты Rexant профессиональной пришел. Пайка будет очень скоро.

-22
-23
-24
-25
-26
-27

Вот такой вид получился в моторном отсеке. Кое где еще добавим изоленты, но уже попозже. На этом этапе произошел первый запуск.

Первый запуск мотора.
Салон без торпеды, приборку только подключил, ABS, GM3, LCM. Подключил клемму, посидел, покурил, вроде ничего страшного не происходит. Включил R, повторил паузу, ничего страшного не происходит. Ладно, пора, включаем зажигание, обходим мотор вдоль и поперек, нюхаем проводку, исполнительные узлы, смотрим все внимательно. Ничего страшного не происходит.

Насос топливный издает странные звука, потому что там топливо вперемешку с воздухом. Это не хорошо, надо прокачать топливо. Включаем зажигания и выключаем раз 15 с периодичностью секунд 30. Топливный насос перестал издавать плохие звуки и стал работать как положено. Я переживал что старые топливные шланги потекут в быстросъемах, но нет, ни одной капли и ни намека на запах топлива. Попробовал подключить диагностику, но INPA сказала что не видит DME. Ладно, разберусь потом. Решил запустить.

Тут нужно понимать что приемная труба не прикручена (ждем кардан), лямбды не установлены, соответственно стремно заводится, страшно что загорится что нибудь. Крутим ключ в старт, и блин он начал крутиться. Я был готов ко всему. Думал накосячу где нибудь с проводами, думал что китайская приблуда плохо прошьет ключ, что иммобилайзер придется дополнительно синхронизировать с ключом, что длина проводов до катушки окажется слишком длинная или катушка от дореста не подойдет, или потребуется синхронизация DME с EWS а INPA как назло не видит блок DME, но нет, взяло и запустилось с первого раза :))

Секунд 10 двигатель чихал в попытке схватить, набирал компрессию, в итоге через 10 секунд запустился и заработал. Выхлоп без приемной трубы злой-злой. Мне бы от 30% от этого звука на выходе с машины и я бы счастливый счастливый был :) Второй раз запуск двигателя через 2 минуты, завело с пол оборота. Попробовал погазовать. Не успеваешь дотронутся до педали, стрелка тахометра подрывается вверх. Не видел я такой динамики на своем старом моторе, не видел честно.

-28

На следующий день я решил проблему с диагностикой. Переместил 18 пин диагностического провода на 17, которого у меня вообще не было. А в X6021 этот же штырь от этого же провода на 15 пине перекинул на 2. В итоге провод от DME TXD приходит теперь на 17 пин двигателя. Почему 17 да все просто.

-29

Это коннектор диагностического шнура INPA. Он как раз замыкает 17 пин (TXD он же D-Bus) на кузовную шину K-Bus. Т.е все эти TXD, D-Bus, D-Line, K-Bus, K-Line, I-Bus, I-Line это практически одно и тоже, один и тот же протокол, но разное назначение узлов. Мозгам мотора и АКПП ведь не нужно общаться по K-шине во время работы, вот и сделали инженеры название TXD или D-шина, т.е шина, к которой можно только диагностическое оборудование подключать.

-30

ABRO WS904R

Ну и пришел бутиловый шнур (герметик), он же клей для вклейки лобовых стекол или герметик фар. Наверное самая приятная цена из всего что я видел. Долго вычислял артикул этого шнура, ведь искал его еще года два назад. Наверное плохо искал)

-31

🔗 https://pay.mysbertips.ru/83928782