Добавить в корзинуПозвонить
Найти в Дзене
Старый радио любитель

От Р-323 к Р-326М.

Испытав на стабильность гетеродин Р-323, я решил включить свой Р-326. Приемник Р-326М (Шорох-М )начал выпускаться в 1986 году, поэтому в нем используются только транзисторы (в том числе и двухзатворные полевые) и микросхемы. Приемник предназначен для приема радиостанций АМ, CW, можно принимать и SSB в диапазоне частот от 1,5 до 32 МГц, который разделен на 7 поддиапазонов. Схема с двумя преобразованиями: ПЧ1 на 1-3 подд. - 710 KHz, на 4-7 подд. - 2.8 MHz, ПЧ2 - 500 KHz. Избирательность по соседнему каналу обеспечивается аж четырьмя (!) ЭМФ с полосой пропускания 0,4, 0,8, 2,7 и 5,4 кГц. Чувствительность в режиме CW - не хуже 1,2 мкВ на сопротивлении 50 Ом. Выход НЧ, как и у Р-323, высокоомный - 600 и 4400 Ом, поэтому применил такой же трансформатор, как и с Р-323. Мне интересна схема гетеродина этого приемника, а там есть на что посмотреть. Схема такая же и несложная, как и KENWOOD TS-530. Транзистор генератора (2Т368Б) включен по схеме с общей базой, а сам генератор - по схеме емкос

Испытав на стабильность гетеродин Р-323, я решил включить свой Р-326.

Рис. 1.
Рис. 1.

Приемник Р-326М (Шорох-М )начал выпускаться в 1986 году, поэтому в нем используются только транзисторы (в том числе и двухзатворные полевые) и микросхемы. Приемник предназначен для приема радиостанций АМ, CW, можно принимать и SSB в диапазоне частот от 1,5 до 32 МГц, который разделен на 7 поддиапазонов. Схема с двумя преобразованиями: ПЧ1 на 1-3 подд. - 710 KHz, на 4-7 подд. - 2.8 MHz, ПЧ2 - 500 KHz. Избирательность по соседнему каналу обеспечивается аж четырьмя (!) ЭМФ с полосой пропускания 0,4, 0,8, 2,7 и 5,4 кГц. Чувствительность в режиме CW - не хуже 1,2 мкВ на сопротивлении 50 Ом.

Выход НЧ, как и у Р-323, высокоомный - 600 и 4400 Ом, поэтому применил такой же трансформатор, как и с Р-323.

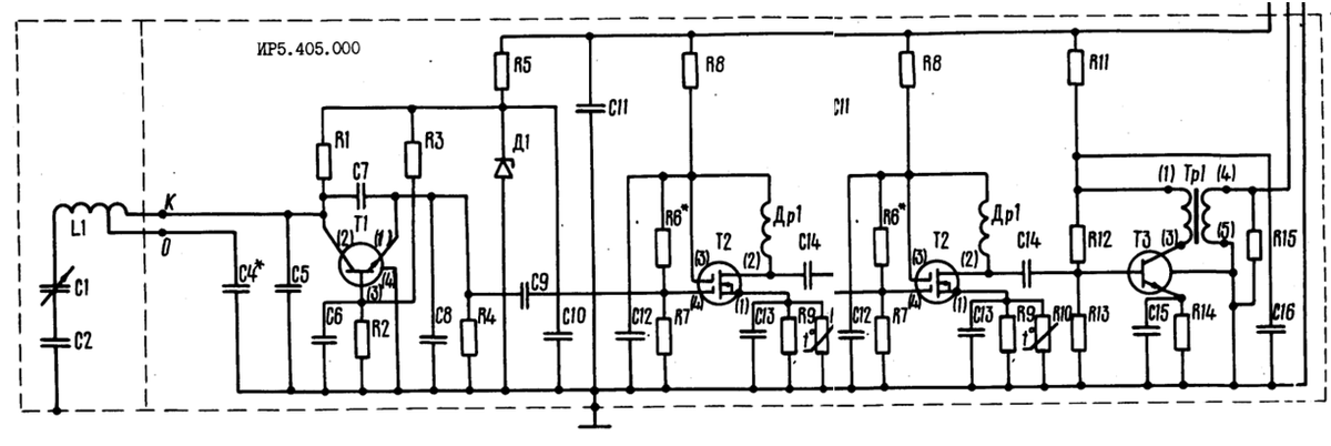
Мне интересна схема гетеродина этого приемника, а там есть на что посмотреть.

Рис. 2. Схема гетеродина Р-326М.
Рис. 2. Схема гетеродина Р-326М.

Схема такая же и несложная, как и KENWOOD TS-530. Транзистор генератора (2Т368Б) включен по схеме с общей базой, а сам генератор - по схеме емкостной трехточки. Сразу скажу, что никаких супер-пупер конденсаторов в контуре гетеродина не: С2 - воздушный, С4 - КД-1-М47 (4,7 пФ), С5 - КМ-5А-М47 (100 пФ), С7 - КМ-5А-М47 (82 пФ), С8 - того же типа, 150 пФ. КМ-5А - керамические конденсаторы группа ТКЕ М47 - небольшое отрицательное. Т.е. сочетания конденсаторов с положительным и отрицательным ТКЕ нет. Напряжение питания генератора стабилизировано стабилитроном Д818И.

Сигнал генератора снимается с эмиттерного резистора и попадает на двухкаскадный буферный усилитель на двухзатворных транзисторах 2П306Б. Оконечный усилитель собран на транзисторе КТ368Б, его нагрузкой является ВЧ трансформатор.

ГПД работает на всех поддиапазонах без переключений, его частота перестраивается в диапазоне от 35,04 до 58.48 МГц. И, если в Р-323 частота гетеродина на некоторых диапазонах удваивается, то в Р-326М частота гетеродина делится 4-мя D-триггерами серии К530 на 2, 4, 8 и 16. С выходов делителя частоты прямоугольные импульсы коммутируются диодными ключами на диода КД522Б на вход выходного усилителя, а с него - на диодный кольцевой смеситель на диодах того же типа.

А теперь посмотрим, каков приемник в деле. Если Р-323 я прогревал более 2-х часов, то Р-326М - всего 5 минут.

Рис. 3.
Рис. 3.

Так как у меня не нашлось разъема для подключения антенны, то пошел по простому пути: оплетку на массу под винт, центральную жилу - в гнездо. Антенна - VP2E, стоит на земле, верхняя точка на высоте 4м, питание по кабелю 50 Ом, длиной около 20 м.

Загружаю JTDX и все заработало!

Рис. 4.
Рис. 4.

Сразу принял японца JE5WOK и араба A71UN. Стабильность отличная. Перехожу на 12 м.

Рис. 5.
Рис. 5.

Здесь целая толпа японцев и проходят они с хорошим уровнем. Перехожу на десятку:

Рис. 6.
Рис. 6.

А здесь поймал австралийца VK6AS, правда не очень громко. Везде все дешифруется нормально. Пошел на двадцатку:

Рис. 7.
Рис. 7.

Здесь проскочил американец KH6M с хорошим уровнем. Обратил внимание. как быстро происходит стабилизация частоты при перестройке - всего чуть больше 15 с.

Отличный приемник! Можно менять полосу, отлично работает аттенюатор. А ведь раньше мне казалось, что он немного шумноват. Как я понял, это было из-за того, что я в качестве антенны использовал или штырь, который был в комплекте. А сегодня, когда я подсоединил антенну с кабельным питание, шум практически не мешал. А вот если отсоединить оплетку кабеля от корпуса, то шум начинает забивать сигнал.

Да, и еще: делить лучше, чем умножать :). Так что я со своим генератором 56 МГц и делителем иду правильным путем :)

Всем здоровья и успехов!