Добавить в корзинуПозвонить
Найти в Дзене
Сделай сам - своими руками

Мощный блок питания с защитой по току

Каждому человеку, собирающему электронные схемы, необходим универсальный источник питания, позволяющий в широких пределах изменять напряжение на выходе, контролировать ток и при необходимости отключать питаемое устройство. В магазинах подобные лабораторные блоки питания стоят весьма недёшево, но зато собрать такой можно самостоятельно из распространённых радиодеталей. Представленный блок питания включает в себя: Схема регулятора напряжения Самый простой и доступный вариант регулятора напряжения – схема на специальной микросхеме, называемой стабилизатором напряжения. Наиболее подходящим вариантом является LM338, она обеспечивает максимальный ток в 5 А и минимум пульсаций на выходе. Также сюда подойдут LM350 и LM317, но максимальный ток в этом случае составит 3 А и 1,5 А соответственно. Переменный резистор служит для регулировки напряжения, его номинал зависит от того, какое максимальное напряжение необходимо получить на выходе. Если максимальное выходное требуется 24 вольта – необходим
Оглавление

Каждому человеку, собирающему электронные схемы, необходим универсальный источник питания, позволяющий в широких пределах изменять напряжение на выходе, контролировать ток и при необходимости отключать питаемое устройство. В магазинах подобные лабораторные блоки питания стоят весьма недёшево, но зато собрать такой можно самостоятельно из распространённых радиодеталей.

Представленный блок питания включает в себя:

  • Регулировку напряжения до 24 вольт;
  • Максимальный ток, отдаваемый в нагрузку, до 5 ампер;
  • Защиту по току с выбором нескольких фиксированных значений;
  • Активное охлаждение для работы при больших токах;
  • Стрелочные индикаторы тока и напряжения;

Схема регулятора напряжения

-2

Самый простой и доступный вариант регулятора напряжения – схема на специальной микросхеме, называемой стабилизатором напряжения. Наиболее подходящим вариантом является LM338, она обеспечивает максимальный ток в 5 А и минимум пульсаций на выходе. Также сюда подойдут LM350 и LM317, но максимальный ток в этом случае составит 3 А и 1,5 А соответственно. Переменный резистор служит для регулировки напряжения, его номинал зависит от того, какое максимальное напряжение необходимо получить на выходе. Если максимальное выходное требуется 24 вольта – необходим переменный резистор сопротивлением 4,3 кОм. В этом случае нужно взять стандартный потенциометр на 4.7 кОм и соединить параллельно с ним постоянный на 47 кОм, общее сопротивление получится примерно 4.3 кОм. Для питания всей схемы необходим источник постоянного тока с напряжением 24-35 вольт, в моём случае это обычный трансформатор со встроенным выпрямителем. Также можно применять зарядные устройства ноутбуков или другие различные импульсные источники, подходящие по току.

Данный регулятор напряжения является линейным, а значит, вся разница между входным и выходным напряжением приходится на одну микросхему и рассеивается на ней в виде тепла. При больших токах это весьма критично, поэтому микросхема должна быть установлена на большом радиаторе, лучше всего для этого подойдёт радиатор от процессора компьютера, работающий в паре с вентилятором. Для того, чтобы вентилятор не вращался всё время зря, а включался только при нагреве радиатора, необходимо собрать небольшой датчик температуры.

Схема управления вентилятором

-3

В его основе лежит NTC термистор, сопротивление которого меняется в зависимости от температуры - при увеличении температуры сопротивление значительно уменьшается, и наоборот. Операционный усилитель выполняет роль компаратора, регистрируя изменение сопротивление термистора. При достижении порога срабатывания на выходе ОУ появляется напряжение, транзистор отпирается и запускает вентилятор, вместе с которым загорается светодиод. Подстроечный резистор служит для настройки порога срабатывания, его номинал стоит выбирать исходя из сопротивления термистора при комнатной температуре. Допустим, термистор имеет сопротивление 100 кОм, подстроечный резистор в этом случае должен иметь номинал примерно 150-200 кОм. Главное преимущество этой схемы – наличие гистерезиса, т.е. разницы между порогами включения и выключения вентилятора. Благодаря гистерезису не происходит частого включения-выключения вентилятора при температуре, близкой к пороговой. Термистор выводится на проводках непосредственно на радиатор и устанавливается в любое удобное место.

-4
-5
-6

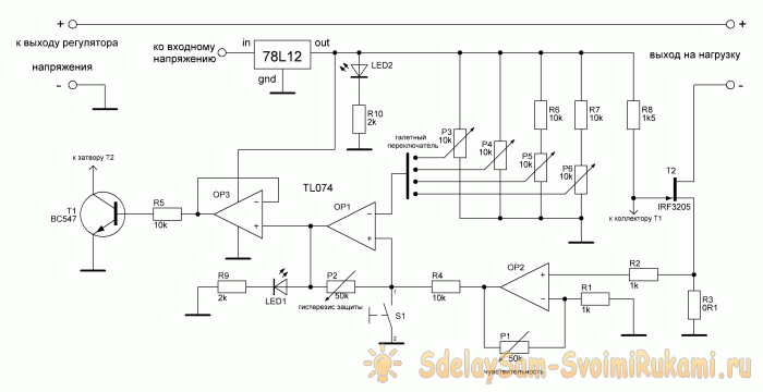
Схема защиты по току

-7

Пожалуй, самая важная часть всего блока питания – защита по току. Работает она следующим образом: падение напряжение на шунте (резистор сопротивлением 0.1 Ом) усиливается до уровня 7-9 вольт и с помощью компаратора сравнивается с эталонным. Эталонное напряжение для сравнения задаётся четырьмя подстроечными резисторами в диапазоне от нуля до 12 вольт, вход операционного усилителя подключается к резисторам через галетный переключатель на 4 положения. Таким образом, меняя положение галетного переключателя мы можем выбирать из 4-х заранее установленных вариантов токов защиты. Например, можно установить следующие значения: 100 мА, 500 мА, 1,5 А, 3 А. При превышении тока, заданного галетным переключателем, сработает защита, напряжение перестанет поступать на выход и загорится светодиод. Для сброса защиты достаточно кратковременно нажать на кнопку, напряжение на выходе появится вновь. Пятый подстроечный резистор необходим для установки коэффициента усиления (чувствительности), его нужно установить так, чтобы при токе через шунт 1 Ампер напряжение на выходе ОУ было примерно 1-2 вольта. Резистор настройки гистерезиса срабатывания защиты отвечает за «чёткость» защёлкивания схемы, его нужно настраивать в том случае, если напряжение на выходе не пропадает полностью.Данная схема хороша тем, что имеет высокую скорость срабатывания, моментально включая защиту при превышении тока.

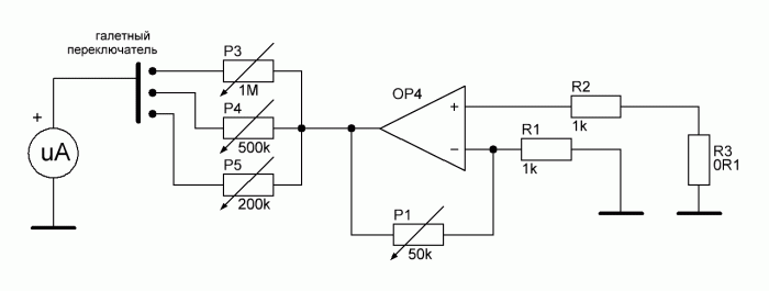
Блок индикации тока и напряжения

Большинство лабораторных блоков питания оснащено цифровыми вольтметрами и амперметрами, показывающими величины в виде цифр на табло. Такой вариант компактен и обеспечивает неплохую точность показаний, однако совершенно неудобен для восприятия. Именно поэтому для индикации решено использовать стрелочные головки, показания которых легко и приятно воспринимаются. В случае с вольтметром всё просто – он подключается к выходным клеммам блок питания через подстроечный резистор с сопротивлением примерно 1-2 МОм. Для правильной работы амперметра необходим усилитель шунта, схема которого показана ниже.

-8

Подстроечный резистор необходим для настройки коэффициента усиления, в большинстве случаев его достаточно оставить в среднем положении (примерно 20-25 кОм). Стрелочная головка подключается через галетный переключатель, с помощью которого можно выбирать один из трёх подстроечных резисторов, с помощью которых задаётся ток максимального отклонения амперметра. Таким образом, амперметр может работать в трёх диапазонах – до 50 мА, до 500 мА, до 5А, это обеспечивает максимальную точность показаний при любом токе нагрузки.

-9

Сборка платы блока питания

Плата печатная: https://sdelaysam-svoimirukami.ru/4935-moschnyj-blok-pitanija-s-zaschitoj-po-toku.html

Теперь, когда все теоретические аспекты учтены, можно приступать к сборке электронной части конструкции. Все элементы блока питания – регулятор напряжения, датчик температуры радиатора, блок защиты, усилитель шунта для амперметра собираются на одной плате, размеры которой 100х70 мм. Плата выполняется методом ЛУТ, ниже представлены несколько фотографий процесса изготовления.

-10
-11
-12

Силовые дорожки, по которым течёт ток нагрузки, желательно залудить толстым слоем припоя для уменьшения сопротивления. Сперва на плату устанавливаются мелкие детали.

-13

После этого все остальные компоненты. Микросхему 78L12, питающую датчик температуры и кулер, необходимо установить на небольшой радиатор, место для которого предусмотрено на печатной плате. В последнюю очередь на плату запаиваются провода, на которых выводятся вентилятор, термистор, кнопка сброса защиты, галетные переключатели, светодиоды, микросхема LM338, вход и выход напряжения. Вход напряжения удобнее всего подключить через DC разъём, при этом необходимо учитывать, что он должен обеспечивать большой ток. Все силовые провода необходимо использовать соответствующего току сечения, желательно медные. Плюс выхода с печатной платы идёт к выходным клеммам не напрямую, а через тумблер с двумя группами контактов. Вторая группа при этом включает и выключает светодиод, показывающий, подаётся ли на клеммы напряжение.

-14
-15
-16
-17

Сборка корпуса

Корпус можно как найти готовый, так и собрать самостоятельно. Изготовить его можно, например, из фанеры и ДВП, как я и сделал. В первую очередь вырезается прямоугольная передняя панель, на которой будут установлены все органы управления.

-18

Затем изготавливаются стенки и днище ящика, конструкция скрепляется воедино саморезами. Когда готов каркас, можно устанавливать внутрь всю электронику.

-19

Органы управления, стрелочные головки, светодиоды устанавливаются на свои места в передней панели, плата укладывается внутри корпуса, радиатор с вентилятором крепятся на заднюю панель. Для крепления светодиодов используются специальные держатели. Выходные клеммы желательно продублировать, тем более что место позволяет. Размеры корпуса получились 290х200х120 мм, внутри корпуса остаётся ещё много свободного пространства, и туда может уместиться, например, трансформатор для питания всего аппарата.

-20
-21
-22
-23
-24
-25
-26

Настройка

Несмотря на множество подстроечных резисторов, настройка блока питания довольно проста. Первых делом калибруем вольтметр, подключив к выходным клеммам внешний. Вращая подстроечный резистор, включенный последовательно со стрелочной головкой вольтметра добиваемся равенства показаний. Затем подключаем на выход какую-либо нагрузку с амперметром и калибруем усилитель шунта. Вращая каждый и трёх подстрочных резисторов добиваемся совпадений показаний на каждом из трёх диапазонов измерений амперметра – в моём случае это 50 мА, 500 мА и 5А. Далее устанавливаем необходимые токи защиты с помощью четырёх подстроечных резисторов. Сделать это несложно, учитывая, что штатный амперметр уже откалиброван и показывает точный ток. Плавно повышаем напряжение (при этом повышается и ток) и смотрим, при каком токе срабатывает защита. Затем вращаем каждый из резисторов, устанавливая четыре нужных тока защиты, между которыми можно переключаться с помощью галетного переключателя. Теперь осталось лишь установить нужный порог срабатывания датчика температуры радиатора – настройка закончена.

-27

Смотрите видео

Простой индукционный нагреватель 12 В
3 приставки для расширения функционала мультиметра
Антенна из кабеля для цифрового ТВ за 5 минут
Как устранить свечение выключенной светодиодной лампы?
10 Ваттный светодиодный светильник