Добавить в корзинуПозвонить
Найти в Дзене
ДКО Электронщик

Оптимальное питание: SIP-преобразователи третьего поколения серии LS от MORNSUN

Для создания источников питания (ИП) маломощных устройств от однофазной сети переменного тока компания MORNSUN предлагает серию AC-DC преобразователей LS для монтажа на печатную плату. В тех случаях, когда необходим более защищенный вариант, рекомендуется использовать инкапсулированные модули LSxx-23BxxDR3, выполненные в герметичном корпусе, залитом компаундом (рис. 1). Отличительные черты серии LS – широкий диапазон входного напряжения, допускающий как переменное, так и постоянное напряжение, высокая надежность, малое энергопотребление, усиленная изоляция и широкие возможности использования. Эти преобразователи подходят для применения в промышленных приложениях, электроэнергетике, контрольно-измерительных приборах и устройствах учета ресурсов, системах «умный дом» и IoT – в тех случаях, когда требования к габаритам очень высоки, а к электромагнитной совместимости соответствуют параметрам серии LS. Основные технические характеристики: Рекомендуемая схема источников питания,

Для создания источников питания (ИП) маломощных устройств от однофазной сети переменного тока компания MORNSUN предлагает серию AC-DC преобразователей LS для монтажа на печатную плату. В тех случаях, когда необходим более защищенный вариант, рекомендуется использовать инкапсулированные модули LSxx-23BxxDR3, выполненные в герметичном корпусе, залитом компаундом (рис. 1).


Рис. 1. Модуль преобразователя серии LSxx-23BxxDR3 производства MORNSUN
Рис. 1. Модуль преобразователя серии LSxx-23BxxDR3 производства MORNSUN

Отличительные черты серии LS – широкий диапазон входного напряжения, допускающий как переменное, так и постоянное напряжение, высокая надежность, малое энергопотребление, усиленная изоляция и широкие возможности использования. Эти преобразователи подходят для применения в промышленных приложениях, электроэнергетике, контрольно-измерительных приборах и устройствах учета ресурсов, системах «умный дом» и IoT – в тех случаях, когда требования к габаритам очень высоки, а к электромагнитной совместимости соответствуют параметрам серии LS.

Основные технические характеристики:

  • Герметичный корпус из негорючего пластика, соответствующий стандарту UL94V-0;
  • Диапазон входных напряжений: 85…305 В AC и 100…430 В DC (при выходной мощности 80% и температуре окружающей среды 25 °C);
  • Варианты выходной мощности: 3.3, 5, 9.9 и 15 Вт (3.3 и 9.9 – только для выходного напряжения 3.3 В и указаны в маркировке как 5 и 15, соответственно);
  • Варианты выходного напряжения: 3.3, 5, 9, 12, 15 и 24 В DC;
  • КПД преобразования: до 84%;
  • Номинальная потребляемая мощность без нагрузки: 0.1 Вт;
  • Изоляция между первичной и вторичной сторонами: 4 кВ AC;
  • Диапазон рабочих температур окружающей среды: -40…85 °C при 40…50% мощности от номинальной и -40…55 °C при нагрузке 100%.

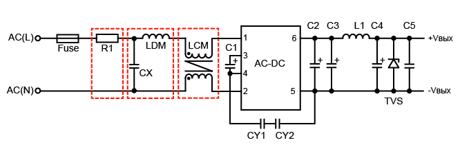
Рекомендуемая схема источников питания, построенных с использованием SIP-модулей LS15-23BxxDR3, показана на рис. 2.

Рис. 2. Схема ИП на основе модуля серии LS мощностью 15 Вт для эксплуатации в бытовых устройствах
Рис. 2. Схема ИП на основе модуля серии LS мощностью 15 Вт для эксплуатации в бытовых устройствах

Производители: MORNSUN

Разделы: AC-DC источники питания