Найти в Дзене
Добрый Аудиофил

3 Ламповых Ватта vs 100 Транзисторных Ватт - кто кого в вопросах прокачки баса и контроля акустики?

Всем Доброго Аудиофильского!!! Я тут в отпуске был. Ну вернее как. Я посты писал. На комменты отвечал. Хотя тут Весна пришла. Я на комменты отвечал в основном нажатием кнопки "Забанить". Парни с Загородного Шоссе, что аккурат в Центре Москвы, рядом с площадью Гагарина(там Кащенко находится. И как они такой адрес для этого места выбрали??? Загородное Шоссе в Центре Большого Города!!!) отжигали как могли. Походу опять к соседскому Вай-Фаю пароль подобрали. Уж не знаю кто у них там соседи, что Вай-Фай без усиленного антифишинга раздают. Ну чтобы лимит на 3 попытки входа с неверным паролем. Ну да не суть. Есть у меня толковые подписчики на канале. И я бы даже сказал Пробивные. Один из них смог пробиться ВЕСНОЙ с умной мыслью!!! Подкинул тему для сегодняшней статьи!!! За что ему большое спасибо!!! *** В общем тема такая. Мы все эту историю слышали. Вот есть Радиотехника У101. Вот подключаем ее к Полнодиапазонным Акустическим Системам. А ей вдруг раз - и мощности не хватает. Причем и

Всем Доброго Аудиофильского!!!

Я тут в отпуске был. Ну вернее как. Я посты писал. На комменты отвечал.

Хотя тут Весна пришла. Я на комменты отвечал в основном нажатием кнопки "Забанить".

Парни с Загородного Шоссе, что аккурат в Центре Москвы, рядом с площадью Гагарина(там Кащенко находится. И как они такой адрес для этого места выбрали??? Загородное Шоссе в Центре Большого Города!!!) отжигали как могли. Походу опять к соседскому Вай-Фаю пароль подобрали. Уж не знаю кто у них там соседи, что Вай-Фай без усиленного антифишинга раздают. Ну чтобы лимит на 3 попытки входа с неверным паролем.

Ну да не суть. Есть у меня толковые подписчики на канале. И я бы даже сказал Пробивные. Один из них смог пробиться ВЕСНОЙ с умной мыслью!!!

Подкинул тему для сегодняшней статьи!!!

За что ему большое спасибо!!!

***

В общем тема такая.

Мы все эту историю слышали. Вот есть Радиотехника У101. Вот подключаем ее к Полнодиапазонным Акустическим Системам. А ей вдруг раз - и мощности не хватает. Причем именно слышно, что басы кряхтят как на перегрузе.

Хотя там 20 ватт на канал. Но ей бы полочники какие с басами максимум до 50 Гц раскачивать.

А вот берем Ламповый усилитель на 3 Ватта - а он эти Полнодипазонники без всяких тембров качает так, словно они сабвуфером быть рождены. Ну может не очень громко это делает. Но с басам и вот вообще никаких проблем. Может еще и тактильно пинаться начать.

Что за дела вообще? Где тут Хот Дога зарыли??? Можно его в салат малька врезать?

Давайте разложим по полочкам эту Оливьешку!!!

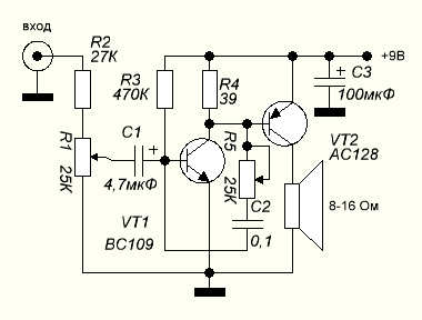
1. Усилитель Транзисторный.

фото отсюда http://rcl-radio.ru/?p=40041

Привет хейтерам. У меня и схемы из интернета. И я их в глаза не видел и не слышал.

Смотрите, что тут творится.

Тут у нас 2 транзистора. Левый - он амплитуду усиливает.

Делает это следующим образом. Ток протекающий через транзистор, заодно течет через резистор сверху него. На этом резисторе, согласно Закону Ома при росте тока, происходит падение напряжения.

За счет этого процесса Амплитуда увеличивается.

Дальше стоит транзистор задача которого быть усилителем тока. Т.е. ему пришло 5 Вольт с током в 10 мА, а он выдал даже ниже, 4.3 Вольта. Но вот ток в 1.5 Ампера для 4х Омного динамика.

Т.е. пришло ему во вход 0.05 Ватта, а он выдал целых 5 Ватт.

Но есть тут один важный нюанс. Коэффициент этого усиления по току, он скажем единиц 60. И это значит, что входное сопротивление Базы его в 60 раз выше, чем сопротивление нагрузки.

Т.е. динамик 4 Ома, а на базе этого транзистора 240 Ом.

Я не просто так это дело подробно и именно к Омам входного сопротивления Базы транзистора привел.

Дело в том, что усилитель Напряжения. Что первый каскад в этой схеме. Он весьма чувствителен к входному сопротивлению второго каскада.(Это не совсем верно, и зависит от задачи выбора баланса потребления, нагрева, размера радиатора, и качества работы. В большинстве случаев выбор делается в пользу безрадиаторной рентабельности организации работы этого каскада. Радиаторы нынче стоят в 20 - 70 раз дороже транзисторов)

И тут важный момент. Если это сопротивление проседает. То проседает амплитуда выходящая из первого каскада. А если проседает еще сильнее, то амплитуда еще и клиппируется.

Там особые игры в протекающие токи в этой цепи.

Но я к чему это все?

Я к это к тому, что в динамике нашем катушка намотана. А она индуктивность имеет.

А это значит, что на 1 кГц там сколько Ом будет? Там ведь не 4 их. Там их в районе 60.

А вот на Басу. Вот там да. Там 4 Ома...

Вы уже поняли, да? Усилок наш Транзисторный, что 5 Ватт на 1 кГц выдает. Он это делает в 60 Ом Реактивной Нагрузки.

Это у нас проблемы с расчетами. Мы ведь как мощность считаем? Мы меряем напряжение на выходе под нагрузкой, и на официальные Омы в динамике.

А по факту-то там другой ТОК течет.

И как итог вся эта история резко проседает на 50, и особенно на 30 Гц.

У Транзисторного усилителя начинается резкий завал АЧХ. И он басы не вывозит. Они просто у него просели.

И чтобы он их удержал, нужно его разгонять до 100 Ватт.

За стабильностью АЧХ в Транзистоных усилителях следит ООС. Если сигнал на ней просел, то Диф-Каскад на входе, повышает подаваемое напряжение. На каскад раскачки амплитуды.

И если там запас есть, скажем до 20 Вольт - то моща будет. А если там запаса нет. То там или клиппинг будет, и басы закряхтят. Или амплитуда еще сильнее просядет и баса вообще не будет.

Это мы и имеем. Радиотехника у 101 еще как-то бычится. А если мы усилитель из переносного кассетника цепляем, то баса там нет вообще. Хотя в наушники вида ТДС-5 он весьма забористо и упруго басит!!!

2. Ламповый Усилитель.

-2

фото отсюда https://radio-guru.ru/lampy-radiolampy-ehvp/product-390784

Ну тут все просто. Снова фото из интернета.

Тут смотрите на выходную Лампу справа, и Лампу перед ней.

Увидели? Схема один в один, только Лампы вместо Транзисторов.

Раскачка амплитуды тем же способом.

Один нюанс. Входное сопротивление управляющей сетки Выходной Лампы - оно в 1 МегаОм.

Оно как бы ни гуляло, а на соседний каскад не влияет. Оно тут как у Полевого Транзистора.

Да еще и Трансформатор на выходе. У него ведь выходное сопротивление, как входное у динамика. Ведь тоже катушка намотана. На низких частотах - оно низкое, на Средних - среднее. На высоких... ну вы поняли. Главное пищалку на 26 Ом Активного Сопротивления поставить. Чтобы на Реактивном вообще все правильно встало. Что в колонках частенько и делают кстати.

В общем суть вы поняли.

Ламповику на ваше гуляющее сопротивление в динамике по боку. Оно у или в трансформаторе так же гуляет обратно-компенсируясь, или в Лампе настолько высокий коэффициент "сжатия токов девиации" имеет(заумный термин я понимаю), что если куда чего и вылезет - то во вторую гармонику, приятной глубиной, в этом самом басу!!!

***

Вот такие дела.

Спасибо, что дочитали!!!

-3

он еще и фото коллаж на обложку из фото в статье из интернета сделал.