Добавить в корзинуПозвонить
Найти в Дзене
Ruslan Tarasevich

Как определить параметры реле

Здравствуй уважаемый читатель! При ремонте устройств промышленного назначения бывает необходимо проверить реле на стенде или заменить его подходящим по параметрам. Очень часто бывает что модель и основные параметры на его корпусе никак не обозначены. Производитель модуля предполагает, что вы закажете этот блок целиком :) Наивные иностранцы)))) В статье я расскажу как просто можно определить напряжение включения реле, его номинальный ток срабатывания и ток отпускания. Сегодня наш подопытный кролик - реле от блока управления горелкой на жидком топливе. Это реле не стандартное и оно не маркировано. Т.е. отсутствует информация о его модели и номинальном напряжении. Определим значение сопротивления обмотки реле измерив его мультиметром - оно равно 3 кОм. Воспользуемся лабораторным блоком питания и соберем стенд с вольтметром и амперметром для определения U срабатывания реле и номинального тока удержания. Будем увеличивать напряжение от 0 Вольт до значения U пока реле не сработает. Реле с

Здравствуй уважаемый читатель!

При ремонте устройств промышленного назначения бывает необходимо проверить реле на стенде или заменить его подходящим по параметрам. Очень часто бывает что модель и основные параметры на его корпусе никак не обозначены. Производитель модуля предполагает, что вы закажете этот блок целиком :)

Наивные иностранцы)))) В статье я расскажу как просто можно определить напряжение включения реле, его номинальный ток срабатывания и ток отпускания.
Определяем сопротивление обмотки реле
Определяем сопротивление обмотки реле

Сегодня наш подопытный кролик - реле от блока управления горелкой на жидком топливе. Это реле не стандартное и оно не маркировано. Т.е. отсутствует информация о его модели и номинальном напряжении.

Определим значение сопротивления обмотки реле измерив его мультиметром - оно равно 3 кОм.

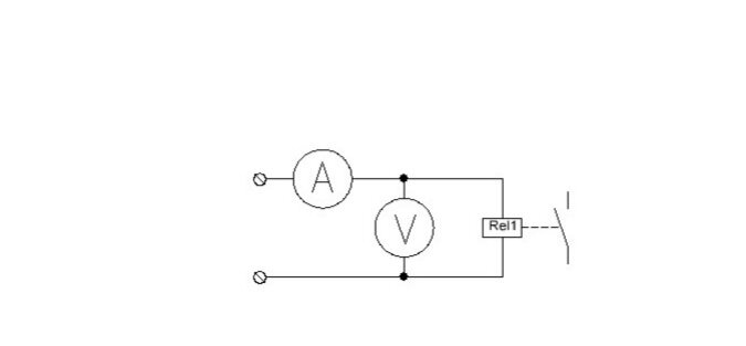
Воспользуемся лабораторным блоком питания и соберем стенд с вольтметром и амперметром для определения U срабатывания реле и номинального тока удержания.

Схема проверки параметров реле
Схема проверки параметров реле

Будем увеличивать напряжение от 0 Вольт до значения U пока реле не сработает. Реле сработало на напряжении в 16 Вольт при токе в 8 мА. Обычно реле на такое значение напряжения не выпускают.

Лабораторный блок питания
Лабораторный блок питания

Ближайшее значение напряжения в большую сторону 24В. Вся промышленная автоматика работает при 24В, так что скорее всего и реле на 24. При питании реле от 24 Вольт ток проходящий через катушку реле составляет 10мА.

Уменьшаем напряжение питания с ЛБП до 7В при котором реле отключается, ток при этом составляет 5мА.

Всем спасибо за то что прочитали статью!

Читайте также статьи:

5 самых распространенных причин отказа DVB T2 тв приставки

Устройство импульсного блока питания

Дефектуем плохие конденсаторе на плате приемника (видео)

Тестируем OSA103 Осциллограф

настройка УМЗЧ при помощи осциллографа OSA103

Цифровой Осциллограф / Генератор/ Проверка трансформатора

Как правильно проверять радиостанции

Маломощные высокочастотные разъемы

А как вы определяете параметры реле?

Напишите об этом в комментариях.

Ставьте лайк, подписывайтесь на канал , будет много интересных публикаций.