Добавить в корзинуПозвонить
Найти в Дзене

Как подключить внешний микрофон к фотоаппарату Sony NEX 5R, личный опыт

Друзья привет. Тут вот недавно задался проблемой, как подключить внешний микрофон к своей камере Sony NEX 5R и прост не думал, что всё окажется так сложно. Для начала, конечно же, полез в интернет, просмотрел кучу видео, как на нашем, так и на буржуйском ютубах. Но подробного ответа так и не нашёл. Несколько человек показывали, как установить внешний микрофон на Sony NEX 5, но этот способ категорически не подходил для Sony NEX 5R так как звук записанный с внешнего микрофона очень сильно гудит. В общем пришлось всё делать по новому. Для начала скачал распиновку по контактам проприетарного разъёма, чтобы выяснить к каким выводам нужно подключать микрофон. Вот так она выглядит и для правильного определения, что включён микрофон, нужно подобрать резисторы. Такая схема тоже есть в сети, но для Sony NEX 5. И вот так она выглядит В общем разобрал родную вспышку, выкинул оттуда плату, но оставил саму лампу - вспышку, чтоб она закрывала дырку и навесным монтажом спаял все детали, а разъём 3,

Друзья привет. Тут вот недавно задался проблемой, как подключить внешний микрофон к своей камере Sony NEX 5R и прост не думал, что всё окажется так сложно.

Для начала, конечно же, полез в интернет, просмотрел кучу видео, как на нашем, так и на буржуйском ютубах. Но подробного ответа так и не нашёл. Несколько человек показывали, как установить внешний микрофон на Sony NEX 5, но этот способ категорически не подходил для Sony NEX 5R так как звук записанный с внешнего микрофона очень сильно гудит.

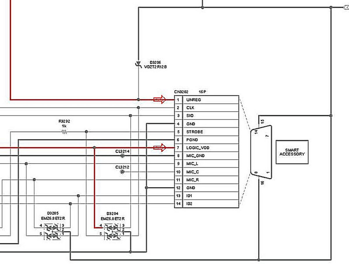
В общем пришлось всё делать по новому. Для начала скачал распиновку по контактам проприетарного разъёма, чтобы выяснить к каким выводам нужно подключать микрофон. Вот так она выглядит

распиновка проприетарного разъёма Sony NEX 5R
распиновка проприетарного разъёма Sony NEX 5R

и для правильного определения, что включён микрофон, нужно подобрать резисторы. Такая схема тоже есть в сети, но для Sony NEX 5. И вот так она выглядит

к каким выводам припаивать микрофон на Sony NEX 5
к каким выводам припаивать микрофон на Sony NEX 5

В общем разобрал родную вспышку, выкинул оттуда плату, но оставил саму лампу - вспышку, чтоб она закрывала дырку и навесным монтажом спаял все детали, а разъём 3,5 просто поставил сбоку. Схема заработала, но при подключении любого микрофона в записи было слышно неимоверное количество помех, рычания, писка и прочих посторонних звуков.

Дальше пошла доработка схемы. В неё добавляли и резисторы, и транзисторы, по советам одного гуру даже ставили диод и индуктивность, но ничего не помогало.

И схема заработала только тогда, когда просто впаяли по одному электролитическому конденсатору на 47 мКф на канал. Вот так

доработанная схема распайки микрофона на Sony NEX 5R
доработанная схема распайки микрофона на Sony NEX 5R

И это решение оказалось самым правильным. Все шумы и рычания кондёрчики удалили, правда и громкость стала ниже, но это не беда и её всегда можно поднять в видео редакторе.

В общем как то так. Сейчас фотик смотрится таким образом

А видео со всеми тестами выйдет немножко позже. Так, что если эта тема вас заинтересовала, то подпишитесь на канал, чтобы не пропустить.