Найти в Дзене
Not_facebooked

Активный корректор коэффициента мощности. Часть 6. Силовая часть.

В предыдущей части был выбран тип силовой части ККМ - 2х-фазный boost-конвертер. Но закладывать в проект boost-конвертер на 5 кВт без демпфирующих цепей (далее для краткости просто – «снабберы»), снижающих коммутационные потери, будет сильно самоуверенно и просто неправильно. А «прикрутить» снабберы к стандартному «бусту» не так просто, как может показаться на первый взгляд. Кроме этого желательно использовать бездиссипативные/регенеративные снабберы, что усложняет задачу. Еще более усложняет ситуацию то обстоятельство, что ККМ работает в очень широком диапазоне входных напряжений: от 0 до 375 В, а также при изменении коэффициента заполнения от, примерно, 0,05 до 0,95. Не забываем и про характер нагрузки - сварочный инвертор, а это "плохая" нагрузка. Можно, конечно, сослаться на App Note от уважаемой фирмы «Техасские инструменты», в которой “TI” предлагают референсный дизайн ККМ на 5 кВт без снабберов, но можно предположить, что в “TI” просто решили не напрягаться со снабберами, р

В предыдущей части был выбран тип силовой части ККМ - 2х-фазный boost-конвертер. Но закладывать в проект boost-конвертер на 5 кВт без демпфирующих цепей (далее для краткости просто – «снабберы»), снижающих коммутационные потери, будет сильно самоуверенно и просто неправильно. А «прикрутить» снабберы к стандартному «бусту» не так просто, как может показаться на первый взгляд. Кроме этого желательно использовать бездиссипативные/регенеративные снабберы, что усложняет задачу. Еще более усложняет ситуацию то обстоятельство, что ККМ работает в очень широком диапазоне входных напряжений: от 0 до 375 В, а также при изменении коэффициента заполнения от, примерно, 0,05 до 0,95. Не забываем и про характер нагрузки - сварочный инвертор, а это "плохая" нагрузка. Можно, конечно, сослаться на App Note от уважаемой фирмы «Техасские инструменты», в которой “TI” предлагают референсный дизайн ККМ на 5 кВт без снабберов, но можно предположить, что в “TI” просто решили не напрягаться со снабберами, решив, что для демонстрационной «аппликухи» сойдет и так [1]. А кому не сойдет, тот сам прикрутит какой-нибудь снаббер.

Итак, для будущего ККМ потребуется двухфазная boost-топология силовой части с демпфирующими цепями, обеспечивающими «мягкое» включение и выключение всех силовых полупроводников конвертера. Нужно где-то ее найти...

Существует масса публикаций по этой тематике и нам нужно провести своего рода «конкурсный отбор» и выбрать оптимальный вариант. Предварительный отбор автор этой статьи произвел, но пока не определился с победителем. Рассмотрим несколько вариантов, и начнем с силовой части, описанной в [2], а ее развитие – в [3]. Существует большое многообразие двухфазных повышающих преобразователей, например, интересный вариант обсуждается в [4] и [5]. В работе [6] приводятся сравнительные расчеты для случаев понижающего и обратноходового конвертеров в одно- и двухфазном вариантах. "Безмостовые" варианты рассматриваться не будут.

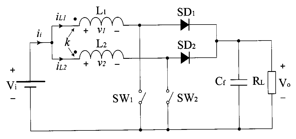
На рисунке рис.1 приведена схема силовой части из [2]. Используется двухобмоточный силовой дроссель, который можно представить (а при необходимости и изготовить) в виде трех независимых индуктивностей, как это показано на рис.2.

Рис.1. Топология силовой части двухфазного boost-конвертера с магнитосвязанным дросселем [2].
Рис.1. Топология силовой части двухфазного boost-конвертера с магнитосвязанным дросселем [2].
Рис. 2. Эквивалентное представление магнитосвязанного дросселя.
Рис. 2. Эквивалентное представление магнитосвязанного дросселя.

Здесь Lm – индуктивность намагничивания, а L1’, L2’ – индуктивности рассеивания.

При предварительном моделировании определилась величина Lm, которая выбрана равной 600 мкГн, вспомогательные (коммутирующие) дроссели L1 и L2 в первом приближении должны иметь индуктивность порядка 10 мкГн и более. Изготовить на практике такой двухобмоточный дроссель с нормированной индуктивностью рассеивания затруднительно, а изменить ее при необходимости простыми средствами невозможно. Поэтому далее будет предполагаться, что в реальном ККМ будет три дросселя: Lm, L1 и L2. Между указанными индуктивностями действуют следующие соотношения:

L1’=L1-Lm, L2’=L2-Lm, Lm=k(L1*L2)^0.5. (1)

Кратко покажем принцип работы данного преобразователя. На рис.3 показаны различные последовательные состояния преобразователя.

-3
-4
Рис. 3. Коммутационные состояния преобразователя по схеме на рис.1, 2.
Рис. 3. Коммутационные состояния преобразователя по схеме на рис.1, 2.

Состояние рис.3 (а). В момент времени t0 ключ SW1 замкнут, ток в L1’ начинает нарастать, а в L2’ спадать (ток в L2’ возник в предыдущем такте).

Состояние рис.3 (b). В момент времени t1 ток L2’ спадает до нуля, а ток в L1’ продолжает нарастать до величины тока в lm. Диод SD2 мягко запирается. За счет L2’ транзистор SW1 мягко открывается при «нулевом токе».

Состояние рис.3 (c). В момент времени t2 ключ SW1 размыкается, диод SD1 открывается и ток Lm и L2’ начинает течь в нагрузку и выходной конденсатор Cf.

В течение состояний рис.3 (d)-(f) происходят те же процессы, что и при состояниях (а)-(с) только для второго плеча конвертера. Математическая часть описания работы конвертера не приводится в целях экономии объема контента. Заинтересованному читателю лучше познакомиться с работой [2] в оригинале. На рис.4 показаны «осциллограммы» токов и напряжений конвертера, иллюстрирующие его работу.

Рис. 4. Диаграммы токов и напряжений конвертера из [2].
Рис. 4. Диаграммы токов и напряжений конвертера из [2].

Не трудно заметить, что дроссель Lm работает в режиме непрерывного тока, а дроссели L1’, L2’ в режиме разрывных токов, что требует использовать в качестве их магнитопроводов материалы с низкими потерями на перемагничивание (ферриты).

Необходимо отметить, что величина индуктивности L1’, L2’ ограничена «снизу»: если индуктивность слишком мала, тогда boost-диоды могут одновременно находиться в состоянии проводимости в состояниях (с) и (f). Другими словами, конвертер будет себя вести как обычный boost-преобразователь с параллельно включенными транзисторами и boost-диодами. Поэтому вспомогательные дроссели должны иметь минимальную индуктивность, удовлетворяющую условию:

(Vout – Vin)L1’/Lm > 1 вольт, (Vout – Vin)L2’/Lm > 1 вольт. (2)

То есть э.д.с. самоиндукции вспомогательного дросселя должна быть такой, чтобы могла запереть boost-диод на нужном интервале времени.

Теперь можно перейти к моделированию данного конвертера для отладки. Величина Lm определена – 600 мкГн, нужно подобрать оптимальную индуктивность вспомогательных дросселей и добавить снаббер «на выключение» силового транзистора.

Для ускорения работы модели в ней будет присутствовать только силовая часть с минимальным управлением. Модель обсуждаемой силовой части показана на рис. 5. На рис. 6 – диаграммы токов и напряжение, полученные на модели.

Рис. 5. Модель силовой части из [2]. Частота коммутации транзисторов 25 кГц, пульсаций тока в дросселе L1 - 50 кГц. Ограничение по току не используется.
Рис. 5. Модель силовой части из [2]. Частота коммутации транзисторов 25 кГц, пульсаций тока в дросселе L1 - 50 кГц. Ограничение по току не используется.
Рис. 6. диаграммы токов и напряжений в установившемся режиме для модели на рис. 5.
Рис. 6. диаграммы токов и напряжений в установившемся режиме для модели на рис. 5.

Можно отметить, что авторы статьи [2] либо не заметили, либо не стали разбираться и описывать один временной интервал работы схемы на рис. 1, который существенно влияет на оценку перспективности и применяемости такой топологии. Как можно увидеть на рис. 6 в течение интервала времени, когда один из транзисторов находится в проводящем состоянии, через встроенный анти-параллельный диод (body-диод) неактивного в данный момент второго транзистора течет реверсный ток порядка 2 А.

При этом перед включением транзистора ток через его boost-диод не спадает до нуля, как это описывают авторы статьи [2]. Обещанный режим работы ключей, когда ключ включается при обесточенном boost-диоде его плеча в данной схеме получить можно, но только при определенных условиях - напряжении питания, коэффициенте заполнения и сопротивлении нагрузки.

Стало очевидно, что реверсный ток ключей портит мягкую коммутацию, хотя разобраться в причинах этого явления не удалось - не хотелось тратить на эту проблему время и терять темп. Увеличение индуктивности L2 и L3 улучшает ситуацию, но полностью избавиться от протекания тока через тот boost-диод, который по статье [2] должен быть заперт перед моментом включения "его" транзистора так и не удалось. Автору не удалось добиться мягкой коммутации ни при каком разумном значении коммутирующих индуктивностей во всем диапазоне входных напряжений. Поэтому было использовано самое простое решение - не дать протекать реверсным токам, включив последовательно в коллекторы транзисторов блокирующие диоды. После проведенного апгрейда преобразователь приобрел вид, показанный на рис. 7, а иллюстрации его функционирования показаны на рис. 8.

Рис. 7. Силовая часть с дополнительными блокирующими диодами.
Рис. 7. Силовая часть с дополнительными блокирующими диодами.
Рис. 8. Диаграммы токов и напряжений модернизированной силовой части из [2].
Рис. 8. Диаграммы токов и напряжений модернизированной силовой части из [2].

Коммутационные потери транзисторов можно считать малыми. Добавлен простейший снаббер "на выключение" транзисторов, так как оригинальная топология не обеспечивает мягкое выключение транзисторов.

В целом получился вполне рабочий вариант, не без недостатков, но может пока остаться участником конкурса на лучшую силовую часть, так как на сцену еще не вышли остальные претенденты. Один из недостатков описанной топологии - транзисторы коммутируют полный ток дросселя L1. В классическом двухфазном буст-конвертере используется два раздельных дросселя и транзисторы коммутируют половину потребляемого нагрузкой тока. Также два дополнительных диода не добавляют эффективности. Но в классическом варианте все диоды и транзисторы переключаются жестко с большими ключевыми потерями. Так как все познается в сравнении - будем сравнивать.

У читателя может появиться вопрос: "Что-то автор медленно подходит к реальному изделию... Когда же он возьмет в руки паяльник?"

Ответ тут простой: у автора нет опыта не только разработки и изготовления активных ККМ, но даже опыта их ремонта. Поэтому автор начинает с нуля... При этом практика показывает, что ошибки и недоработки на этапе проектирования потом обязательно о себе напоминают и обходятся дорого.

Дополнение.

Для того, чтобы принять решение о возможности использования описанной силовой части потребовалось все-таки потратить время и разобраться с причиной почему буст-диод находится в проводящем состоянии непосредственно перед включением связанного с ним транзистора.

Причина оказалась в следующем. Рассмотрим схему на рис.5 и предположим для определенности, что открыт транзистор Х5 и весь ток дросселя L1 течет через вспомогательную снабберную индуктивность L2 и Х5. В этом случае в точке соединения R2, R3 и R4 (назовем эту точку "узел
L") напряжение порядка 2 - 3 Вольт, то есть на коллекторе Х4 - ноль вольт и выходная емкость этого транзистора разряжена. При выключении Х5 напряжение в точке "узел L" резко повышается до почти напряжения на нагрузке, то есть порядка 390 В. Через L3 начинает течь ток зарядки выходной емкости транзистора Х4, затем эта емкость быстро заряжается до 390 В и открывается буст диод D8, так как L3 пытается избавиться от накопленного тока. Так как напряжение на L3 составляет 1 - 3 Вольта, то скорость уменьшения этого тока очень мала и L3 не успевает сбросить в нагрузку свой ток к моменту включения транзистора Х4.

Реверсный ток через закрытый транзистор - это ток разрядки его выходной емкости при замкнутом соседнем транзисторе. Добавляя диоды последовательно в коллекторы транзисторов (можно их ставить последовательно с L2 и L3) мы не даем разряжаться выходной емкости транзисторов, а следовательно нет и тока ее зарядки. Но это для идеальных диодов и транзисторов, на самом деле выходная емкость немного разряжается и происходит ее дозарядка, но ток дозарядки мал и им можно пренебречь.

Если найти способ запретить выходной емкости транзисторов заряжаться или/и разряжаться, тогда эта схема будет прекрасно работать в режиме мягкого включения транзистора и обратного восстановления буст-диода. Предложенный вариант с дополнительными диодами прост, но энергетически не эффективен, альтернативного варианта автор данной статьи не нашел.

Литература.

1. TI Application Notes: SLUR515, SLUR516, SLUU641. www.ti.com.

2. Po-Wa Lee, Yim-Shu Lee, David K.W. Cheng, Xiu-Cheng Liu. Steady-state analysis of an interleaved boost converter with coupled inductors. IEEE Trans. On industrial electronics, Vol.47, No. 4, 2000.

3. S. Chandrasekaran, R.G. Mayer. Power converter employing regulators with a coupled inductor. US Patent Publication No US 2008/0054874 A1.

4. Р.К. Диксон, Ю.Н. Дементьев, Г.Я. Михальченко, С.Г. Михальченко, С.М. Семенов. Двухфазный повышающий преобразователь с мягкой коммутацией транзисторов и особенности его динамических свойств. Известия Томского политехнического универсистета. 2014. Т. 234. N. 4.

5. Nisha Singh, S. P. Phulambrikar. Design and Analysis of an Efficient Boost Converter for Renewable Energy Sources. International Journal of Scientific and Research Publications, Volume 5, Issue 1, January 2015 1 ISSN 2250-3153.

6. B. Shaffer. Interleaving contributes unique benefits to forward and flyback converters. TI application note SLUP 231. www.ti.com.