Добавить в корзинуПозвонить
Найти в Дзене
Старый радио любитель

2N7000 в системах АРУ.

Решил проверить, как работают дешевенькие полевики 2N7000 в качестве переменного резистора в системе АРУ. На эту мысль меня навели схемы, встречающиеся в сети, в частности, в схеме основной платы трехдиапазонного приемника с ЭМФ, разработанного Сергеем Эдуардовичем Беленецким (US5MSQ), и продающимся в виде набора в магазине RV3YF.ru. В этом приемнике, как и в других своих конструкциях, С.Э. Беленецкий использует УНЧ с системой АРУ. Собственно УНЧ выполнен на интегральном усилителе LM386N. Сигнал для системы АРУ снимается с его выхода, и через С31 подается на выпрямитель, собранный по схеме удвоения напряжения. Сглаживающий конденсатор С32 и R23 определяют быстродействие АРУ. Положительный потенциал на затворе транзистора начинает открывать его и уменьшающееся сопротивление его канала шунтирует сигнал на входе усилителя. Это все понятно, но меня заинтересовал тот факт, что в описании схемы говориться: "Как только величина регулирующего напряжение превысит пороговое (примерно 1 В), тран

Решил проверить, как работают дешевенькие полевики 2N7000 в качестве переменного резистора в системе АРУ. На эту мысль меня навели схемы, встречающиеся в сети, в частности, в схеме основной платы трехдиапазонного приемника с ЭМФ, разработанного Сергеем Эдуардовичем Беленецким (US5MSQ), и продающимся в виде набора в магазине RV3YF.ru. В этом приемнике, как и в других своих конструкциях, С.Э. Беленецкий использует УНЧ с системой АРУ.

Рис. 1. Схема УНЧ с АРУ конструкции С.Э. Беленецкого. (с сайта RV3YF.ru)
Рис. 1. Схема УНЧ с АРУ конструкции С.Э. Беленецкого. (с сайта RV3YF.ru)

Собственно УНЧ выполнен на интегральном усилителе LM386N. Сигнал для системы АРУ снимается с его выхода, и через С31 подается на выпрямитель, собранный по схеме удвоения напряжения. Сглаживающий конденсатор С32 и R23 определяют быстродействие АРУ. Положительный потенциал на затворе транзистора начинает открывать его и уменьшающееся сопротивление его канала шунтирует сигнал на входе усилителя.

Это все понятно, но меня заинтересовал тот факт, что в описании схемы говориться: "Как только величина регулирующего напряжение превысит пороговое (примерно 1 В), транзистор открывается ....". А в даташите указано, что пороговое напряжение затвора от 0,8 до 2,5В (типичное - 2В). Мои транзисторы показывали на китайском измерителе показывали 2,6 -2,65 В (проверил весь десяток) и емкость около 125 пФ.

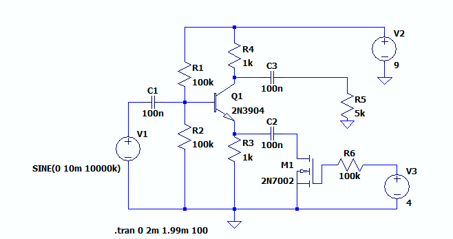
Первым делом запустил LTspice, нарисовав там вот такую схемку:

Рис. 2.
Рис. 2.

Здесь регулировка усиления осуществляется путем изменения глубины отрицательной обратной связи. Чем меньше будет сопротивление канала полевого транзистора, тем меньше ООС, тем выше усиление. Как всегда :), нужного транзистора в программе не оказалось, пришлось взять ближайший аналог - 2N7002, правда, у него-то пороговое напряжение чуть меньше.

Меня интересовало больше не УНЧ, а УПЧ, поэтому прогнал модель на частотах 1, 5 и 10 МГц при входном напряжении 10 мВ. Вот что получилось:

Рис. 3.
Рис. 3.

Из графика видно, что оптимальная область регулирования с наибольшей крутизной находится в диапазоне напряжений на затворе от 1,5 до 2,5 В. Вполне объяснимо и бОльшее напряжение на частоте 10 МГц при нулевом напряжении на затворе, так как на этой частоте емкостное сопротивление полевого транзистора (емкость около 50 пФ) не бесконечно.

Теперь от теории к практике. Собрал схему почти идентичную приведенной на рис. 2.

Рис. 4.
Рис. 4.
Рис. 5.
Рис. 5.

На вход усилительного каскада подавал напряжение от цифрового генератора с амплитудой 50 мВ и частотами 1, 5 и 10 МГц. К выходу подключил осциллограф для измерения уровня сигнала. В усилительном каскаде использовал транзистор 2Т316Б с Ку=84, полевой транзистор - 2N7000. Вот какие результаты получились.

Рис. 6.
Рис. 6.

Отличия от теории есть, но тенденции - одинаковые :). Не отметил разницы уровня при нулевом смещении, Участок с наибольшей крутизной расположен в диапазоне напряжений на затворе от 2,3 до 2,8 В, причем это не зависит от усиливаемой частоты.

Не отказал себе в непосредственном измерении сопротивления канала, использовав только часть схемы.

Рис. 6.
Рис. 6.

Вот результаты.

Рис. 7.
Рис. 7.

Сопротивление, измеренное цифровым мультиметром, изменялось от 10,8 МОм при нулевом напряжении до 6 Ом при напряжении +6 В.

Можно сделать вывод, что использовать 2N7000 в системе АРУ вполне можно.

Всем успехов и здоровья!