Найти в Дзене
Радиолюбитель - это просто!

Садовые фонарики на солнечной батарее

Прелесть таких фонариков в том, что их не нужно заряжать или менять в них батарейки, они в течении дня заряжаются от солнечной энергии и с наступлением темноты светятся, расходуя запасенную энергию. Проблем у таких фонариков несколько: На достоинствах я останавливаться не буду, покупая такие "осветительные приборы" их достоинства каждый из нас определяет их для себя сам. А вот на недостатках и какие возможности есть для того что бы минимизировать недостатки, вот об этом сегодня разговор. Схема: Самая распространённая схема выглядит так: Подавляющее большинство фонариков с солнечными элементами, и дорогие и дешевые, построены на специальной микросхеме qx5252. qx5252 - это специально придуманная именно для такого использования микросхема, внутри находится контроллер освещенности, который чаще всего работает от самого солнечного элемента и повышающий модуль. Работает это так: В сети можно встретить массу схем на транзисторах, но чаще всего это схемы от радиолюбителей. Заводских варианто

Прелесть таких фонариков в том, что их не нужно заряжать или менять в них батарейки, они в течении дня заряжаются от солнечной энергии и с наступлением темноты светятся, расходуя запасенную энергию.

Садовые фонарики на солнечной батарее
Садовые фонарики на солнечной батарее

Проблем у таких фонариков несколько:

  1. как правило они светятся не всю ночь;
  2. с приближением в осени или к зиме, все зависит от региона, сокращается световой день и интенсивность солнечного освещения и как результат время автономной работы начинает существенно сокращаться;
  3. чаще всего срок службы этих устройств 1 сезон.

На достоинствах я останавливаться не буду, покупая такие "осветительные приборы" их достоинства каждый из нас определяет их для себя сам. А вот на недостатках и какие возможности есть для того что бы минимизировать недостатки, вот об этом сегодня разговор.

Схема:

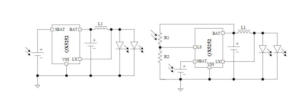
Самая распространённая схема выглядит так:

Схема фонарика на солнечном элементе, на qx5252
Схема фонарика на солнечном элементе, на qx5252

Подавляющее большинство фонариков с солнечными элементами, и дорогие и дешевые, построены на специальной микросхеме qx5252. qx5252 - это специально придуманная именно для такого использования микросхема, внутри находится контроллер освещенности, который чаще всего работает от самого солнечного элемента и повышающий модуль.

  • Микросхема может работать от 0,9 до 1,5В (в некоторых источниках и на некоторых схемах написано до 4,2В, это серьезная ошибка, от 3,5-х вольт и выше она уже выходит из строя).
  • Выходной ток может составлять от 3 до 300мА.
  • Микросхема бывает в 4-х ногом и в 5-ти ногом исполнении, схемы выше, 4х ногий вариант встречается почти всегда).

Работает это так:

  • если на выходе солнечной панели, и соответственно на выходе SBAT, появляется ток более 9мкА, этот ток пропускается с плюса солнечной панели на плюс аккумуляторной батареи (минус общий), начинается процесс зарядки.
  • когда ток с солнечной панели менее 9 мкА, микросхема повышает напряжение с аккумулятора и это напряжение попадает на светодиод. Микросхема в паре с индуктивностью L1 представляет из себя повышающий преобразователь, для возможности питания белого светодиода от Ni-Mh аккумулятора, т.е. именно от тех самых 0,9 - 1,5В.

В сети можно встретить массу схем на транзисторах, но чаще всего это схемы от радиолюбителей. Заводских вариантов фонариков с питанием от одного элемента на напряжение 1,2 - 1,5В на транзисторах, лично я не встречал.

Как избавится от недостатков:

В начале нужно уяснить, что качество фонариков прямо пропорционально их цене, другими словами, чем дороже, тем лучше. Но конечно нужно делать поправку на жадность и "порядочность" продающей стороны.

-3

  1. Продолжительность свечения на одном заряде. Чем дешевле фонарик, тем дешевле там стоит аккумулятор, в самых дешевых версиях стоят дисковые аккумуляторы, и кроме того они могут быть еще и безымянными, т.е. емкости в нем почти нет. Кроме того площадь солнечной панели тоже очень сильно зависит от цены, а от площади панели - зависит зарядный ток. Другими словами в дешевых вариантах мало того, что АКБ имеет очень маленькую емкость, так он еще и не успевает зарядится полностью за световой день. Улучшить немного ситуацию можно заменив дисковый аккумулятор на аккумулятор типоразмера ААА или АА, чаще всего места внутри фонаря для этого достаточно, а иногда даже предусмотрено специальное место для него. Однако цена одного такого аккумулятора сравнима с ценой всего фонарика и остается проблема - маленькой солнечной панели, т.е. емкости будет достаточно, а зарядить ее будет нечем.
  2. Сокращение времени автономной работы. Не только из-за сокращения светового дня, но и из-за деградации аккумулятора уже через месяц наблюдается сокращение автономной работы фонариков. Если взглянуть на схему, то становится понятно, что никакого контроля за зарядом-разрядом тут нет. Если повезет аккумулятор зарядится за день. То что в него попадет от солнца, аккумулятор полностью(!) отдаст в светодиод - переразряд ему практически обеспечен. Самая большая проблема Ni-Cd и Ni-Mh батарей, это эффект памяти и деградация в следствии этого. Тут аккумулятор работает с постоянным недозарядом и регулярным переразрядом - срок жизни даже качественного АКБ будет очень коротким. Собственно именно по этому там стоят самые дешевые аккумуляторы. А дополнять конструкцию схемой контроля заряда и разряда опять же дороговато, но можно.
  3. Срок службы - один сезон. Есть несколько факторов, кроме дешевых и некачественных комплектующих и максимально упрощенной схемы, которые влияют на срок жизни таких фонариков.

Во-первых это суточные колебания температуры, которые вызывают выпадение росы не только на траве, но внутри подобных устройств. А схема внутри корпуса никак не защищена от влаги.

Во-вторых, иногда идет дождь, корпус фонарика тоже далеко не идеально защищен от внешней среды.

В-третьих насекомые. Стоит найти им лазейку, как они тут же строят там себе дом. Встречал ос и муравьев. Осы строят свой "улей" в светлой части корпуса, в непосредственной близости от светодиода. Муравьи наоборот, строят свое гнездо в закрытой части, и несут к печатной плате землю. Вскрывая осенью солнечный фонарик в 50% случаев внутри обнаружится ржавчина, на контактах батареи, на выводах микросхемы и других радиодеталей, самым ржавым чаще всего бывает выключатель.

В результате оказывается, что продлевать срок службы садового фонарика с солнечной панелью практически нет никакого смысла. Однако если вы купили не самый дешевый вариант, и они как-то дожили до осени, то осенью такие фонарики нужно обслужить. Разобрать, просушить, зарядить аккумулятор с помощью зарядного устройства предназначенного для зарядки Ni-Cd и Ni-Mh аккумуляторов, и положить на хранение до весны в отопляемом помещении, естественно выключатель фонаря должен быть выключен. Опыт такого обслуживания в видео:

Однако это конечно не все, и конечно не все так плохо. Есть фонарики с неплохими солнечными панелями в которых стоит Li-Po батарея. У таких фонарей и время автономной работы большое и срок службы. Они конечно и стоят дороже, это настенные фонари. Они бывают с датчиком движения и без. Как устроен такой фонарь, что у него внутри и как он себя чувствует осенью, можно посмотреть в видео.

Схему такого фонаря я не привожу умышленно, через несколько дней будет видео с небольшой доработкой такого фонаря и тогда будет схема.