Добавить в корзинуПозвонить
Найти в Дзене
СантехОптСервис

Шаровые краны LD

- продукт компании ООО «ЧелябинскСпецГражданСтрой», сертифицированный в соответствии с Российскими нормами. Данная марка представляет стальные цельносварные шаровые краны промышленного назначения, предназначенные для монтажа в трубопроводах для транспортировки нефти и газа, в системах тепловодоснабжения, различных агрегатах. Залогом качества продукции ООО «ЧелябинскСпецГражданСтрой» является постоянный контроль материала и заготовок на всех этапах изготовления шаровых кранов LD, а также обязательные испытания каждого шарового крана LD на испытательных стендах согласно ГОСТ Р 54808-2011 «Арматура трубопроводная запорная, нормы герметичности затворов». Цельносварной корпус шарового крана LDне имеет каких-либо болтовых разъемов на корпусе, которые возможна протечка при динамических нагрузках трубопровода. В шаровом кране используются не литые элементы, как в большинстве типов запорной арматуры, а обжатые холодной штамповкой заготовки, изготовленные из трубного сортамента крупнейших отечес

- продукт компании ООО «ЧелябинскСпецГражданСтрой», сертифицированный в соответствии с Российскими нормами.

Данная марка представляет стальные цельносварные шаровые краны промышленного назначения, предназначенные для монтажа в трубопроводах для транспортировки нефти и газа, в системах тепловодоснабжения, различных агрегатах.

Залогом качества продукции ООО «ЧелябинскСпецГражданСтрой» является постоянный контроль материала и заготовок на всех этапах изготовления шаровых кранов LD, а также обязательные испытания каждого шарового крана LD на испытательных стендах согласно ГОСТ Р 54808-2011 «Арматура трубопроводная запорная, нормы герметичности затворов».

Цельносварной корпус шарового крана LDне имеет каких-либо болтовых разъемов на корпусе, которые возможна протечка при динамических нагрузках трубопровода. В шаровом кране используются не литые элементы, как в большинстве типов запорной арматуры, а обжатые холодной штамповкой заготовки, изготовленные из трубного сортамента крупнейших отечественных металлургических заводов.

При изготовлении деталей используется режущий инструмент, с механическим креплением пластик одного из ведущих производителей Iscar.

-2

Сварка заготовок осуществляется в автоматическом режиме в среде защитных газов, являющихся одним из ведущих технологических процессов соединения различных металлов.

Преимущество процесса сварки в газовых смесях на основе аргона проявляется в высоких механических свойствах металла шва, а также величиной проплавления основного металла.

Для сварки применяется сварочная проволока производства ESABGroup. Сварочные работы производятся аттестованными сварщиками на специализированном сварочном оборудовании фирм ESABи Higatronic.

-3

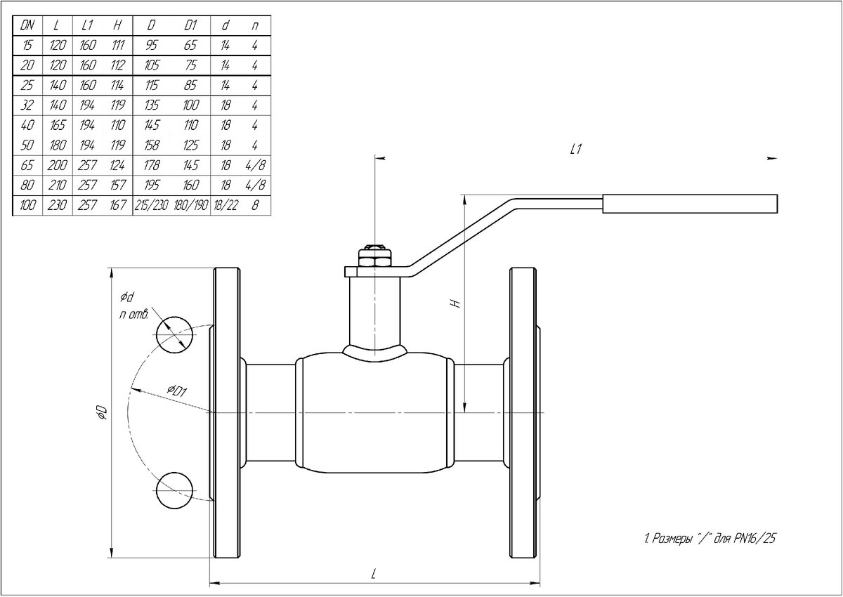
Номенклатура шаровых кранов LDEnergyвключает номинальные диаметры, DNот 15 до 500 мм и номинальное давление PN до 4,0 Мпа.

В зависимости от способа присоединения к трубопроводу выделяются следующие типы шаровых кранов LD.

КШЦФ – кран шаровой фланцевого присоединения

КШЦП – кран шаровой приварного соединения

КШЦМ – кран шаровой муфтового (резьбового соединения)

Класс герметичности затвора шаровых кранов LDпо ГОСТ 54808-2011А

Шаровые краны LDмогут быть использованы как в умеренном, так и в холодном климате (У категории 1 и ХЛ категории 1 по ГОСТ 15150-69)

Рабочие условия

Рабочая среда: природный газ, нефтепродукты, горюче – смазочные материалы жидкости и газы без содержания абразивных примесей.

Рабочие среды кранов из нержавеющих марки сталей – по отношению, к которым, применяемые материалы коррозионностойки.

Рабочее давление до 4,0 Мпа.

Температура рабочей среды от -60 до +200.

Температура окружающей среды от -60 до +60.

Торговая маркаLD, которая представляет на рынке России ближнего зарубежья продукцию компании ООО «ЧелябинскСпецГражданСтрой», является одной из лучших в стране.

Высокие стандарты качества, которым соответствуют производимые здесь шаровые краны, и другая запорная арматура делают предприятие стабильным лидером в уральском регионе.

Производство шаровых кранов: качество превыше всего.

Вся продукция LD сертифицирована в России, что отменяет малейшие сомнения.

Каждое изделие проверяется на испытательном стенде на соответствие нормам.

ГОСТ Р 54808-2011

Цельносварная технология, по которой выполняется производство шаровых кранов, позволяет получить более надежную и долговечную запорную арматуру, с которой обслуживание трубопроводов любого типа существенно упрощается.

Класс «А» герметичности изделий говорит о возможности их использования на объектах повышенной опасности. Заметим, что цельносварная технология предусматривает отсутствие болтовых соединений на корпусе крана.

Отдельно стоит сказать о качестве швов – изготовление шаровых кранов производится в среде защитных газов – углекислого 20% и аргона 80%. Поэтому механические свойства свариваемого металла более высокие. К слову, в сварке используется качественная проволока G3Si1 производства компании ESABGroup. Эта компания, а также известная на рынке марка Higatronic, поставляют на завод шаровых кранов сварочное оборудование. Сварочную работу выполняет только аттестованный персонал. Использование в производстве холодной штамповки вместо литья так же повышают качество запорной арматуры.

Особенности

Нефть и газ, горячая и холодная вода, специфические жидкости на предприятиях пищевой промышленности и канализационные стоки – вне зависимости от агента, транспортируемого по трубопроводу, завод шаровых кранов гарантирует отсутствие утечек и высокую безопасность систем.

Широкая номенклатура изделий позволяет решать различные инженерные задачи. Так, ООО «ЧелябинскСпецГражданСтрой» осуществляет производство шаровых кранов диаметром от 15 до 500мм.

Продукцию от компании LD выпускают в разных конфигурациях. Они отличаются по типу подключения, относительным диаметрам и величине, выдерживаемого давления.Стоимость крана с крупным отверстием LD зависит конкретно от таких параметров. Есть даже специализированная маркировка кранов данного типа. Применяется она почти что ко всем подобным изделиям, благодаря этому товары компании LDтоже не стали исключением. В маркировке указывают неполное наименование определенного образца, его специфики, и также параметры. К примеру, кран шаровой цельносварной фланцевый. Если же последняя буква маркировки меняется на М, то подобная деталь уже станет иметь форму муфты и фиксируется подобающим образом.

Ключевой параметр – относительный диаметр. Его обозначают буквами ДУ, указывает эта характеристика на диаметр внутри крана. По части рабочего давления краны LDсмогут выдержать от 1.6 Мпа и до 4 Мпа. Рабочий диапазон температур может составлять от – 60 до +200.

Количество циклов работы у них расположена на примерной отметке в 8000 – 10000 циклов, что более чем достаточно для безопасного эксплуатирования на протяжении по минимуму 8-10 лет.

Методика процесса установки

В установке кранов LD сложности нет. При следовании инструкции с подобной работой управится и человек без опыта. Исключения создают только приварные образцы, где без аппаратов для сварочных работ и подобающих способностей вряд ли можно обойтись.

Фланцевые краны крепят к патрубку с фланцами подобного диаметра. Для лучшей герметизации фланец уплотняют специализированными лентами или уплотнительными кольцами. Периодически для этих пользуются жидким герметином или прочими такими составами. Муфтовые краны делают фиксации из-за наличия резьбы. С резьбой трудиться гораздо легче, но и непроницаемость у нее хуже.

Благодаря этому рекомендуется накручивать на муфту фум-ленту или уплотнительные ткани, которые увеличивают непроницаемость места соединений. Образцы с муфтами нужно постоянно выверять и после того как произведена установка, так как резьба вполне может ослабиться. Приварные модели устанавливают обыкновенной сваркой.

После того, как работы закончены по монтажу в систему запускают немного жидкости, чтобы выверить непроницаемость соединений и стабильность всей системы.