Добавить в корзинуПозвонить
Найти в Дзене
ДКО Электронщик

Цифровые датчики Холла от Ruimeng

Компания Ruimeng, специализирующаяся на производстве аналоговых и смешанных микросхем, предлагает ряд магниточувствительных датчиков Холла, способных заменить продукцию известных западных производителей, ушедших с нашего рынка – Honeywell, Texas Instruments, Infineon, Allegro. MS40/MS40S представляет собой биполярный цифровой датчик Холла, отличающийся высокой чувствительностью и скоростью отклика, широким диапазоном рабочих температур, высокой надежностью и защитой от напряжения питания обратной полярности. Диапазон рабочего напряжения составляет 4.5...24 В. В состав датчика входит линейный стабилизатор напряжения, компаратор с гистерезисом и выходной каскад с открытым коллектором (рис. 1 и 2). Датчик реагирует на полярность магнитного поля – включается одним полюсом, а выключается другим. В промежуточном положении сохраняется установленное ранее состояние (рис. 3). Применение: Технические параметры MS40/S: MS451/MS451S – это всеполярный (омниполярный) переключатель Холл

Компания Ruimeng, специализирующаяся на производстве аналоговых и смешанных микросхем, предлагает ряд магниточувствительных датчиков Холла, способных заменить продукцию известных западных производителей, ушедших с нашего рынка – Honeywell, Texas Instruments, Infineon, Allegro.

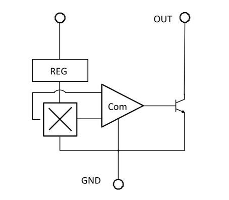
MS40/MS40S представляет собой биполярный цифровой датчик Холла, отличающийся высокой чувствительностью и скоростью отклика, широким диапазоном рабочих температур, высокой надежностью и защитой от напряжения питания обратной полярности. Диапазон рабочего напряжения составляет 4.5...24 В. В состав датчика входит линейный стабилизатор напряжения, компаратор с гистерезисом и выходной каскад с открытым коллектором (рис. 1 и 2). Датчик реагирует на полярность магнитного поля – включается одним полюсом, а выключается другим. В промежуточном положении сохраняется установленное ранее состояние (рис. 3).

Применение:

  • Бесщеточный двигатель постоянного тока (электромобиль, кондиционер, стиральная машина);
  • Управление электродвигателем и вентилятором;
  • Определение скорости и вращения;
  • Счетчики расхода ресурсов.

Технические параметры MS40/S:

  • Биполярный цифровой датчик Холла;
  • Широкий диапазон напряжения питания: 4.5...24 В;
  • Потребление в рабочем режиме: 7.7 мА;
  • Выход: открытый коллектор;
  • Защита от переполюсовки питания;
  • Выходной ток: 20 мА;
  • Время нарастания: 0.1 мкс, тип.;
  • Время спада: 0.2 мкс, тип.;
  • Время отклика: 4 мкс, тип.;
  • Индукция включения: 40 Гс, тип.; 110 Гс, макс.;
  • Индукция выключения: -40 Гс, тип.; -110 Гс, макс.;
  • Гистерезис: 80 Гс, тип.;
  • Рабочая температура: -40…120 °С;
  • Диапазон частот: 0...100 кГц;
  • Корпус: TO-92S, TSOT23-3L

MS451/MS451S – это всеполярный (омниполярный) переключатель Холла, одинаково реагирующий на северный и южный полюсы. При увеличении магнитного поля он открывается, а при уменьшении ниже определенного порога – закрывается (рис. 4). Диапазон напряжения питания больше, чем в предыдущем случае – 3...36 В.

Применение:

  • Определение скорости вращения;
  • Определение направления печатающей головки;
  • Датчик уровня жидкости.

Технические параметры MS451/S:

  • Всенаправленный цифровой датчик Холла;
  • Широкий диапазон напряжения питания: 3...36 В;
  • Потребление в рабочем режиме: 2.9 мА;
  • Выход: открытый коллектор;
  • Защита от переполюсовки питания;
  • Выходной ток: 20 мА;
  • Время нарастания: 1.5 мкс, макс.;
  • Время спада: 1.5 мкс, макс.;
  • Индукция включения положительной полярности: 50 Гс, тип.; 135 Гс, макс.;
  • Индукция выключения положительной полярности: 30 Гс, тип.; 120 Гс, макс.;
  • Индукция включения отрицательной полярности: -50 Гс, тип.; -135 Гс, макс.;
  • Индукция выключения отрицательной полярности: -30 Гс, тип.; -120 Гс, макс.;
  • Гистерезис: 20 Гс, тип.;
  • Диапазон частот: 0...100 кГц;
  • Широкий диапазон температур: -40…120 °С;
  • Корпус: TO-92S, TSOT23-3L
 
Рис. 1. Структурная схема цифрового датчика Холла
Рис. 1. Структурная схема цифрового датчика Холла

Рис. 2. Схема включения цифрового датчика
Рис. 2. Схема включения цифрового датчика
 
Рис. 3. Зависимость выходного напряжения от воздействия магнитного поля для биполярного датчика (MS40)
Рис. 3. Зависимость выходного напряжения от воздействия магнитного поля для биполярного датчика (MS40)
 
Рис. 4. Зависимость выходного напряжения от воздействия магнитного поля для всеполярного датчика (MS451)
Рис. 4. Зависимость выходного напряжения от воздействия магнитного поля для всеполярного датчика (MS451)
-5

Производители: RUIMENG

Разделы: Датчики магниточувствительные