Найти в Дзене
Платформа XIOT

Реле времени. Схема. Современная замена.

Разберем что такое реле времени. Реле времени 220в или астрономическое реле - в классической электрике это устройство, которое включает и выключает свет (или другие нагрузки) в момент восхода и захода солнца, с учетом географических координат и времени года. Реле времени в классической электрике: Для примера можно рассмотреть Астрономический таймер для уличного освещения РЭВ-225 от компании Новатек Электро Астрономический таймер РЭВ-225 - предназначен для работы в системах автоматического управления с привязкой к астрономическому времени (восход / закат солнца).
В РЭВ-225 автоматически вычисляется время восхода и заката солнца на основе введенных координат и текущего времени, позволяя управлять освещением без использования внешних датчиков. Настройка реле времени выполняется кнопками на устройстве. Встроенный источник питания (литиевая батарея) обеспечивает сохранение работы часов реального времени и изделия в случае отсутствия питания от сети. Вывод: с задачей по включению выключению
Оглавление

Разберем что такое реле времени.

Реле времени 220в или астрономическое реле - в классической электрике это устройство, которое включает и выключает свет (или другие нагрузки) в момент восхода и захода солнца, с учетом географических координат и времени года.

Реле времени в классической электрике:

Для примера можно рассмотреть Астрономический таймер для уличного освещения РЭВ-225 от компании Новатек Электро

Астрономический таймер для уличного освещения РЭВ-225 (взято с яндекс картинок)
Астрономический таймер для уличного освещения РЭВ-225 (взято с яндекс картинок)

Астрономический таймер РЭВ-225 - предназначен для работы в системах автоматического управления с привязкой к астрономическому времени (восход / закат солнца).

В РЭВ-225 автоматически
вычисляется время восхода и заката солнца на основе введенных координат и текущего времени, позволяя управлять освещением без использования внешних датчиков.

Настройка реле времени выполняется кнопками на устройстве.

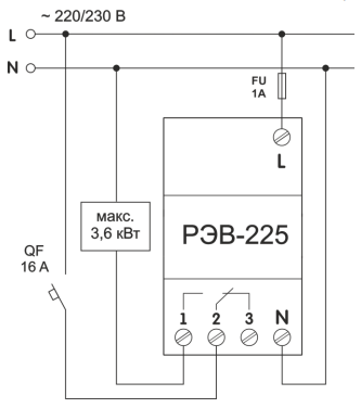
Схема подключения астрономического реле
Схема подключения астрономического реле

Встроенный источник питания (литиевая батарея) обеспечивает сохранение работы часов реального времени и изделия в случае отсутствия питания от сети.

Вывод: с задачей по включению выключению света по восходу и закату солнца реле времени справляется на отлично!

Современная замена реле времени в умном доме.

Почему мы не используем классические реле времени в умном доме?

В умном доме все устройства (свет, шторы и т.д.) подключены к умным реле.

Умные реле управляются с контроллера, что позволяет:

  • включать свет с телефона
  • закрывать шторы голосом попросив Алису (яндекс станция)
  • создавать различные сценарии автоматизации.

Из каждого реле можно сделать реле времени - программно.

Данные о восходе и закате солнца в умном доме xiot мы получаем по геолокации, они всегда с точностью до минуты соответствуют реальности.

Можно настраивать любые действия на закате и при восходе солнца.

Настройка сценария "Реле времени" в умном доме XIOT
Настройка сценария "Реле времени" в умном доме XIOT

Возможности настройки сценария "Реле времени":

  • Управлять любым устройством, подключенным в умный дом xiot, на рассвете и закате.
  • Можно указать чтобы сценарий работал только тогда, когда мы дома, или наоборот, когда никого нет дома.
  • Можно сдвинуть время рассвета и заката, например, указать чтобы сценарий выполнился через 10 минут после рассвета.
  • Можно указать чтобы сценарий срабатывал только в солнечный день. К примеру, закрывать шторы на рассвете только в солнечный день, когда солнце ярко светит в окно.

Вывод: в умном доме xiot можно добавить неограниченное количество "Программных реле времени" и гибко настроить их работу.

Спасибо за внимание! Подписывайтесь и не пропустите новые статьи о современной электрике и автоматизации.

Любые вопросы, предложения и критику пишите в комментариях!

Еще статьи по умной электрике:

#релевремени #астрореле #xiot #редакторxiot