Найти в Дзене
Старый радио любитель

Простые источники стабильного тока на полевых транзисторах.

Для управления частотой генератора с помощью варикапа мне потребовался стабильный источник напряжения. Вот я и решил исследовать имеющиеся возможности. Самый простой способ - это взять резистор и пропускать через него стабильный ток. Если ток будет неизменным, то и напряжение на резисторе по закону уважаемого Ома также будет неизменным. Если вместо постоянного резистора включить потенциометр, то с его движка можно снимать напряжения для управления варикапом. Не буду вдаваться в схемотехнику источников стабильного тока (ИСТ), а предложу один из самых простых вариантов - на полевом транзисторе. У меня есть с десяток КП303, столько же КП307 и несколько десятков КП103 с разными буквами (Ж, К, Л, М). Поэтому я решил поэкспериментировать с ними. Питал я эту схему от регулируемого источника питания а ток рассчитывал по закону Ома, измеряя напряжение на резисторе. вот что получилось. Как видите, только у КП103М ток не очень стабилен, а у КП103Л и КП103Л в диапазоне от 7 до 14 В отличия в вел

Для управления частотой генератора с помощью варикапа мне потребовался стабильный источник напряжения. Вот я и решил исследовать имеющиеся возможности.

Самый простой способ - это взять резистор и пропускать через него стабильный ток. Если ток будет неизменным, то и напряжение на резисторе по закону уважаемого Ома также будет неизменным.

Рис. 1.
Рис. 1.

Если вместо постоянного резистора включить потенциометр, то с его движка можно снимать напряжения для управления варикапом.

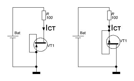
Не буду вдаваться в схемотехнику источников стабильного тока (ИСТ), а предложу один из самых простых вариантов - на полевом транзисторе.

Рис. 2. ГСТ на полевиках с n-каналом (слева) и р-каналом (справа)
Рис. 2. ГСТ на полевиках с n-каналом (слева) и р-каналом (справа)

У меня есть с десяток КП303, столько же КП307 и несколько десятков КП103 с разными буквами (Ж, К, Л, М). Поэтому я решил поэкспериментировать с ними. Питал я эту схему от регулируемого источника питания а ток рассчитывал по закону Ома, измеряя напряжение на резисторе. вот что получилось.

Рис. 3.
Рис. 3.

Как видите, только у КП103М ток не очень стабилен, а у КП103Л и КП103Л в диапазоне от 7 до 14 В отличия в величине тока 0,02 - 0,03 мА. Я уже было обрадовался такому результату при такой простой схеме, но решил проверить температурную стабильность и подержал транзистор пальцами. Ток поплыл и довольно здорово, на десятые доли мА.

Разные уровни стабильного тока от разных транзисторов объясняются их разным напряжением отсечки. А разброс этого напряжения у наших полевиков достаточно большой даже в пределах одной группы.

Тогда я решил посмотреть стабилитроны КС147, КС156, КС468 КС168 и (все вокруг 5-ти вольт).

Рис. 4.
Рис. 4.

Напряжение в области стабилизации при изменении напряжения питания от 8 жо 14 В изменялось на 0,1 - 0,2 В, температурная стабильность была существенно выше, чем у схемы с ИСТ на полевике.

Следующим шагом было питание стабилитрона от ИСТ на полевике. Была надежда, что стабильность будет лучше, чем у этих элементов по отдельности.

Рис. 5.
Рис. 5.

Расчет оказался правильным. Наилучший результат показало использование КП307Б (изменение стабилизированного напряжения в диапазоне питания 7 -14 В всего на 0,02В), также отлично вел себя и КП103Ж и КП103Л. Для КП103М изменения были были больше 0,03 в :). А саме главное, даже при поднесении жала паяльника к корпусу полевика, а тем более держание его пальцами не приводило ни к какому-то заметному изменения напряжения.

И еще одно интересное наблюдение.: если стабилитрон КС156 с обычным резистором выдавал напряжение около 6,2 В, то в паре с КП103Ж - около 5,6 В, а с КП307Б - около 5,8 В. Стабилитрон КС147 с резистором выдавал около 4,85 В, а с транзистором КП103Ж - только около 3,98 В.

Конечно, у такого стабилизатора ток на выходе мал, но для потенциометра 50 кОм - вполне подойдет, да еще параллельно ему нужно включить конденсатор.

Рис. 6.
Рис. 6.

А если нужен ток побольше, то можно добавить транзистор, например, КТ315.

Рис. 7.
Рис. 7.

Так что, теперь сделаю схему (рис. 6) для питания варикапа, а другую (рис. 7) - для питания задающего генератора.

Но обязательно еще посмотрю на стабильность интегрального стабилизатора 4805, а также попробую использовать TL431.

Всем здоровья и успехов!