Найти в Дзене
Лампа Электрика

Интересные микросхемы. LT4054 — простая зарядка для лития

Оглавление

Продолжаем обзор микросхем, которые могут быть полезны тем, кто любит собирать электронику своими руками. Сегодня речь пойдет об интегральном драйвере зарядки литиевой батареи LT4054.

Общая информация

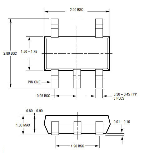
Микросхема LT4054 представляет собой интегральный контроллер заряда литиевого аккумулятора с номинальным напряжением 3.7 В. Прибор разработан для использования в портативных электронных устройствах, а потому весьма компактен. Его можно встретить, к примеру, в телефонах Samsung моделей C100, С110, Х100, E700, E800, E820, P100, P510. Тип корпуса - TSOT-23 с пятью выводами.

Габаритные размеры LT4054
Габаритные размеры LT4054

Микросхема адаптирована под входное напряжение 5 В (стандартный порт USB). Ток заряда, который может достигать 800 мА, регулируется внешним резистором. По окончании зарядки устройство переходит с струйный (буферный) режим, компенсируя саморазряд элемента. Для контроля процесса заряда предусмотрен информационный выход. При отключении внешнего источника микросхема переходит в режим микропотребления, «отбирая» у аккумулятора ток не более 2 мкА. Предусмотрена защита от перегрева кристалла, защиты от переполюсовки по входу и выходу нет.

Важно! При максимальном токе зарядки прибор ощутимо греется, поэтому необходимо предусмотреть его охлаждение. Производитель рекомендует использовать в качестве радиатора площадки из фольги достаточной площади, к которым припаиваются выводы.
-2

Цоколевка и назначение выводов

-3
  • 1 – CHRG. Выход состояния микросхемы, где: логический «0» - идет зарядка; логическая «1» - микросхема готова к работе; высокий импеданс – отсутствует входное напряжение.
  • 2 – GND. Общий.
  • 3 – BAT. Выход для подключения заряжаемого аккумулятора.
  • 4 – VCC*. Входное напряжение питания.
  • 5 – PROG**. Вход для подключения токозадающего резистора.

* Вывод должен быть зашунтирован относительно общего провода конденсатором емкостью не менее 1 мкФ. Если входное напряжение снижается более чем на 30 мВ относительно выходного, микросхема переходит в режим микропотребления. Зарядка прекращается, вывод 1 переводится в высокоимпедансное состояние.

** Номинал токозадающего резистора рассчитывается по формуле R=1 000/Ichrg, где Ichrg- желаемый ток заряда аккумулятора. Погрешность номинала должна быть не хуже 1%. Вывод 5 можно использовать для отключения зарядного устройства. При отключении токозадающего резистора зарядка прекращается, при подключении возобновляется.

Полезно! По напряжению на выводе 5 относительно общего вывода 2 можно судить о токе зарядки. Для этого достаточно воспользоваться формулой Ichrg = (VPROG/RPROG)*1 000, где VPROG – напряжение на выводе 5; RPROG – номинал токозадающего резистора.

Основные электрические характеристики микросхемы:

  • Входное напряжение, В – 4.5…6.5.
  • Выходной ток, мА – программируемый до 800 мА.
  • Конечное напряжение зарядки, В – 4.2.
  • Ток «струйного*» заряда, мА – 40.
  • Конечное напряжение «струйного*» заряда, В – 2.9.
  • Ток потребления от батареи при отключенном внешнем питании, мкА – не более 2.
  • Плавный пуск – есть.
  • Защита от перегрева – есть.
  • Защита от переполюсовки по входу и выходу – нет.

* Струйная зарядка означает зарядку полностью заряженной батареи со скоростью, равной скорости ее саморазряда, что позволяет батарее оставаться на полностью заряженном уровне.

Схема включения

Производитель в сопроводительной документации предлагает следующие схемы включения LT4054:

Полнофункциональное зарядное устройство литиевого аккумулятора с индикацией режима
Полнофункциональное зарядное устройство литиевого аккумулятора с индикацией режима
На заметку. Эта схема предусматривает электронное управление процессом заряда (вход SHDN). Если управление не нужно, полевой транзистор можно удалить, а нижний по схеме вывод соединить с общим проводом.
Зарядное устройство с защитой от переполюсовки по входу
Зарядное устройство с защитой от переполюсовки по входу
Вариант узла электронного переключателя тока заряда
Вариант узла электронного переключателя тока заряда

Вот мы и выяснили, что собой представляет микросхема LT4054. Благодаря малым размерам вы сможете собрать весьма компактное ЗУ для литиевого аккумулятора. но не забывайте, что эта микросхема – только контроллер заряда. За разрядом батареи он не следит. А купить LT4054 можно на все том же Алиэкспресс за сущие копейки.

Другие статьи из цикла: