Добавить в корзинуПозвонить
Найти в Дзене
Radio-любитель

Стабилизированный источник питания для ламповой аппаратуры

Всем здравствуйте. В предыдущей статье публиковался на мой взгляд простой регулятор напряжения, как вариант для проведения различных тестов с конструкциями на радиолампах. У некоторых по всей видимости возникли вопросы о его работоспособности. Могу с уверенностью сказать, что схема работоспособна. Вот в очередной раз требуется собрать типовую схему стабилизированного источника питания для запитывания ламповой технике. И остановился на достаточно известной в определенных кругах схеме Сергея Беленецкого для лампового приемника. Для информативности приведу схему этого стабилизатора. Если мы обратим внимание на стабилизатор высокого напряжения, что мы видим, а видим мы тот же самый принцип формирования защиты от короткого замыкания, то есть ограничения по току. Я это к тому, что приведенная схема выше собрана не одним десятком радиолюбителей и прекрасно работает. Можно еще отметить, что в схеме предусмотрена защита от превышения рассеиваемой мощности, которая выполненная на элементах VD12

Всем здравствуйте. В предыдущей статье публиковался на мой взгляд простой регулятор напряжения, как вариант для проведения различных тестов с конструкциями на радиолампах. У некоторых по всей видимости возникли вопросы о его работоспособности.

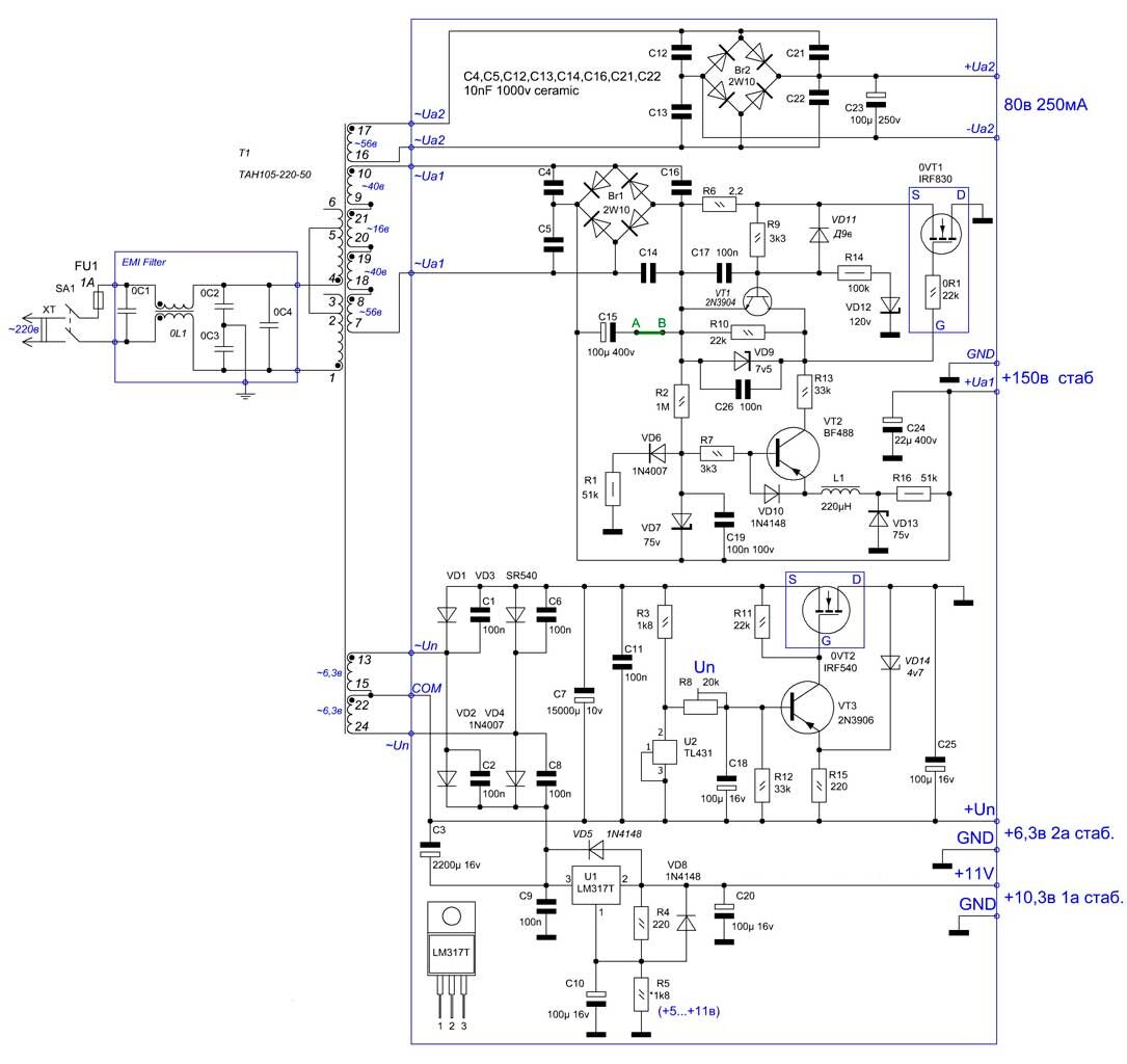
Могу с уверенностью сказать, что схема работоспособна. Вот в очередной раз требуется собрать типовую схему стабилизированного источника питания для запитывания ламповой технике. И остановился на достаточно известной в определенных кругах схеме Сергея Беленецкого для лампового приемника. Для информативности приведу схему этого стабилизатора.

Вот так выглядит схемотехника стабилизированного источника питания
Вот так выглядит схемотехника стабилизированного источника питания

Если мы обратим внимание на стабилизатор высокого напряжения, что мы видим, а видим мы тот же самый принцип формирования защиты от короткого замыкания, то есть ограничения по току. Я это к тому, что приведенная схема выше собрана не одним десятком радиолюбителей и прекрасно работает. Можно еще отметить, что в схеме предусмотрена защита от превышения рассеиваемой мощности, которая выполненная на элементах VD12, R14, VD11.

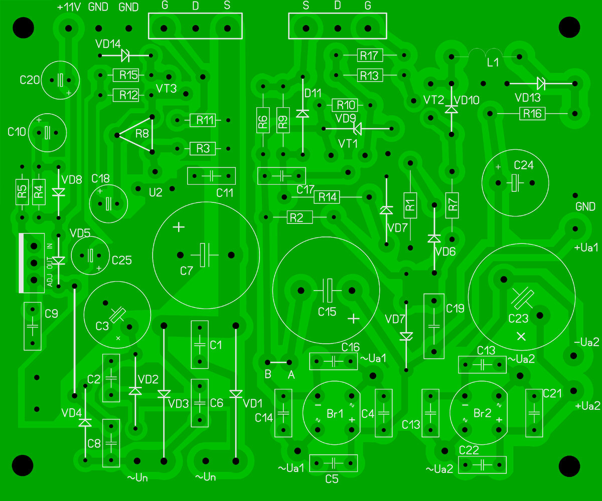
Пришлось немного высвободить времени и развести печатную плату
Пришлось немного высвободить времени и развести печатную плату

Таким образом для себя пометил маркером где что стоит, чтобы не запутаться
Таким образом для себя пометил маркером где что стоит, чтобы не запутаться

А далее в схеме заложено стабилизированное напряжение питания накала ламп, что также используется полевой транзистор в регуляторе. Как видно на схеме имеется еще дополнительное вспомогательное напряжение около 12 вольт для питания реле переключения диапазонов, так как этот блок питания специально был разработан для лампового приемника.

Вот так выглядит уже протравленная плата
Вот так выглядит уже протравленная плата

Вот уже подготовил печатную плату и вытравил, которую представил на рисунках в тексте, осталось установить компоненты и настроить на требуемое напряжение. В общем понемногу скажем так по возникновению свободного времени и желания завершаем начатые конструкции.

-5