Найти в Дзене
Старый радио любитель

Для начинающих. Самые простые способы проверки транзисторов.

У начинающих часто возникает проблемы с проверкой транзисторов. Если интернет помогает быстро найти даташит, то какие свойства имеет данный экземпляр - об этом не пишут: ).

Сам я тоже в 60-е - 70-е стоял перед такой же проблемой, тем более, что отечественные транзисторы имели в те времена большой разброс параметров. Скажу сразу: точное измерение параметров транзисторов в любительских условия без дорогостоящих приборов - дело практически невозможное или очень долгое. Но очень точное измерение этих параметров в радиолюбительской практике особенно и не нужно.

Важно знать коэффициент усиления по постоянному току, чтобы можно было по этим данным выбрать подходящий транзистор или подобрать пару транзисторов для двухтактного выходного каскада.

Чтобы точно измерить коэффициент усиления транзистора, надо, во-первых, установить определенный режим работы транзистора по постоянному току, а, во-вторых, вести измерение на переменном токе, измеряя малые приращения токов его электродов. Все это усложняет измерения и требует чувствительных и точных приборов, ибо измерять малые приращения токов не так-то просто.

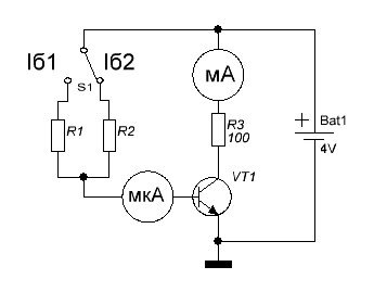
Радиолюбители обычно пользуются более простыми методами измерения коэффициента усиления транзистора. Чаще всего этот параметр измеряют на постоянном токе, то есть измеряют не α или β , а статический коэффициент усиления Вст = Iк/Iб но при условии, что ток коллектора много больше тока Iко (обратного тока коллектора, который у маломощных транзисторов составляет порядка десятых долей мкА).

Рис. 1. Измерение коэффициента усиления транзистора по постоянному току.
Рис. 1. Измерение коэффициента усиления транзистора по постоянному току.

Резисторы R1, R2 устанавливают базовый ток транзистора. Их сопротивление при напряжении питания 4 В составляют порядка 300 кОм, что на порядки больше. чем сопротивление переход Э-Б. Исходя из этого, примерный ток базы можно рассчитать по закону Ома : Iб = (Uпит- 0,5В) / Rб, или наоборот, по заданному току базы рассчитать сопротивление базового резистора: Rб = (Uпит- 0,5В) / Iб А что такое 0,5В? Это падение напряжения на переходе Э-Б, который для кремниевых транзисторов около 0,7В, а для германиевых - около 0,3В - в среднем 0,5В

Резистор R3 является ограничителем тока коллектора и предохраняет транзистор от перегорания (максимальный ток коллектора не превысит 30 мА). Для повышения точности измерения контролируют ток базы микроамперметром с пределом измерения 50 - 100 мкА.

Рис. 2. Схема с контролем базового тока.
Рис. 2. Схема с контролем базового тока.

В этом случае вместо двух резисторов (R1, R2) можно поставить один переменный.

Я решил сделать такой простой прибор, тем более, что миллиамперметр с пределом 1 мА у меня был. Конечно, как всегда, действительность оказывается сложнее. Ведь измерять-то нужно параметры как p-n-p, так и n-p-n транзисторов. А это значит, что нужно менять полярность источника питания и полярность включения измерительного прибора.

Я решил обойтись одним прибором и двумя токами базы 10 и 2 мкА.

Рис. 3. Схема измерителя коэффициента усиления по постоянному току.
Рис. 3. Схема измерителя коэффициента усиления по постоянному току.

Это позволяет при токе коллектора 1мА измерять Вст на одном диапазоне - до 100, на другом - до 500. Первый предел - для старых советских транзисторов типа МП42, КТ312 и т.д., а второй - ждя более современных типа КТ3102 и импортных. Для индикации включения и полярности два светодиода. В любом положении переключателя S2 будет светится только тод диод, на аноде которого будет положительное напряжение. Питание - от одного аккумулятора Li-ion, напряжением 4 В.

Часто возникают трудности с корпусом. Можно, конечно, купить на Али.

Рис. 4.
Рис. 4.

Можно в Чипе, но в два раза дороже. А мне нравятся доступные в почти что в любом хозяйственном магазине распределительный коробки. Единственный недостаток - они в большинстве своем квадратные :).

Рис. 5.
Рис. 5.
Рис. 6. Комплектующие для прибора.
Рис. 6. Комплектующие для прибора.

На рис.5 а - аккумулятор формата АА, одноместной кассеты под него не нашлось, пришлось ополовинить двухместную. В качестве панельки для транзистора взял панельку для микросхемы (5б). Трехпозиционный переключатель от дядюшки Ху, который, как оказалось позже, переключался только на два положения (5в). Для переключения полярности использовал трехпозиционные тумблеры с устойчивым средним положением (5г).

Рис. 7. Вид на монтаж.
Рис. 7. Вид на монтаж.
Рис. 8. Прибор с подключенным миллиамперметром.
Рис. 8. Прибор с подключенным миллиамперметром.

Так как тумблеры имеют три положения, то обошелся без выключателя питания - в среднем положении питание от схемы отключено. В принципе, можно объединить оба тумблера, ноя не стал этого делать, так как и без этого их можно переключать синхронно. Но удобнее сначала верхним тумблером выбрать нужную проводимость транзистора, а нижний тумблер, подключенный к миллиамперметру, оставить в среднем положении. Затем вставить в панельку транзистор, и только потом подключить прибор.

Я вставил КТ361Г и все заработало. Светится красный светодиод. Поменял полярность и вставил КТ315Г. Вст почти такой же. Светится синий светодиод.

Рис. 9.
Рис. 9.

Решил проверить этот транзистор с помощью прибора от дядюшки Ху.

Рис. 10.
Рис. 10.

Получилось очень даже здорово: у меня - 210, а у дядюшки Ху - 217. Разница почти совсем исчезает, если установить миллиамперметр в вертикальное положение, как и требуется.

Решил проверить транзистор КТ316В с помощью всех имеющихся у меня приборов.

Р.ис.11.
Р.ис.11.

Мой прибор показал около 70-ти (я переключил на другой диапазон).

Рис. 12.
Рис. 12.

У дядюшки Ху немного поменьше.

Рис. 13.
Рис. 13.
Рис. 14.
Рис. 14.

Что сказать, прибор у меня получился вполне себе нормальный.

Теперь немного о других моих измерителях. В тестерах очень неудобные панельки для транзисторов. Приходится проволочными ножками транзистора долго искать контакты, а КТ315 -й туда вообще не засунешь. Нужно делать переходник.

Сейчас за 800-1500 руб можно на Али приобрести "универсальный" измеритель, который не только измеряет основные параметры транзистора, но (что меня в свое время меня просто убило) - он определяет цоколевку транзистора.

Рис. 15.
Рис. 15.

Я такой купил еще лет 5 тому назад и пользуюсь до сих пор. Кроме транзисторов (биполярных и полевых) он проверяет диоды, измеряет емкость (и ESR) конденсаторов, индуктивность катушек и сопротивление транзисторов. Есть у него и недостаток - не может измерять маленькие емкости и индуктивности, питается от Кроны (я сделал преобразователь и питаю от Li-ion аккумулятора).

Всем здоровья и успехов!