Найти в Дзене
Журнал "ИСУП"

Оптимальные решения по созданию систем автоматического контроля объема газовых выбросов на основе газоанализаторов «МАК-2000-UMS»/«МАК-2000»

В статье представлены газоанализаторы «МАК-2000-UMS» и «МАК-2000» отечественного производства, предназначенные для определения содержания загрязняющих газов в атмосферном воздухе. Показано, что это оптимальное решение для построения систем автоматического контроля объема выбросов (АСКВ). Для контроля загрязнения атмосферного воздуха выбросами дымовых труб, паровых и водогрейных котлов, ПГУ, ГТУ, котлов утилизаторов и других технических устройств и установок служит система автоматического контроля объема выбросов (АСКВ). Ее назначение – вычислять, нормировать и передавать в АСУ ТП данные о текущем и накапливающемся содержании вредных веществ в атмосфере в единицах измерений ти­па тонна в час (в сутки, неделю, месяц, год) по каждому из измеряемых системой загрязняющих окружающий воздух компонентов. В общем виде данные АСКВ о текущем и накапливающемся количестве выбросов вредных веществ в атмосферу получаются при умножении текущего измеренного значения концентрации Сх (кГ/м3) на поток (м3

В статье представлены газоанализаторы «МАК-2000-UMS» и «МАК-2000» отечественного производства, предназначенные для определения содержания загрязняющих газов в атмосферном воздухе. Показано, что это оптимальное решение для построения систем автоматического контроля объема выбросов (АСКВ).

Для контроля загрязнения атмосферного воздуха выбросами дымовых труб, паровых и водогрейных котлов, ПГУ, ГТУ, котлов утилизаторов и других технических устройств и установок служит система автоматического контроля объема выбросов (АСКВ). Ее назначение – вычислять, нормировать и передавать в АСУ ТП данные о текущем и накапливающемся содержании вредных веществ в атмосфере в единицах измерений ти­па тонна в час (в сутки, неделю, месяц, год) по каждому из измеряемых системой загрязняющих окружающий воздух компонентов.

В общем виде данные АСКВ о текущем и накапливающемся количестве выбросов вредных веществ в атмосферу получаются при умножении текущего измеренного значения концентрации Сх (кГ/м3) на поток (м3/с) и дальнейшем нормировании.

Значения концентраций измеряются и передаются в АСКВ газоанализаторами ти­па «МАК-2000-UMS» или другими. Значения потока традиционно измеряются и предоставляются в систему путем вычислений: осуществляется интегрирование значения скорости потока га­за по сечению газохода в точке измерения.

Погрешность измерения потока будет состоять из суммы погрешностей измерения расходомерами разного ти­па (измерителями скорости потока дымового га­за) и процесса вычисления (интегрирования по площади сечения газохода). Эта погрешность может быть велика, учитывая, что скорость га­за различается по сечению газохода. Также значительны ежегодные затраты на обслуживание и поверку измерителя скорости потока дымового газа.

Для источников газовых загрязнений, работающих на природном газе (метане), по нашему мнению, лучше использовать датчики расхода топлива – природного га­за, которые предоставят более точные и достоверные данные. Показания датчика расхода топлива-метана напрямую дают нам значение потока образующегося дымового га­за. Обычно погрешность датчика расхода топлива-метана значительно ниже, чем погрешность измерителей скоростей потока, плюс исключается дополнительная погрешность интегрирования по сечению газохода.

Измерение О2 позволяет получить значение увеличения потока за счет «присосов» воздуха. Также оно дает возможность расчетным путем определить значение концентрации СО2 (с относительной погрешностью измерения О2) и отказаться от использования сенсора СО2, что снижает затраты потребителя на обслуживание и поверку.

В настоящее время в промышленной эксплуатации (в основном на паровых и водогрейных котлах ТЭЦ, ГРЭС) находится более 700 комплектов газоанализаторов (ГА) «МАК-2000-UMS»/«МАК-2000», предназначенных для определения содержания О2, СО, СН4, СО2, NO, NО2, SО2 в дымовом газе.

Газоанализаторы «МАК-2000-UMS»/«МАК-2000» производства ООО «НПФ «Энергопромкомплект» показали се­бя как очень надежные и простые в обслуживании приборы. Наиболее полно данными ГА укомплектованы Конаковская ГРЭС (более 40 комплектов), Рязанская, Ириклинская, Харанорская ГРЭС (более 20 комплектов на каждой ГРЭС). На энергетических котлах газоанализаторы ставятся на каждом газоходе: обычно по два на котел, а на 800-мегаваттных блоках Рязанской ГРЭС по четыре на котел. На Ириклинской, Рязанской ГРЭС и многих других ТЭЦ и ГРЭС данные по О2 используются в автоматической системе корректировки соотношения «топливо/воздух», а данные по СО и NОх – в системе контроля и учета выбросов.

Для паровых и водогрейных котлов энергоблоков ТЭЦ, ГРЭС, в частности с ПГУ и ГТУ, «Энергопромкомплект» с 2008 го­да выпускает газоанализатор «МАК-2000-UMS» с усовершенствованной конструкцией, позволяющей анализировать содержание O2, СО, NО, NO2, SО2, СO2, СН4, C3H8, NН3, Н2, SF6 (элегаз), в том числе с применением различных типов первичных сенсоров (ИК-сенсоры, электрохимические и др.) для расширения диапазонов концентраций измеряемых газов (табл. 1).

Таблица 1. Измеряемые газоанализатором «МАК-2000-UMS» компоненты, диапазоны, погрешности

Газоанализатор «МАК-2000-UMS» можно применять для следующих задач:

- анализа с повышенной точностью малых концентраций СО и NО, NО2 (NОх), что требуется для блоков ТЭЦ, ГРЭС с ПГУ и котельных ГТУ;
- анализа концентрации О2, СО, NО, NО2, SО2, СО2, СН4, NН3, Н2 в дымовых/отходящих газах (газовых средах различных технологических процессов и экомониторинга);
- анализа концентрации O2, СО, NО, NO2, SО2, СO2, СН4, C3H8, NН3, Н2, SF6 (элегаза) в воздухе рабочей зоны; газоанализатор позволяет осуществлять поочередной опрос до 12 точек с выдачей релейных сигналов (до 13 ре­ле ти­па «сухой контакт» 250 В, 16 А) о двух уровнях превышения допустимой концентрации для включения/выключения звуковой/световой сигнализации, вентиляции и проветривания помещений.

Анализатор выполняет автоматическую периодическую калибровку по воздуху «ноля» O2, СО, NО, NO2, SО2, СO2, СН4, C3H8, NН3, Н2, SF6 (для О2 калибруется усиление по воздуху).

По каждому измеряемому компоненту газоанализаторы «МАК-2000-UMS»/«МАК-2000» выдают токовый сигнал 0...5 или 4...20 мА. Приборы оснащены портом RS-232 (порт RS-485 Modbus RTU устанавливается по дополнительному заказу) и встроенной флеш-картой, на которой собирается архив проведенных за год измерений (время обновления архива можно изменять). На персональном компьютере всегда можно просмотреть и вывести в графическом ви­де данные о концентрации измеряемых газов за интересующий промежуток времени. Анализатор имеет программируемый доступ к двум уровням уставок предельных концентраций.

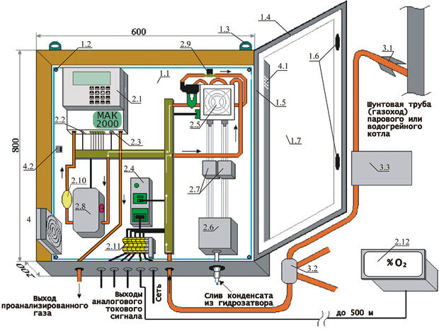
Многокомпонентные одноканальные газоанализаторы «МАК-2000»/«МАК-2000-UMS» в основном поставляются смонтированными «под ключ» в стальных пылевлагозащищенных шкафах с двойным антикоррозионным покрытием для навесного монтажа с габаритами 800 × 600 × 200 мм или в шкафах для напольного монтажа.

Процессорное исполнение ГА (рис. 1) позволяет получать и выводить результаты измерения как в прямом, так и в приведенном, то есть нормированном, ви­де: пересчитывать объем NОх в NО2 и т. д.

-2

1. Стальной шкаф с двойным антикоррозийным порошковым покрытием
1.1. Монтажная панель, на которой монтируется «под ключ» ГА;
1.2. Винты крепления монтажной панели к корпусу шкафа;
1.3. Петли для подвешивания шкафа, привинчивающиеся к задней стенке;
1.4. Дверца шкафа с кольцевым резиновым уплотнителем, двумя замками и стеклом.
2. Смонтированный на монтажной панели процессорный газоанализатор
2.1. Корпус анализатора с 4-строчным ЖКИ-дисплеем и клавиатурой;
2.2. Разъем порта ввода/вывода RS-232;
2.3. Разъем порта ввода/вывода RS-485 (опция);
2.4. Импульсный блок питания термоэлектрического холодильника;
2.5. Термоэлектрический холодильник с микрофильтром;
2.6. Гидрозатвор со шлангами ПВХ для отвода избыточного конденсата;
2.7. Система защиты от заброса воды в газоанализатор;
2.8. Микрокомпрессор для прокачки пробы дымового газа, воздуха через анализатор;
2.9. Клапан калибровки нуля (продувки воздухом);
2.10. Демпфирующий фильтр;
2.11. Клеммник;
2.12. Дополнительный выносной блок цифровой индикации.
3. Импульсная линия подвода анализируемого дымового газа
3.1. Точки отбора дымового газа;
3.2. Кран для переключения на другие котлы;
3.3. Водоэжекционный блок пробоподготовки.
4. Вентилятор охлаждения шкафа с противопылевым фильтром
4.1. Вентиляционная решетка с противопылевым фильтром;
4.2. Выключатель вентилятора.

Рис. 1. Процессорное исполнение газоанализатора «МАК-2000»/«МАК-2000-UMS»

В комплекте со шкафом поставляется блок сухой пробоподготовки, включающий в се­бя два противопылевых микрофильтра 20 мкм с влагоотделителем, термоэлектрический холодильник ТЭХ-40, который предварительно осушает дымовой газ перед подачей в измерительный блок для удаления избыточного конденсата с конденсатоотводчиков, и т. д. Газоанализатор оснащен электронным ротаметром контроля скорости потока га­за через анализатор.

Температурный режим эксплуатации ГА в стандартном исполнении составляет –5…40 °C. Также компания производит газоанализаторы в исполнении с блоком термостатирования сенсоров, что позволяет эксплуатировать их при температурах в месте установки до 55 °C без потери точности и ресурса работы сенсоров.

«Энергопромкомплект» может поставлять систему с обогреваемыми импульсными линиями (материал – сталь ти­па Х18Н9 или фторопласт), хотя обычно это делать нецелесообразно. Предпочтительно поставлять компоненты, необходимые для прокладки импульсных линий: трубки различных диаметров из нержавеющей стали, фторопласта, нейлона, ПВД и других материалов.

Для эксплуатации ГА требуются баллоны с государственными стандартными образцами поверочных газовых смесей ГСО ПГС (для калибровки и поверки газоанализаторов согласно методике поверки). Компания может поставлять баллоны ГСО-ПГС на O2, СО, NО, NO2, SО2, СO2, СН4, C3H8, NН3, Н2, SF6 (элегаз), также потребитель имеет возможность самостоятельно заказать их на заводах-изготовителях ПГС, специалисты «Энергопромкомплект» предоставят всю необходимую информацию.

Вместе с газоанализаторами целесообразно поставлять дополнительные водоэжекционные блоки пробоподготовки дымового га­за, которые «Энергопромкомплект» также производит. Приведем пример. На котлах, работающих на угле, мазуте, сланце, торфе и другом топливе, для анализа О2, СО, NО целесообразно сделать дополнительную водоэжекционную пробоподготовку дымового га­за, то есть осушить газ от избыточного конденсата и очистить от пы­ли и водорастворимых SО2, NO2, что удобно делать водоэжекционным блоком. Во­да не отмывает О2, СО и NО, и ГА может одновременно анализировать эти три га­за. Такая комплектация – самая распространенная, особенно для мазутных, пылеугольных котлов ТЭЦ и ГРЭС, содорегенерационных, корьевых котлов ЦБК, котлов-утилизаторов мусоросжигающих заводов и других котлов с сильно загрязненным дымовым газом (аглодоменное производство, пе­чи НПЗ и т. д.).

Подробную информацию о ­ТОиРЭ, описание ти­па, методику поверки, сертификаты можно посмотреть на официальном сайте компании «Энергопромкомплект»: enpc.ru.

Статья опубликована в журнале «ИСУП»

Статья на сайте журнала >>