Добавить в корзинуПозвонить
Найти в Дзене
Андрей Левкин

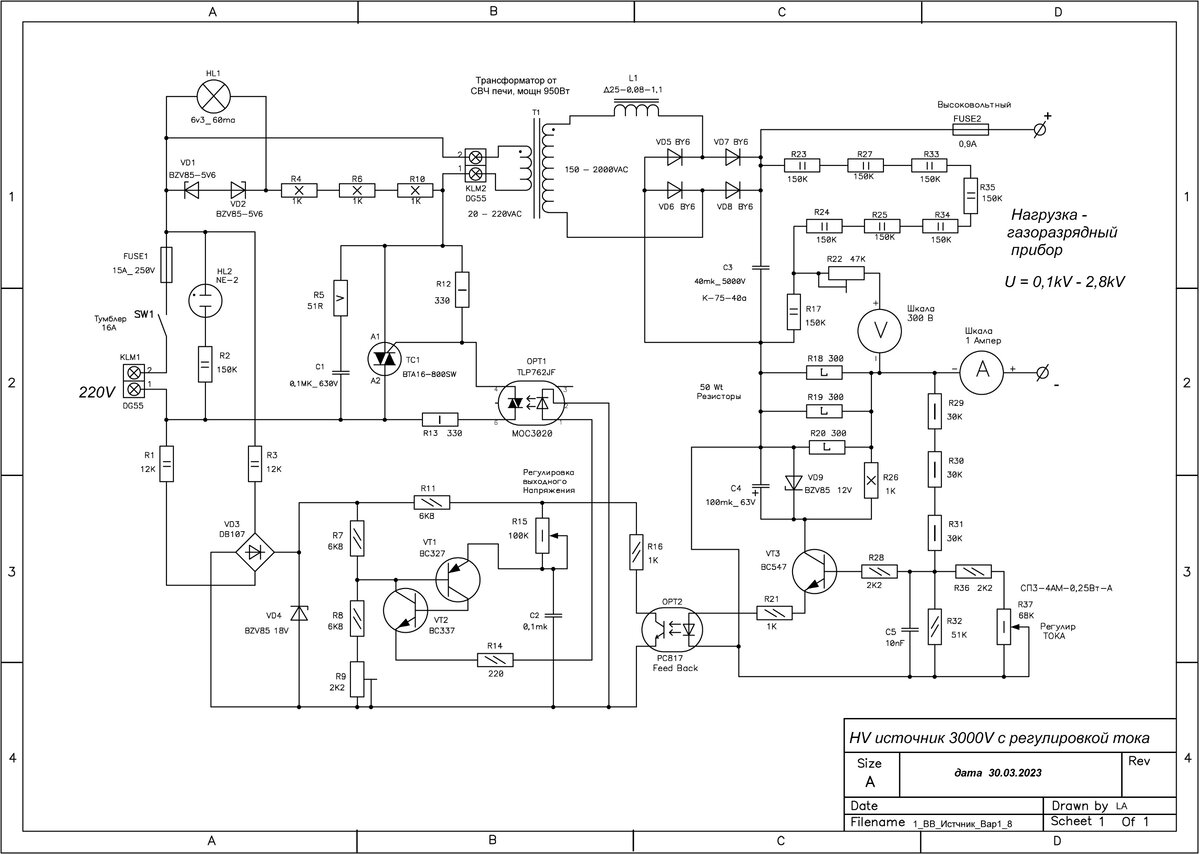
Высоковольтный регулируемый блок питания

Этот источник питания предназначен для исследования газовых разрядов. Этот БП используется в МФТИ, как демонстрационный прибор. Выходное напряжение регулируется в пределах 0...2600В (если потребляемый ток мал). Ограничение тока тоже регулируется : от 0,1А до 0,7А. Более подробное описание подготовлю позже. Выглядит БП так: Работает, как показано в видеоролике: https://vk.com/video/@levkin_andrew_a?z=video204990326_456239207%2Fpl_204990326_-2

Этот источник питания предназначен для исследования газовых разрядов.

Этот БП используется в МФТИ, как демонстрационный прибор.

Выходное напряжение регулируется в пределах 0...2600В (если потребляемый ток мал). Ограничение тока тоже регулируется : от 0,1А до 0,7А. Более подробное описание подготовлю позже. Выглядит БП так:

-2

Работает, как показано в видеоролике: https://vk.com/video/@levkin_andrew_a?z=video204990326_456239207%2Fpl_204990326_-2