Найти в Дзене
Будни инженера

Делитель напряжения на резисторах

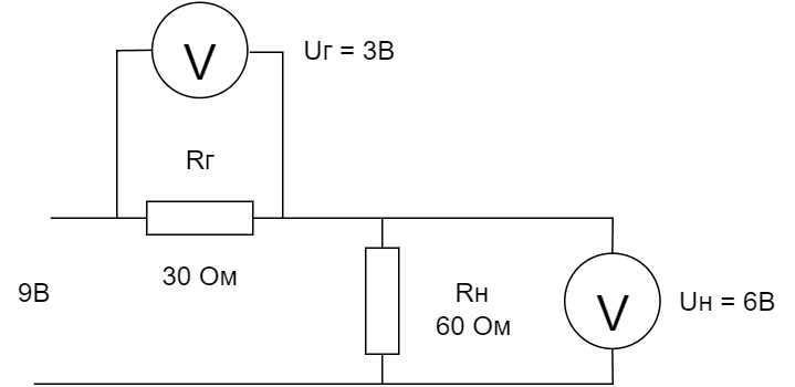
Ранее я рассказывал о том, как снизить питающее напряжение с помощью гасящего резистора. Это самый простой способ, но у него есть один существенный недостаток: его нельзя использовать с изменяющейся нагрузкой. Вообще в случаях, когда потребляемый ток может изменяться в значительных пределах, лучше использовать стабилизированные источники питания. Но если по каким-то причинам это невозможно или нежелательно, то можно обойтись и резисторами. Потенциометрический делитель (его также называют делителем напряжения) - это два последовательно включенных резистора. Один из этих резисторов будет гасящим, а второй будет включен параллельно нагрузке. По закону Ома мы можем узнать ток в цепи: I = U / R = 9В / (Rг + Rн) = 9 / 90 = 0,1А По тому же закону мы может определить напряжение на любом из резисторов. Например, напряжение на Rн будет: Uн = I * R = 0,1 * 60 = 6В Если мы используем только гасящий резистор для понижения напряжения, то, например, при включении в цепь одной лампы 6В 0,1А всё будет

Ранее я рассказывал о том, как снизить питающее напряжение с помощью гасящего резистора. Это самый простой способ, но у него есть один существенный недостаток: его нельзя использовать с изменяющейся нагрузкой.

Вообще в случаях, когда потребляемый ток может изменяться в значительных пределах, лучше использовать стабилизированные источники питания. Но если по каким-то причинам это невозможно или нежелательно, то можно обойтись и резисторами.

Потенциометрический делитель (его также называют делителем напряжения) - это два последовательно включенных резистора. Один из этих резисторов будет гасящим, а второй будет включен параллельно нагрузке.

По закону Ома мы можем узнать ток в цепи:

I = U / R = 9В / (Rг + Rн) = 9 / 90 = 0,1А

По тому же закону мы может определить напряжение на любом из резисторов. Например, напряжение на Rн будет:

Uн = I * R = 0,1 * 60 = 6В

Если мы используем только гасящий резистор для понижения напряжения, то, например, при включении в цепь одной лампы 6В 0,1А всё будет хорошо - при гасящем резисторе 30 Ом напряжение на лампе будет 6В. Однако если мы параллельно подключим вторую лампу, то это приведёт к изменению общего сопротивления цепи и сопротивления нагрузки.

-2

В нашем случае сопротивление Rн, вместо которого включены уже две лампы, будет в два раза меньше, то есть 30 Ом. Тогда ток в цепи:

I = U / R = 9В / (30 + 30) = 9 / 60 = 0,15А

А напряжение на лампах также упадёт до

Uн = I * R = 0,15 * 30 = 4,5В

ПРИМЕЧАНИЕ: пример с лампами не очень удачный, потому что их сопротивление может изменяться при нагреве нити накаливания. Но наш случай чисто теоретический, учебный, поэтому мы считаем, что сопротивление лампы не изменяется в ходе прогрева и всегда равно 60 Ом.

Теперь вопрос: за счёт чего мы можем стабилизировать напряжение на нагрузке и сделать так, чтобы напряжение не падало так сильно при изменении тока нагрузки?

Уменьшение падения напряжения на втором резисторе достигается за счёт того, что его сопротивление значительно меньше сопротивления нагрузки. Схема примерно такая:

-3

То есть здесь у нас гасящий резистор, сопротивление которого мы уменьшили в 10 раз, резистор, включенный параллельно нагрузке, и сама нагрузка. Расчёт общего сопротивления сопротивления двух параллельно включенных резисторов:

R = (Rл * Rн) / (Rл + Rн) = (60 * 6) / (60 + 6) = 5,45 Ом

Здесь Rл - сопротивление лампы. А ток в цепи будет:

I = 9 / (3 + 5,45) = 9 / 8,45 = 1,07 А

Тогда напряжение на лампе будет:

Uн = 1,07 * 5,45 = 5,8 В

То есть чуть ниже, чем 6В. Чтобы добиться наличия 6В, надо уменьшить сопротивление гасящего резистора. Но мы этого делать не будем, поскольку для понимания сути работы потенциометрического делителя это не нужно.

Теперь включаем параллельно вторую лампу и повторяем расчёт:

R = (Rл * Rн) / (Rл + Rн) = (30 * 6) / (30 + 6) = 5 Ом

То есть ток в цепи будет:

I = 9 / (3 + 5) = 9 / 8 = 1,125 А

Тогда напряжение на лампе будет:

Uн = 1,125 * 5 = 5,6 В

Да, напряжение ещё немного упало. Но именно немного, а не до 4,5В, когда мы использовали только гасящий резистор. Чтобы ещё уменьшить падение напряжения на нагрузке, надо ещё уменьшить сопротивления Rг и Rн, например, до 0,3 и 0,6 Ом соответственно. Но тогда, конечно, потребление тока будет запредельным.

В общем, суть вы, надеюсь, уловили. Но и главный вывод - это цена такой стабилизации. А цена - очень высокое потребление тока. То есть для того, чтобы получить более-менее стабильное напряжение на нагрузке, нам пришлось увеличить потребление примерно в 10 раз.

Поэтому такие схемы оправданы только при высокоомной нагрузке. Например, для питания каких-нибудь маломощных усилителей, устройств на микросхемах (но здесь надо сильно подумать) и т.п.

На этом всё. Подписывайтесь на канал, чтобы ничего не пропустить…