Найти в Дзене

Клон ZX Spectrum 48k. Поиск неисправности. (Часть 6)

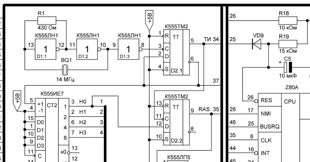
Добрый день. Сегодня я напишу, в чем же неисправность моего клона Спектрума, которая выявилась при подключении его к телевизору. Скажу наперед – проблему я нашел очень быстро. Итак, в чем же неисправность? Почему не выводит изображение на телевизор? Я решил начать проверку с самого начала, а именно с тактового генератора. Вооружившись схемой, я начал искать нужные мне микросхемы на плате. Выводы кварцевого резонатора подключены к 10-му и 13-му выводам микросхемы логики К555ЛН1 обозначенной на схеме D1, которая представляет собой шесть логических элементов НЕ. С 8-го вывода микросхемы К555ЛН1 сигнал идет на 3-й вывод микросхемы К555ТМ2 обозначенной как D2. Эта микросхема – сдвоенный D-триггер. Она используется для снижения тактовой частоты. Теперь подробнее. Микроконтроллер Z80, а в моем случае его полный аналог КР1858ВМ1 работает на частоте 3,5МГц. Кварцевый резонатор, установленный на плате, генерирует частоту 14МГц. Что бы получить требуемые 3,5МГц нужно частоту в 14МГц уменьшить в 4

Добрый день. Сегодня я напишу, в чем же неисправность моего клона Спектрума, которая выявилась при подключении его к телевизору. Скажу наперед – проблему я нашел очень быстро.

Итак, в чем же неисправность? Почему не выводит изображение на телевизор?

Я решил начать проверку с самого начала, а именно с тактового генератора. Вооружившись схемой, я начал искать нужные мне микросхемы на плате.

Выводы кварцевого резонатора подключены к 10-му и 13-му выводам микросхемы логики К555ЛН1 обозначенной на схеме D1, которая представляет собой шесть логических элементов НЕ. С 8-го вывода микросхемы К555ЛН1 сигнал идет на 3-й вывод микросхемы К555ТМ2 обозначенной как D2. Эта микросхема – сдвоенный D-триггер. Она используется для снижения тактовой частоты.

Теперь подробнее. Микроконтроллер Z80, а в моем случае его полный аналог КР1858ВМ1 работает на частоте 3,5МГц. Кварцевый резонатор, установленный на плате, генерирует частоту 14МГц. Что бы получить требуемые 3,5МГц нужно частоту в 14МГц уменьшить в 4 раза. Вот для этой цели и используется микросхема К555ТМ2.

С 8-го выхода микросхемы К555ЛН1 с частотой 14МГц поступает высокий логический уровень на вход синхронизации 1-го D-триггера микросхемы К555ТМ2. На его входы S и R подключен +питания, т.е. там всегда высокий логический уровень. Триггер переключает состояния своих выходов 5 и 6 попеременно на высокий и низкий уровни каждый такт. Выходит, что на его прямом выходе, вывод 5, каждый второй такт высокий логический уровень. Следовательно, наш исходный сигнал с частотой 14МГц поделился пополам и стал 7МГц. Прямой выход 5 подключен на вход синхронизации 11 второго D-триггера, а на прямом выходе 9 формируется, поделенный еще раз, сигнал с частотой 3,5МГц. Вот этот сигнал и является тактирующим для микроконтроллера КР1858ВМ1 и подключен к 6-му выводу микросхемы.

Эти сигналы я и решил проверить для начала.

На кварцевом резонаторе частота составила 14,43МГц.

-2

Частота завышена, но думаю, что это сильно не повлияет. Далее я проверил частоту на выводе 5 первого D-триггера, и она составила ожидаемые 7,213МГц. Т.е. все в порядке.

-3

А вот частота на выводе 9 второго D-триггера отсутствовала.

-4

Т.е. тактирование микроконтроллера не происходило, а соответственно он и не запускался! И то, что я принял за «матрац» на самом деле им не являлось.

Вывод: мне нужно искать рабочую микросхему К555ТМ2 и впаивать ее на место нерабочей.

Если я в чем-то ошибся – прошу поправить меня в комментариях.