Найти в Дзене
Все в 3D в SolidWorks

Чертежи деталей губки подвижной по ГОСТ в SolidWorks

Всем привет! В этой статье я выполню в SolidWorks чертежи деталей, входящих в сборку Губки подвижной, сборочной чертеж которой я сделал в предыдущем уроке! Открываем данную сборку в SolidWorks. Чертеж детали «3ДДД.003.01.001 Уголок» Далее кликаем правой кнопкой по уголку под обозначением «3ДДД.003.01.001» и нажимаем по иконке «Открыть деталь». Деталь открывается в новой вкладке в SolidWorks. Затем нажимаем «Файл, Создать чертеж из детали» в открывшемся окне «Новый документ SOLIDWORKS» выбираем «Шаблон чертежа ГОСТ» и нажимаем «ОК». Далее открывается окно выбора формата листа чертежа, выбираем шаблон формата чертежа по ГОСТ: «А4 – ГОСТ-Л1-В» и нажимаем ОК. Данные шаблоны для создания в SolidWorks чертежа по ГОСТ ЕСКД можно скачать и установить вместе с курсом «Быстрая настройка SolidWorks по ГОСТ ЕСКД». Открывается палитра видов, выбираем из нее вид «Слева» и добавляем его на чертеж. Далее добавим от этого вида слева еще один проекционный вид и местный вид А. Далее проставляем размеры н
Оглавление
Чертежи деталей губки подвижной по ГОСТ в SolidWorks
Чертежи деталей губки подвижной по ГОСТ в SolidWorks

Всем привет! В этой статье я выполню в SolidWorks чертежи деталей, входящих в сборку Губки подвижной, сборочной чертеж которой я сделал в предыдущем уроке!

Открываем данную сборку в SolidWorks.

Сборка губки подвижной из металлопрофиля в SolidWorks.
Сборка губки подвижной из металлопрофиля в SolidWorks.

Чертеж детали «3ДДД.003.01.001 Уголок»

Далее кликаем правой кнопкой по уголку под обозначением «3ДДД.003.01.001» и нажимаем по иконке «Открыть деталь».

Открытие детали через сборку в SolidWorks.
Открытие детали через сборку в SolidWorks.

Деталь открывается в новой вкладке в SolidWorks.

Деталь 3ДДД.003.01.001 Уголок в отдельной вкладке в SolidWorks.
Деталь 3ДДД.003.01.001 Уголок в отдельной вкладке в SolidWorks.

Затем нажимаем «Файл, Создать чертеж из детали» в открывшемся окне «Новый документ SOLIDWORKS» выбираем «Шаблон чертежа ГОСТ» и нажимаем «ОК».

Выбор шаблона чертежа по ГОСТ в SolidWorks.
Выбор шаблона чертежа по ГОСТ в SolidWorks.

Далее открывается окно выбора формата листа чертежа, выбираем шаблон формата чертежа по ГОСТ: «А4 – ГОСТ-Л1-В» и нажимаем ОК.

Выбор шаблона формата чертежа по ГОСТ в SolidWorks.
Выбор шаблона формата чертежа по ГОСТ в SolidWorks.
Данные шаблоны для создания в SolidWorks чертежа по ГОСТ ЕСКД можно скачать и установить вместе с курсом «Быстрая настройка SolidWorks по ГОСТ ЕСКД».

Открывается палитра видов, выбираем из нее вид «Слева» и добавляем его на чертеж.

Палитра видов и вид слева на чертеже в SolidWorks.
Палитра видов и вид слева на чертеже в SolidWorks.

Далее добавим от этого вида слева еще один проекционный вид и местный вид А.

Проекционный вид и местный вид в чертеже по ГОСТ в SolidWorks.
Проекционный вид и местный вид в чертеже по ГОСТ в SolidWorks.

Далее проставляем размеры на чертеже, шероховатость поверхностей и вносим с шаблона чертежа технические требования.

И получаем данный чертеж.

Чертеж уголка 3ДДД.003.01.001 Уголок по ГОСТ в SolidWorks
Чертеж уголка 3ДДД.003.01.001 Уголок по ГОСТ в SolidWorks

Как можно заметить материал и сортамент прописал автоматически так как мы его заполнили в свойствах детали при проектировании.

Не забываем сохранить данный чертеж и переходи к созданию чертежа по ГОСТ второго уголка из сборки подвижной губки.

Чертеж детали «3ДДД.003.01.002 Уголок»

Начинаем чертеж данной детали также с открытия 3д модели детали в SolidWorks.

3D модель уголка 3ДДД.003.01.002 Уголок в SolidWorks
3D модель уголка 3ДДД.003.01.002 Уголок в SolidWorks

Далее также как в чертеже предыдущей детали используем шаблоны для создания чертежа по ГОСТ для SolidWorks создаем чертеж формата А4 и добавляем на него виды как на картинке ниже.

Виды на чертеже уголка 3ДДД.003.01.002 в SolidWorks
Виды на чертеже уголка 3ДДД.003.01.002 в SolidWorks

При добавлении главного вида мне пришлось повернуть его на 90 градусов, как это сделать подробно рассказано в данной статье: Чертеж царги табурета в SolidWorks.

Теперь нужно назначить размеры на чертеже, шероховатость поверхностей и технические требования и осевые линии.

В итоге у меня получился данный чертеж.

Чертеж уголка по ГОСТ в SolidWorks
Чертеж уголка по ГОСТ в SolidWorks

Сохраняем данный чертеж и переходим к созданию чертежа последней детали сборки 3ДДД.003.01.000 СБ Губка подвижная – Ребро.

Чертеж детали «3ДДД.003.01.003 Ребро»

Чертеж детали создадим таким же методом, как и два предыдущих чертежа.

Открываем 3д модель данной детали из сборки.

3д модель ребра в SolidWorks.
3д модель ребра в SolidWorks.

Создаем чертеж с помощью шаблонов которые мы применяли выше. Добавляем следующие виды.

Виды на чертеже ребра 3ДДД.003.01.003 в SolidWorks
Виды на чертеже ребра 3ДДД.003.01.003 в SolidWorks

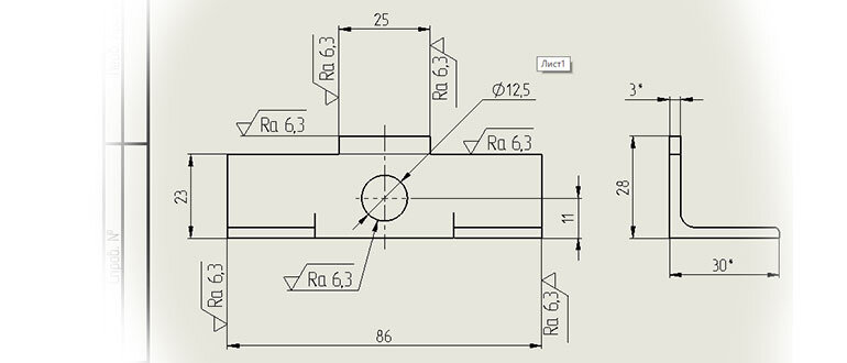
Далее также как на чертежах уголков добавляем размеры, шероховатость и технические требования.

Чертежи деталей губки подвижной по ГОСТ в SolidWorks

И получаю готовый чертеж ребра в SolidWorks по ГОСТ ЕСКД.

Чертеж ребра в SolidWorks по ГОСТ ЕСКД.
Чертеж ребра в SolidWorks по ГОСТ ЕСКД.

На этом в данной статье все.

Напоминаю, при создании данных чертежей использовались шаблоны по ГОСТ ЕСКД для SolidWorks. Подробнее про данные шаблоны можно узнать из курса «Быстрая настройка SolidWorks по ГОСТ».

Всем пока!