Добавить в корзинуПозвонить
Найти в Дзене
Все в 3D в SolidWorks

Мини тиски, сборочный чертеж по ГОСТ в SolidWorks

Всем привет! В этой статье я выполню сборочный чертеж по ГОСТ ЕСКД в SolidWorks мини тисков из металлопрофиля. Открываем сборку данных мини тисков Создание сборочного чертежа в SolidWorks И нажимаем «Файл, создать чертеж из сборки», открывается окно «Новый документ SOLIDWORKS» выбираем в нем «Шаблон чертежа ГОСТ» и нажимаем ок. Отмечу, что все настройки чертежа в SolidWorks по ГОСТ ЕСКД внесены в данный шаблон. Далее открывается окно «Формат листа/Размер». Выбираем формат листа «А3 – ГОСТ-Л1-Г» и нажимаем «ОК». Автоматически открывается палитра видов в панели справа. Добавление видов на сборочный чертеж в SolidWorks. В качестве главного устанавливаем вид справа. Затем выполняем проекционные от него виды сверху и слева. И для наглядности вставляем еще вид изометрии. Обращаем внимание, что свойства сборки, указанные при ее моделировании, заполнились в основной надписи автоматически. Далее выполняем еще один вспомогательный разрез А-А по оси болтов, крепящих губку неподвижную и упор к осн
Оглавление
Мини тиски, сборочный чертеж по ГОСТ в SolidWorks
Мини тиски, сборочный чертеж по ГОСТ в SolidWorks

Всем привет! В этой статье я выполню сборочный чертеж по ГОСТ ЕСКД в SolidWorks мини тисков из металлопрофиля.

Открываем сборку данных мини тисков

Сборка мини тисков из металлопрофиля в SolidWorks.
Сборка мини тисков из металлопрофиля в SolidWorks.

Создание сборочного чертежа в SolidWorks

И нажимаем «Файл, создать чертеж из сборки», открывается окно «Новый документ SOLIDWORKS» выбираем в нем «Шаблон чертежа ГОСТ» и нажимаем ок.

Отмечу, что все настройки чертежа в SolidWorks по ГОСТ ЕСКД внесены в данный шаблон.

Окно новый документ в SolidWorks, выбор шаблона чертежа по ГОСТ.
Окно новый документ в SolidWorks, выбор шаблона чертежа по ГОСТ.

Далее открывается окно «Формат листа/Размер». Выбираем формат листа «А3 – ГОСТ-Л1-Г» и нажимаем «ОК».

Выбор формата листа в SolidWorks по ГОСТ.
Выбор формата листа в SolidWorks по ГОСТ.

Автоматически открывается палитра видов в панели справа.

Палитра видов в панели справа в SolidWorks
Палитра видов в панели справа в SolidWorks

Добавление видов на сборочный чертеж в SolidWorks.

В качестве главного устанавливаем вид справа. Затем выполняем проекционные от него виды сверху и слева.

И для наглядности вставляем еще вид изометрии.

Виды на сборочном чертеже тисков в SolidWorks
Виды на сборочном чертеже тисков в SolidWorks

Обращаем внимание, что свойства сборки, указанные при ее моделировании, заполнились в основной надписи автоматически.

Далее выполняем еще один вспомогательный разрез А-А по оси болтов, крепящих губку неподвижную и упор к основанию.

Разрез А-А на сборке мини тисков из металлопрофиля в SolidWorks.
Разрез А-А на сборке мини тисков из металлопрофиля в SolidWorks.

По ГОСТ ЕСКД болты, винты шайбы, гайки… должны отображаться не рассечёнными. Как это выполнить в SolidWorks смотрим: Как на разрезе в чертеже SolidWorks отобразить часть деталей нерассеченными.

Еще добавляем вспомогательный вид по стрелке «Б». Который покажет нам нижнею плоскость тисков.

Далее обрежем его оставив в зоне видимости только нижний паз и переместим его в свободную часть чертежа.

Обрезанный вид Б на чертеже мини тисков в SolidWorks.
Обрезанный вид Б на чертеже мини тисков в SolidWorks.

И еще на главном виде выполним, вырыв до оси детали в зоне пазов.

И добавляем на чертеже осевые линии, инструменты для нанесения осевых линий находятся на вкладке примечания.

Главный вид мини тисков из металлопрофиля с вырывом в зоне пазов.
Главный вид мини тисков из металлопрофиля с вырывом в зоне пазов.

Теперь нужно добавить наложенный вид на главном виде чертежа, он нам понадобится чтобы показать крайнее винта М12 и ход губок на сборочном чертеже.

Добавление наложенного вида на сборочном чертеже в SolidWorks.

В этом нам поможет инструмент «Наложенный вид», он находится на вкладке «Расположение вида» и конфигурация «max растояние», которую я выполнил при проектировании сборки тисков в SolidWorks.

Нажимаем на иконку инструмента наложенного вида, затем выбираем главный вид на чертеже и в открывшихся слева параметрах инструмента выбираем «Существующая конфигурация, max расстояние». Нажимаем ОК.

И пунктирными линиями на главном виде отображается положение подвижной губки и винта М12 при максимально разомкнутых губках тисков из металлопрофиля.

Наложенный вид в SolidWorks на сборочном чертеже мини тисков из металлопрофиля.
Наложенный вид в SolidWorks на сборочном чертеже мини тисков из металлопрофиля.

Теперь можно переходить к простановке размеров.

Устанавливаем размеры на сборочном чертеже мини тисков.

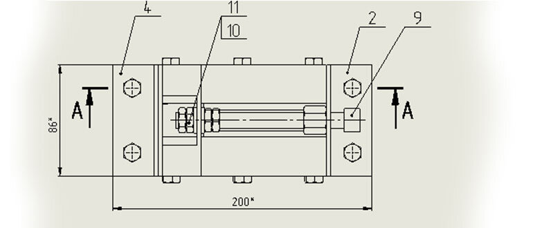
На главном виде я добавил размеры: ход губок 64мм, размер положения винта при сомкнутых губках 190,5мм и размер положения винта М12 при максимально разомкнутых губках 254,5мм.

Размер на главном виде сборочного чертежа в SolidWorks
Размер на главном виде сборочного чертежа в SolidWorks

Данные размеры будут является справочными для сборки, поэтому они со звездочкой*, как и почти все размеры на данном чертеже.

На виде сверху я проставил всего 2 размера: Ширина тисков по профилю 86мм, не учитывая шляпки болтов и длина тисков 200мм в положении сомкнутых губок, которая в данном случае определяется по Упору и Основанию.

Размеры на виде сверху на сборочном чертеже мини тисков в SolidWorks.
Размеры на виде сверху на сборочном чертеже мини тисков в SolidWorks.

На виде слева также 2 размера, габаритная ширина и высота тисков.

Размеры на виде слева мини тисков из металлопрофиля в SolidWorks.
Размеры на виде слева мини тисков из металлопрофиля в SolidWorks.

Далее на виде Б указываю размеры паза 16мм

Размеры на виде Б тисков из металлопрофиля в SolidWorks.
Размеры на виде Б тисков из металлопрофиля в SolidWorks.

Один исполнительный размер указан на разрезе А-А, это размер 3,5+/-0,2мм. Это размер паза между основанием и направляющими в которых ходит подвижная губка.

Размер на разрезе на сборочном чертеже мини тисков в SolidWorks.
Размер на разрезе на сборочном чертеже мини тисков в SolidWorks.

Теперь внесем на сборочный чертеж технические требования, которые заложены в шаблон для чертежа по ГОСТ для SolidWorks. В тех. требованиях оставляем одну запись «*Размеры для справок».

И также вносим на чертеж в основную надпись запись «Сборочный чертеж», которая также заложена в шаблон чертежа по ГОСТ для SolidWorks.

Технические требования на сборочном чертеже мини тисков из металлопрофиля.
Технические требования на сборочном чертеже мини тисков из металлопрофиля.

Далее проставим на сборочном чертеже номера позиций деталей.

Простановка номеров позиций на сборочном чертеже в SolidWorks.

Номера позиций устанавливаем с помощью инструмента «Позиция». Подробнее про установку позиций в уроке: Сборочный чертеж кривошипно-коромыслового механизма в SolidWorks.

Все позиции я проставил на главном виде, на виде сверху и на разрезе А-А.

Номера позиций на сборочном чертеже мини тисков в SolidWorks
Номера позиций на сборочном чертеже мини тисков в SolidWorks

Как видим номера позиций гайки и шайбы М12 (позиции №11 и №10), и болта, шайбы, гайки М8 (позиции №6, №7, №8) указаны с помощью групповых позиций.

Как в SolidWorks добавить групповую позицию на чертеж смотрим в уроке: «Групповые позиции на сборочном чертеже в SolidWorks».

На этом с номерами позиций на чертеже все, переходим к добавлению спецификации по ГОСТ в SolidWorks.

Добавление спецификации на сборочный чертеж в SolidWorks

Сначала нужно добавить таблицу спецификации на сборочный чертеж, для этого идем в меню «Вставка, таблицы, спецификация».

Добавление таблицы спецификации на сборочном чертеже SolidWorks.
Добавление таблицы спецификации на сборочном чертеже SolidWorks.

Затем выбираем главный вид чертежа и шаблон спецификации по ГОСТ для SolidWorks и подтверждаем добавление.

Выбор шаблона таблицы спецификации по ГОСТ для SolidWorks.
Выбор шаблона таблицы спецификации по ГОСТ для SolidWorks.
Скачать данный шаблон можно вместе с курсом «Быстрая настройка SolidWorks по ГОСТ».

Таблица добавилась. Пока располагаем ее за полем чертежа.

Таблица спецификации за полем чертежа в SolidWorks.
Таблица спецификации за полем чертежа в SolidWorks.

Далее добавляем лист спецификации по ГОСТ, нажав по кнопке в левом нижнем углу экрана.

Кнопка для добавления второго листа чертежа в SolidWorks
Кнопка для добавления второго листа чертежа в SolidWorks

Открывается окно выбора формата Листа. Выбираем формат «Спецификация лист 1» и указываем «Чертежный лист 1» в строке «Использовать значение, настроенные пользователем, с модели, показанной в»

Окно свойства листа в SolidWorks
Окно свойства листа в SolidWorks

Применяем изменение и добавляется лист спецификации по ГОСТ.

Лист спецификации по ГОСТ в SolidWorks.
Лист спецификации по ГОСТ в SolidWorks.

Данный шаблон спецификации по ГОСТ можно также скачать вместе с курсом «Быстрая настройка SolidWorks по ГОСТ».

Теперь переносим таблицу спецификации с первого листа на второй. Это проще всего сделать в дереве документа.

Таблица спецификации на втором листе.
Таблица спецификации на втором листе.

Далее совмещаем таблицу с листом спецификации и редактируем и подгоняем таблицу под лист как в уроках: Сборочный чертеж кривошипно-коромыслового механизма в SolidWorks, Сборочный чертеж металлоконструкции в SolidWorks, Сборочный чертеж табурета из металла в SolidWorks.

После редактирования у меня получилась данная спецификация.

Спецификация мини тисков из металлопрофиля по ГОСТ в SolidWorks
Спецификация мини тисков из металлопрофиля по ГОСТ в SolidWorks

Если вы заметили позиции подсборок «Губка подвижная» и «Упор» изменились и теперь они располагаются под номерами 1 и 2.  И соответственно изменились номера и других компонентов сборки.

Мини тиски, сборочный чертеж по ГОСТ в SolidWorks! Видео!

И если создавать спецификацию в SolidWorks данным методом, то в чертеже номера позиций меняются автоматически в соответствии со спецификацией.

Ну и сам сборочный чертеж у нас имеет данный вид.

Сборочный чертеж по ГОСТ мини тисков из металлопрофиля в SolidWorks.
Сборочный чертеж по ГОСТ мини тисков из металлопрофиля в SolidWorks.

На этом в данной статье все. Скачать все чертежи данных тисков из металлопрофиля можно будет в формате .PDF в последней статье, в которой я выполню чертеж детали «Губка неподвижная».

Также напоминаю, что скачать все шаблоны для создания чертежей по ГОСТ ЕСКД в SolidWorks можно вместе курсом «Быстрая настройка SolidWorks».

До встречи в следующей статье. Всем пока!