Найти в Дзене
RadioMix

Рассуждения про УМЗЧ. Часть1.

Усилителей мощности звуковой частоты (УМЗЧ) на сегодняшний день существует огромное количество. Это я про подходы к конструированию. Похоже количество инженерных реализаций будет только увеличиваться, поскольку каждый человек – это творец и выдумщик. С моей точки зрения количество инженерных реализаций это некий феномен. Почему нет универсального, хорошего, недорогого и “правильного” усилителя? Все просто. Восприятие музыки процесс субъективный. А если учесть, что человек внушаем и само внушаем и что самое главное – конструктивно (с точки зрения приема звука через уши и мозг) мы совершенно разные, то становиться понятным, почему на различных форумах не утихают войны между сторонниками различных технических решений УЗМЧ. Мне проще – из восприятия музыки я не делаю культа. Поэтому монтаж серебряными проводами со скругленными углами и прочими изысками я воспринимаю нормально, но так не делаю – не получаю от этого удовольствия. Что делать, если покупать усилитель не хочется (причины разны
Усилителей мощности звуковой частоты (УМЗЧ) на сегодняшний день существует огромное количество. Это я про подходы к конструированию. Похоже количество инженерных реализаций будет только увеличиваться, поскольку каждый человек – это творец и выдумщик. С моей точки зрения количество инженерных реализаций это некий феномен. Почему нет универсального, хорошего, недорогого и “правильного” усилителя? Все просто. Восприятие музыки процесс субъективный. А если учесть, что человек внушаем и само внушаем и что самое главное – конструктивно (с точки зрения приема звука через уши и мозг) мы совершенно разные, то становиться понятным, почему на различных форумах не утихают войны между сторонниками различных технических решений УЗМЧ. Мне проще – из восприятия музыки я не делаю культа. Поэтому монтаж серебряными проводами со скругленными углами и прочими изысками я воспринимаю нормально, но так не делаю – не получаю от этого удовольствия.

Что делать, если покупать усилитель не хочется (причины разные), а слушать музыку нравится? Тогда вариантов не много – либо попросить друга помочь определиться, либо кинуться в пучину форумного обсуждения готовых решений и конструкций, либо озаботиться и разработать свое решение и изготовить собственный усилитель. В контексте последнего поделюсь некоторыми находками “правильного” усилителя. Все приведенное далее - мои личные общие рассуждения.

Товарища Николая Сухова уважаю как грамотного инженера. Про этого человека на моем канале есть статья “Николай Сухов. Создаёт эксклюзивную аудиотехнику, схемотехнику Hi-Fi/High End”. Что касается УМЗЧ, то Николаем сформулированы основные технические требования к конструированию, так называемые “Тантры”, соблюдая которые можно получить качественный (нейтральный, не окрашенный, не измененный) звук от усилителя.

Приведу ссылки на видеоролики Николая Сухова, касающихся УМЗЧ:

Полностью разделяя основные требования к конструированию УМЗЧ, приведу их из форума “Обсуждение публикаций и конструкций » УМЗЧ ВВ » УМЗЧ ВВ 2021”:

“В тантрах же все тривиально просто: на входе должен быть полевой ОУ, в УНе не должно быть каскадов с ОЭ (т.е. исключительно ОБ и ОК), ускорялка-компенсатор полюса выходных транзисторов для максимизации петлевого на 20 кГц, кабелечистка обязательна, охват релюх ООС обязателен, никаких электролитов на входе и земляном конце ООС, ВК на тройке Локанти (никаких Шиклаи, Дарлингтонов и полевиков). 7 пунктов, по которым любой усилок проверяется от силы за минуту”.

На вышеприведенном форуме есть ссылки на видеоролики – можно послушать и посмотреть.

Что касается УМЗЧ ВВ Сухова. С моей подачи в 90-е годы его полностью повторил мой товарищ. Результатом прослушивания остались довольны, и он и я. Поэтому никому ничего рекомендовать не буду, обсуждать тоже. Для меня – усилитель хорош! Хотя, справедливости ради, нужно отметить, что с устранением самовозбуда усилителя пришлось позаниматься основательно. Но, как говорится, победа осталась за нами.

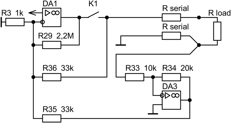
Сошлюсь на статью в интернете “Усилитель высокой верности (Сухов-1989)” с описанием усилителя. Также можно поднять подшивку журнала “Радио” №6-7, 1989 г. Для понимания работы так называемой “кабелечистки” и охвата “релюх ООС” усилителя, приведу упрощенную схему без интегратора, устраняющего постоянную составляющую на выходе усилителя.

Упрощенная схема УМЗЧ ВВ 89 Николая Сухова
Упрощенная схема УМЗЧ ВВ 89 Николая Сухова

Что касается “кабелечистки”. На ОУ DA3 выполнено устройство компенсации сопротивления проводов Rserial, соединяющих выход УМЗЧ с Rload. Работает оно следующим образом. Протекающий по “земляному” соединительному проводу ток нагрузки создает на нем падение напряжения, которое отдельным тонким проводником через резистор R33 подводится к инвертирующему входу ОУ DA3 с коэффициентом усиления -2. При этом напряжение на выходе этого ОУ равно падению напряжения на обоих соединительных проводах (как “земляной”, так и “горячий” провода имеют практически одно и то же сопротивление и по ним протекает один и тот же ток), но противоположно по фазе. Это напряжение через резистор дополнительной ООС R35 подается в цепь инвертирующего входа ОУ DA1, суммируясь с сигналом основной ООС, в результате чего напряжение на выходе усилителя увеличивается ровно на падение напряжения на обоих соединительных проводах, чем и обеспечивается компенсация их сопротивления. Такое устройство не нуждается в каком-либо налаживании при замене АС или соединительных проводов и компенсирует не только резистивную, но и реактивную составляющие их полного распределенного сопротивления. Аналогичные схемные решения применены в ряде престижных УМЗЧ японских фирм “Toshiba” (так называемая “Clean Drive System”), “Kenwood” (“Sigma Drive System”), “Akai” (“Zero Drive System”).

Что касается охвата “релюх ООС”. В УМЗЧ обычно используется совмещенная цепь общей ООС, которая замыкает ее петлю как по постоянному, так и по переменному току. При этом сигнал ООС снимают непосредственно с выхода усилителя, в то время как нагрузка Rload подключена к нему через контактную группу K1 реле защиты АС от аномального потенциала на выходе УМЗЧ. То есть нелинейный элемент (контактная группа) оказывается вне петли ООС, в результате чего проявление его нелинейности максимально. В рассматриваемом УМЗЧ цепь ООС по постоянному току подключена непосредственно к его выходу через резистор R29, а по переменному через резистор R36 после контактной группы К1. В результате нулевой потенциал на выходе УМЗЧ устанавливается независимо от положения контактов, а проявление нелинейности контактной группы К1 практически устранено петлей общей ООС по переменному току.

Что касается “ВК на тройке Локанти”. Великолепное пояснение Николаем Суховым в видеоролике

Смотреть с 26 по 30 минуту. Ролик длинный, но очень познавательный.

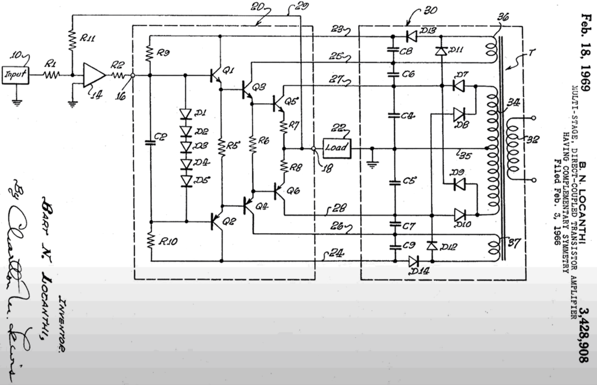
Патент Локанти Т. Введены резисторы  R5 и R6 - основная суть патента.
Патент Локанти Т. Введены резисторы R5 и R6 - основная суть патента.

Что касается УМЗЧ ВВ XXI Сухова. А вот тут интересно. К сожалению схемы электрической принципиальной и файла симуляции для программы Micro-Cap пока нет. Из заявленного на форуме: “…т.к. работает кабелечистка (кстати, тоже усовершенствованная и в одном флаконе с обнулёнкой, поддерживающей на выходе нуль с погрешностью не более 25 мкВ без единого конденсатора в цепи звукового сигнала, причем даже при условии принудительной постоянки на входе в диапазоне от -0.5 В до +0,5 В)…АЧХ по уровню -1 дБ простирается от 0,33 Гц до 2.5 МГц… ГВЗ не превышает 120 нс от низов до самых верхов 4 МГц и никогда не прыгает вверх…Скорость нарастания 300 В/мкс и переходная на меандре без выбросов…Напряжение шумов на выходе, взвешенное фильтром IEC-A, -120,8 дБА”.

Самое интересное в этом усилителе - это выходной каскад. Сухов запатентовал свое решение. Оказывается есть резервы для улучшения схемотехники силового каскада усилителя. Как утверждает Сухов - коэффициент гармоник выходного каскада удалось снизить в десять раз за счет правильного смещения выходного каскада. И это без ОС.

Патент Николая Сухова №148367 на полезную модель ТРАНЗИСТОРНЫЙ ДВУХТАКТНЫЙ УСИЛИТЕЛЬ
Патент Николая Сухова №148367 на полезную модель ТРАНЗИСТОРНЫЙ ДВУХТАКТНЫЙ УСИЛИТЕЛЬ

График коэффициента гармоник из патента №148367 на полезную модель ТРАНЗИСТОРНЫЙ ДВУХТАКТНЫЙ УСИЛИТЕЛЬ
График коэффициента гармоник из патента №148367 на полезную модель ТРАНЗИСТОРНЫЙ ДВУХТАКТНЫЙ УСИЛИТЕЛЬ
Схема электрическая принципиальная из патента №148367 на полезную модель ТРАНЗИСТОРНЫЙ ДВУХТАКТНЫЙ УСИЛИТЕЛЬ
Схема электрическая принципиальная из патента №148367 на полезную модель ТРАНЗИСТОРНЫЙ ДВУХТАКТНЫЙ УСИЛИТЕЛЬ

Подробнее можно познакомиться в видеоролике ноухау УМЗЧ ВВ-XXI (чат с Суховым и Шавровским, третья серия) . Смотреть видео с 00.17.52.

Прошу учесть что содержимое патента в "лоб" не повторяется, но идея свежая.

Как минимум интересно, как максимум – не подъемно. Это чтобы не дорого ВЕСЬ усилитель. Но много чего полезного из найденных решений для себя использовать будет можно. Подождем…

Лично для меня основной головной болью всегда была термо стабилизация выходного каскада усилителя мощности. На сегодняшний день считаю правильным решением термо стабилизацию, которую применил в своем усилителе Акулиничев Иван Тимофеевич. Статья про усилитель была напечатана в журнале “Радио” №10, 1993г., с. 44. Можно почитать статью “УМЗЧ Акулиничева с широкополосной ООС (36 Вт/4 Ом)” в интернете на сайте https://ldsound.info/ . Николай Сухов проблему термо стабилизации в УМЗЧ ВВ XXI решил, используя выходные транзисторы со встроенными датчиками температуры ThermalTrak 4281/4302 от ON Semiconductor.

Рассуждая про блок питания, всегда был сторонником импульсных источников питания. Но в последнее время моя вера пошатнулась, и я думаю более правильно использовать обычный трансформаторный (обязательно торообразный с пониженной рабочей индукцией) источник питания с выходными конденсаторами с минимально возможным ESR.

Не могу обойти стороной еще один интересный подход при проектировании УМЗЧ - ОУ с "плавающим" питанием. Лично мне понравился цикл статей "Строим бюджетный Hi-Fi усилитель." на канале Prophetmaster Audio . Автором проделана и обнародована колоссальная работа по созданию и обкатке усилителя МСА-100. Цикл состоит из десяти статей. Также имеется подробное обсуждение этого усилителя на форуме: Усилитель Prophetmaster Audio MCA-100 . Схема усилителя очень простая - ОУ с плавающим питанием и обычная двойка на выходе. А вот параметры получились не совсем простые...

Ссылки на статьи и форум про усилитель МСА-100 приведу ниже.

От себя лично про этот усилитель отмечу следующее: "немного" изменил исходную схему усилителя, т.е. позаимствовал "плавающее" питание ОУ и посмотрел ее в программе Micro-Cap 12. Результатом остался очень доволен. Правда от исходного усилителя осталось только "плавающее" питание ОУ...

Недавно прочитал статью "Советский HI-FI и его создатели: Шушурин — Ламм — автор народного усилителя и герой американского High End". Возникли приятные воспоминания - делал в свое время усилитель по схеме Шушурина 1978-го года. До сих пор усилитель находится в рабочем состоянии, хотя я им не пользуюсь - остался как память о славной юности. Какой из двух усилителей Сухова 89 или Шушурина 78 я бы повторил сегодня при невозможности собрать что-либо другое ? Однозначно - усилитель Сухова. Однозначно почти любой усилитель на современной элементной базе (не на специализированных ИМС) будет как минимум не хуже. Поэтому что предпочесть - вопрос, конечно, интересный.
Схема усилителя Шушурина-Ламма 1978г.
Схема усилителя Шушурина-Ламма 1978г.
Не могу обойти стороной усилители класса А. Причем с не совсем обычным выходным каскадом.

Для понимания сути схемотехнического подхода приведу фрагмент схемы гибридного усилителя из статьи "Гибридный УМЗЧ" с сайта https://www.radiolamps.ru/.

Фрагмент схемы выходного каскада класса А
Фрагмент схемы выходного каскада класса А

Однозначным достоинством схемы является отсутствие защиты акустической системы, поскольку дроссель является короткозамкнутым шунтом на постоянном токе. А это устраняет контакты реле модуля защиты акустической системы из звукового тракта. Про качественные и количественные технические характеристики рассуждать не буду - ни разу не доводилось повторять что-либо аналогичное. Но подход заслуживает интереса.

Нечто похожее, но в двухтактной реализации предложено Ричардом Барфутом. Статья была размещена в журнале "Радиохобби" №6, 1999г., с. 9. Также статья "Мощный УМЗЧ в режиме класса А (32 Вт 8 Ом)" расположена на сайте QRZ.ru. Приведу фрагмент схемы выходного каскада этого усилителя.

-8

Подход меня заинтересовал. Схема "кушает" конкретно, зато не требует термо стабилизации (но режим установить нужно) - только возможность отводить тепло от корпусов транзисторов выходного каскада.

Сьюзен Паркер реализовал интересный усилитель ZEUS75:

-9

Попробую сделать что-либо похожее, но "немного" по другому. Всегда было интересно послушать дроссельный или дроссельно-трансформаторный транзисторный усилитель.

В следующей одноименной статье "Рассуждения про УМЗЧ. Часть 2. Симуляция" приведу результаты моделирования в программе Micro-Cap 12 некоторых реализаций усилителей с заимствованными из других усилителей решений не как догму, а как один из вариантов будущей реализации для себя или своих друзей. Понятно, что результаты моделирования и реально измеренные могут расходиться. Интересно на сколько? Однозначно только то, что все "виртуальные" усилители нужно обязательно изготовить в "железе" и прослушать, чтобы не возникало эйфории от заоблачно хороших характеристик усилителя.

Возможно Вам будут интересны другие мои статьи.