Добавить в корзинуПозвонить
Найти в Дзене
ДКО Электронщик

DC-DC преобразователь для зарядных устройств USB

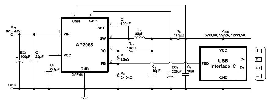
AP2965 от компании Chipown представляет собой синхронный понижающий DC-DC преобразователь с режимами стабилизации напряжения и тока. Он отлично подходит для систем мобильного питания Quick Charge версий 2.0 и 3.0 (5 В/3 А, 9 В/2 А, 12 В/1.5 А), USB Type C Power Delivery (5 В/3 А) и Apple portable device (5 В/2.4 А). Выходное напряжение и ток можно запрограммировать с помощью резисторов, подключенных к выводам FB, CSP и CSN (рис. 1). Режим стабилизации тока поддерживается до снижения выходного напряжения 3 В. В устройстве имеется функция разряда выходных конденсаторов, позволяющая избежать превышения допустимого напряжения для приложений QC 2.0/3.0. Кроме того, предусмотрены защиты от пониженного напряжения на входе, превышения напряжения на входе или выходе и компенсация падения напряжения на выходном кабеле. Преобразователи производятся в корпусе SOP8-EP с эффективным отводом тепла. AP2965 подойдут для зарядных устройств и DC-DC преобразователей, где требуется обеспечить

AP2965 от компании Chipown представляет собой синхронный понижающий DC-DC преобразователь с режимами стабилизации напряжения и тока. Он отлично подходит для систем мобильного питания Quick Charge версий 2.0 и 3.0 (5 В/3 А, 9 В/2 А, 12 В/1.5 А), USB Type C Power Delivery (5 В/3 А) и Apple portable device (5 В/2.4 А). Выходное напряжение и ток можно запрограммировать с помощью резисторов, подключенных к выводам FB, CSP и CSN (рис. 1). Режим стабилизации тока поддерживается до снижения выходного напряжения 3 В.

В устройстве имеется функция разряда выходных конденсаторов, позволяющая избежать превышения допустимого напряжения для приложений QC 2.0/3.0. Кроме того, предусмотрены защиты от пониженного напряжения на входе, превышения напряжения на входе или выходе и компенсация падения напряжения на выходном кабеле. Преобразователи производятся в корпусе SOP8-EP с эффективным отводом тепла.

AP2965 подойдут для зарядных устройств и DC-DC преобразователей, где требуется обеспечить режимы стабилизации напряжения и тока.

Технические возможности:

  • Входное напряжение: 6...38 В;
  • Выходной ток: 4.2 А;
  • КПД: до 95%;
  • Фиксированная частота переключения: 125 кГц;
  • Встроенная схема плавного пуска;
  • Компенсация падения напряжения на выходном кабеле;
  • Блокировка входа при пониженном напряжении;
  • Защита от перенапряжения на входе;
  • Регулируемая величина ограничения тока;
  • Защита от перенапряжения на выходе;
  • Автоматический разряд выходного конденсатора;
  • Поцикловое ограничение тока при перегрузке;
  • Импульсный режим защиты при коротком замыкании;
  • Отключение при перегреве;
  • Корпус SOP8-EP с улучшенным отведением тепла
 
Рис. 1. Схема включения AP2965
Рис. 1. Схема включения AP2965
 
Рис. 2. Структурная схема AP2965
Рис. 2. Структурная схема AP2965
-3

Производители: CHIPOWN

Разделы: Контроллеры для DC-DC