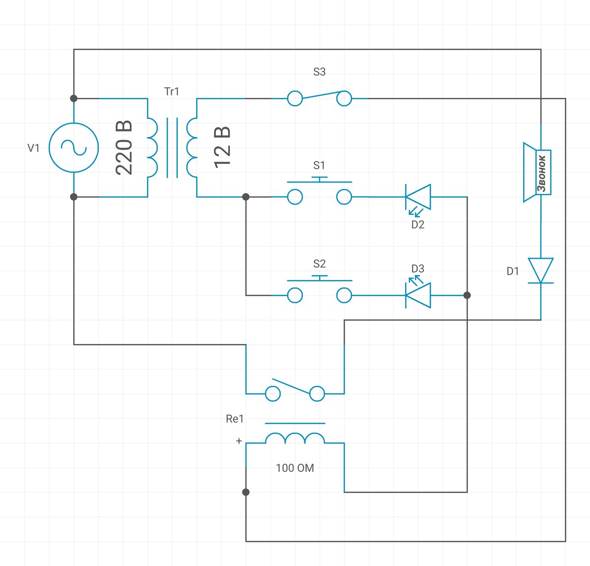
Иногда нужно сделать так чтобы знать откуда звонят. На рисунке представлена схема позволяющая решить такую задачу. Задачи могут быть разные. Например имеется два входа, и узнать где нажали на кнопку вызова затруднительно. Или допустим лежат больные и они нажимают на кнопку, а где, кто нажал тоже нужно знать. На схеме показаны две кнопки вызова, но при необходимо можно добавить их сколько угодно. Соответственно этому расширив ячейки индикации вызова.
