Добавить в корзинуПозвонить
Найти в Дзене
Электроник ОПГЭ

Помигаем светодиодами на PIC24 используя ШИМ и таймеры. Аппаратная реализация. часть 1.

Начал физическое воплощение. Питание 3,3 V сделал из дежурного источника блока питания ATX . С платы удалил все лишнее оставил только 5V SB . Схема дежурки в моем блоке такая (похожая). Обратил внимание , что резисторы R21 R22 номиналом в сумме 5,2 К :) . Тут даже считать не надо для переделки на 3,3V . Просто R21 меняю на такой чтобы сумма была близкой к 3,3 . Окончательная схема контроллерной платы выглядит так. На схеме небольшие изменения от первоначальной. Конденсатор С5, на питание ядра , керамический добавил для уменьшения ESR. В даташите вообще рекомендуют ставить на это место полностью керамику, тут как бы компромисс. Входы управления подвесил к питанию резисторной сборкой . При свободных входах там мусор лезет . Теперь там код инверсный (внес изменения в прг). Резисторы R4,R5,R6 - для подключения к оптопарам на плате ключей. В Proteus развел плату. Файлы в пдф >> здесь ЛУТ заморачиваться на такой небольшой схеме нет смысла. Можно классически пером нарисовать, но решил

Начал физическое воплощение.

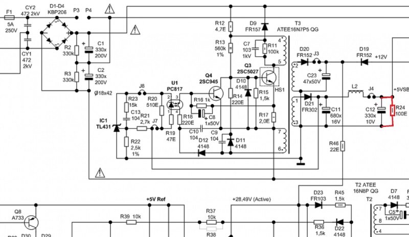
Питание 3,3 V сделал из дежурного источника блока питания ATX . С платы удалил все лишнее оставил только 5V SB . Схема дежурки в моем блоке такая (похожая).

Схема откуда-то из сети . Красный резистор не мой
Схема откуда-то из сети . Красный резистор не мой

Обратил внимание , что резисторы R21 R22 номиналом в сумме 5,2 К :) . Тут даже считать не надо для переделки на 3,3V . Просто R21 меняю на такой чтобы сумма была близкой к 3,3 .

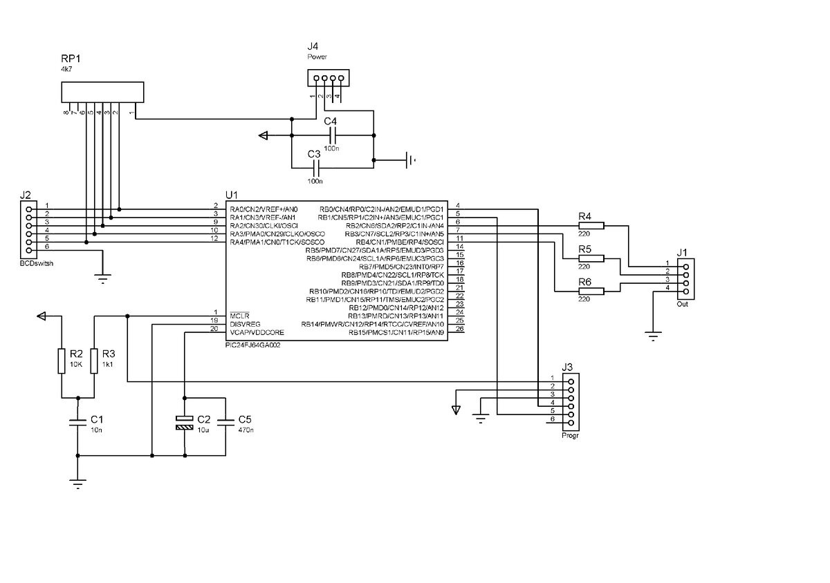
Окончательная схема контроллерной платы выглядит так.

Схема платы контроллера
Схема платы контроллера

На схеме небольшие изменения от первоначальной. Конденсатор С5, на питание ядра , керамический добавил для уменьшения ESR. В даташите вообще рекомендуют ставить на это место полностью керамику, тут как бы компромисс. Входы управления подвесил к питанию резисторной сборкой . При свободных входах там мусор лезет . Теперь там код инверсный (внес изменения в прг). Резисторы R4,R5,R6 - для подключения к оптопарам на плате ключей.

В Proteus развел плату. Файлы в пдф >> здесь

ЛУТ заморачиваться на такой небольшой схеме нет смысла. Можно классически пером нарисовать, но решил на макетке сделать. Получилось так:

Плата контроллера сторона деталей
Плата контроллера сторона деталей

Разъемы с материнок . Разъемы питания и выхода от вентиляторов - что бы точно не перепутать. В общем все разъемы разные специально. Контроллер на панельке.

Распайка выглядит так.

Плата контроллера сторона соединений.
Плата контроллера сторона соединений.

Проводочки из витой пары. Может проще было и нарисовать печатку.

Распаял двоичный переключатель . Использовал шлейф от COM-порта.

Двоичный переключатель режима и скорости
Двоичный переключатель режима и скорости

Далее подключил питание сначала без микросхемы, чтобы проверить правильность монтажа. Затем вставил микросхему. Подключил PICkit прошил. Все заработало почти без отладки. Подключил к выходам светодиоды для наглядности.

Демо
Демо

Это режим "0" - автомат. Перебор нескольких режимов по кругу. Скорость "3".

Плата контроллера готова. Далее буду делать плату силовых ключей на реальную нагрузку.

Текущая прошивка >> здесь может со временем измениться.