Добавить в корзинуПозвонить
Найти в Дзене
Инженерная школа

Электроника Чарльза Шулера. Глава 5-3. Характеристические кривые. ВАХ Транзисторов.

Как и в случае с диодами, характеристические кривые транзисторов могут предоставить много полезной информации. Существует множество типов характеристических кривых транзисторов. Одним из наиболее популярных типов является семейство выходных характеристик коллектора. Пример такого типа показан на рисунке 5-9. Вертикальная ось показывает ток коллектора (IC​) и проградуирована в миллиамперах. Горизонтальная ось показывает напряжение между коллектором и эмиттером (VCE​) и проградуирована в вольтах. Рисунок 5-9 называется семейством характеристик коллектора, поскольку на нем представлены несколько вольт-амперных характеристик для одного и того же транзистора. На рисунке 5-10 показана схема, которая может быть использована для измерения точек данных для построения семейства характеристик коллектора. В схеме используются три измерительных прибора для контроля тока базы (IB​), тока коллектора (IC​) и напряжения между коллектором и эмиттером (VCE​). Чтобы построить график зависимости трех вел

Как и в случае с диодами, характеристические кривые транзисторов могут предоставить много полезной информации. Существует множество типов характеристических кривых транзисторов. Одним из наиболее популярных типов является семейство выходных характеристик коллектора. Пример такого типа показан на рисунке 5-9.

Рисунок 5-9. Семейство кривых коллектора для NPN-транзистора. Зависимость тока коллектора от напряжения коллектор-эмиттер. У каждой кривой справа подписано значение тока базы.
Рисунок 5-9. Семейство кривых коллектора для NPN-транзистора. Зависимость тока коллектора от напряжения коллектор-эмиттер. У каждой кривой справа подписано значение тока базы.

Вертикальная ось показывает ток коллектора (IC​) и проградуирована в миллиамперах. Горизонтальная ось показывает напряжение между коллектором и эмиттером (VCE​) и проградуирована в вольтах. Рисунок 5-9 называется семейством характеристик коллектора, поскольку на нем представлены несколько вольт-амперных характеристик для одного и того же транзистора.

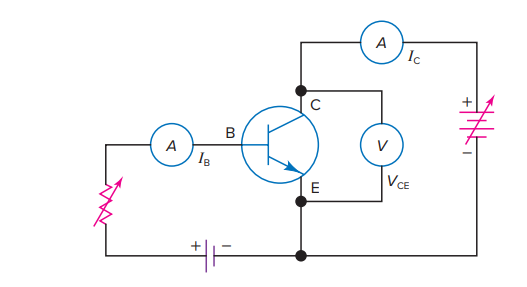
На рисунке 5-10 показана схема, которая может быть использована для измерения точек данных для построения семейства характеристик коллектора.

Рисунок 5-10. Схема для сбора характеристик (данных) транзистора.
Рисунок 5-10. Схема для сбора характеристик (данных) транзистора.

В схеме используются три измерительных прибора для контроля тока базы (IB​), тока коллектора (IC​) и напряжения между коллектором и эмиттером (VCE​). Чтобы построить график зависимости трех величин, одна из них фиксируется на постоянном уровне, в то время как две другие изменяются. Это позволяет получить одну кривую. Затем постоянное значение устанавливается на новый уровень. Снова изменяются и записываются две другие величины, что позволяет получить вторую кривую. Процесс можно повторять столько раз, сколько необходимо. Для построения семейства характеристик коллектора постоянным значением является ток базы (IB​). Переменный резистор на рисунке 5-10 настраивается для получения желаемого уровня тока базы. Затем регулируемый источник устанавливается на некоторое значение VCE​. Измеряется ток коллектора (IC​). После этого VCE​ изменяется на новое значение.

Снова записывается IC​. Эти точки данных наносятся на график для построения вольт-амперной характеристической кривой зависимости IC​ от VCE​. Очень точная кривая может быть получена при записи большого количества точек данных. Следующая кривая в семействе строится точно таким же образом, но при новом уровне тока базы.

Кривые на рисунке 5-9 показывают некоторые важные характеристики транзисторов с p-n переходами. Одна деталь отсутствует — это напряжение пробоя коллектора (collector breakdown voltage), обозначаемое как VCEO​. Оно указано в таблице 5-1 в разделе максимальных значений и графически показано на рисунке 5-34.

Таблица 1. Избранные характеристики для биполярного транзистора 2N2222A
Таблица 1. Избранные характеристики для биполярного транзистора 2N2222A

Большая часть графика на рисунке 5-9 занимает область, называемую областью постоянного тока . Она также может называться активной областью или линейной областью . Эта область используется, когда транзистор применяется для усиления сигнала (увеличения его амплитуды). Обратите внимание, что на большей части графика VCE​ оказывает незначительное влияние на ток коллектора. Рассмотрим кривую для IB​=20μA. Как сильно изменяется ток коллектора в диапазоне от 2 до 18 В? Он увеличивается с 3 до 3,5 мА, то есть всего на 0,5 мА. Это происходит при девятикратном увеличении напряжения. Закон Ома предсказывает, что ток должен был бы увеличиться в 9 раз, если бы транзистор был просто резистором. Однако в транзисторе основное влияние на ток коллектора оказывает ток базы. Ток базы управляет током коллектора. Когда IB​=0, транзистор выключен или находится в режиме отсечки (cutoff).

Обратите внимание, что напряжение на коллекторе влияет на ток коллектора только тогда, когда оно очень низкое (ниже 1 В на рис. 5-9). Это область насыщения коллектора. Эта область важна, когда транзистор используется в качестве переключателя. Она обозначается как VCE(sat)​ в таблице 5-1. Раздел 5-8 данной главы рассматривает использование транзисторов в качестве переключателей.

Области для семейства выходных характеристик коллектора следующие:

  1. Пробой коллектора (появился бы в крайней правой части оси VCE​).
  2. Область постоянного тока (основная часть графика... линейная область... УСИЛЕНИЕ).
  3. Область насыщения коллектора (крутой подъем вблизи вертикальной оси... переключатель ВКЛЮЧЕН).
  4. Область отсечки (нулевые токи базы и коллектора... переключатель ВЫКЛЮЧЕН).

Важно уметь преобразовывать кривые обратно в точки данных. Например, можете ли вы найти значение IC​, когда VCE​=6В и IB​=20μA? Обратитесь к рисунку 5-9. Сначала найдите 6 В на горизонтальной оси. Проведите вертикальную линию вверх от этой точки, пока не достигнете кривой для 20μA. Затем проведите горизонтальную линию от этой точки влево и считайте значение IC​ на вертикальной оси. Вы должны получить значение 3 мА. Это находится в линейной области. Попробуйте еще один пример: найдите значение IB​, когда IC​=10мА и VCE​=4В. Эти две точки данных пересекаются на кривой для 80μA. Ответ: 80μA. Это также находится в линейной области.

Что если IC​=10мА и VCE​=0.3В? Это находится в области насыщения.

Иногда может потребоваться оценить значение. Например, каково значение тока базы, когда VCE​=10В и IC​=7мА на рисунке 5-9? Пересечение этих двух значений находится далеко от любой из кривых семейства. Оно примерно посередине между кривыми для 40μA и 60μA, поэтому 50μA — примерная оценка. Это находится в линейной области. Иногда может потребоваться догадка. Вот два примера:

  1. IB​=200μA и IC​=20мА: VCE​=1В: транзистор находится в режиме насыщения.
  2. VCE​=25В и IC​=0: IB​=0: транзистор находится в режиме отсечки.

Важно уметь преобразовывать кривые обратно в точки данных. Например, можете ли вы определить значение IC​, когда VCE​=6В и IB​=20μA? Обратитесь к рисунку 5-9. Сначала найдите 6 В на горизонтальной оси. Проведите вертикальную линию вверх от этой точки, пока не достигнете кривой для 20μA. Затем проведите горизонтальную линию от этой точки влево и считайте значение IC​ на вертикальной оси. Вы должны получить значение 3 мА. Попробуйте еще один пример: найдите значение IB​, когда IC​=10мА и VCE​=4В. Эти две точки данных пересекаются на кривой для 80μA. Ответ: 80μA.

Может потребоваться оценить значение. Например, каково значение тока базы, когда VCE​=10В и IC​=7мА? Пересечение этих двух значений находится далеко от любой из кривых семейства. Оно примерно посередине между кривыми для 40μA и 60μA, поэтому 50μA — примерная оценка.

Пример 5-8. Используйте кривые на рис. 5-9, чтобы найти ток эмиттера, когда VCE​ равно 6 В, а IB​ составляет 100 мкА. Кривые коллектора не показывают данных об эмиттере, но ток эмиттера можно найти, используя ток базы и ток коллектора. Мы уже знаем ток базы, поэтому анализируем кривые, чтобы найти ток коллектора. На рисунке 5-9 видно, что VCE​=6В и IB​=100μA пересекаются при IC​=12мА. Таким образом, IE = IC + IB = 12 mA + 100 μA = 12.1 mA.

Кривые на рис. 5-9 дают достаточно информации для расчета β. Каково значение β при VCE​=8В и IC​=8мА? Первый шаг — найти значение тока базы. Эти два значения пересекаются при токе базы IB​=60μA. Теперь можно рассчитать β:

β=Ic /Ib​​=8мА / 60μA​ = 133.

Рассчитайте β для условий VCE​=12В и IC​=14мА. Эти значения пересекаются при IB​=120μA:

β=14мА / 120μA​ = 117.

Предыдущие два расчета показывают еще один факт о транзисторах. β не только варьируется от транзистора к транзистору, но также изменяется в зависимости от IC​. Позже будет показано, что температура также влияет на β.

Рисунок 5-11. Вычисление β с помощью характеристических кривых.
Рисунок 5-11. Вычисление β с помощью характеристических кривых.

Предположим для рис. 5-11, что ток базы составляет 1мА. Это значение выходит за пределы графика, но его можно интерпретировать. Во-первых, очевидно, что транзистор находится в режиме насыщения, и ожидается низкое значение VCE​. Например, в таблице 5-1 указано VCE(sat)​=0.3В. IB(max)​ не указан, так как это значение обычно не приводится. Ток базы 1мА не повредит транзистор. Во-вторых, это говорит нам о том, что β больше не применим. β предполагает линейный режим работы и бесполезен для режимов насыщения или отсечки. При высоком токе базы важно убедиться, что ток коллектора и рассеиваемая мощность устройства находятся в безопасных пределах. Это будет объяснено в разделе 5-7 данной главы.

Существует еще одна форма коэффициента усиления тока от базы к коллектору, называемая βac​ или hfe​. Изучите следующие уравнения, чтобы понять, чем βac​ отличается от того, о чем уже шла речь:

-5

Греческий символ дельта (Δ) означает "изменение", а символ ∣ указывает, что VCE​ должен оставаться постоянным. На рисунке 5-11 показан этот процесс. Напряжение между коллектором и эмиттером остается постоянным на уровне 10 В. Ток базы изменяется от 30 до 25 мкА, что дает значение ΔIB​=5μA. Проекция влево показывает соответствующее изменение тока коллектора от 7,0 до 5,7 мА, что соответствует ΔIc​=1,3мА. Деление этих значений дает βac​=260.

На низких частотах между βdc​ и βac​ нет существенной разницы. В этой книге основное внимание уделяется βdc​. Символ бета без индекса будет обозначать коэффициент усиления постоянного тока. Коэффициент усиления переменного тока будет обозначаться как βac​.

На высоких частотах коэффициент усиления тока βac​ биполярных транзисторов (BJT) начинает уменьшаться. Этот эффект ограничивает полезный частотный диапазон транзисторов. Произведение усиления на полосу пропускания (gain-bandwidth product, частотная эффективность усилителя) — это частота, на которой коэффициент усиления по переменному току падает до 1. Символом для обозначения этого параметра является fT​. Эта характеристика транзистора особенно важна для высокочастотных приложений. Например, транзистор 2N5179, предназначенный для радиочастотных схем, имеет fT​=1,4ГГц, тогда как транзистор общего назначения 2N3904 имеет fT​=300МГц. Таким образом, замена 2N5179 на 2N3904 в радиочастотной схеме была бы некорректной.

Стандартной практикой является откладывание положительных значений вправо по горизонтальной оси и вверх по вертикальной оси. Отрицательные значения откладываются влево и вниз. Семейство кривых для PNP-транзистора может быть построено на графике, как показано на рисунке 5-12.

Рисунок 5-12. Характеристические кривые для PNP-транзистора.
Рисунок 5-12. Характеристические кривые для PNP-транзистора.

Напряжение на коллекторе в PNP-транзисторе должно быть отрицательным. Поэтому кривые направлены влево. Ток коллектора течет в противоположном направлении по сравнению с NPN-транзистором. Следовательно, кривые идут вниз. Однако кривые для PNP-транзисторов иногда изображаются с направленностью вверх и вправо. Оба метода одинаково полезны для представления характеристик коллектора.

Некоторые мастерские и лаборатории оснащены устройством, называемым кривографом (пример показан на рисунке 5-19). Это устройство выводит характеристические кривые на электронно-лучевую трубку или жидкокристаллический дисплей (LCD). Это намного удобнее, чем сбор большого количества точек данных вручную и построение кривых вручную. Кривографы отображают характеристики NPN-транзисторов в первом квадранте (как на рис. 5-9) и характеристики PNP-транзисторов в третьем квадранте (как на рис. 5-12). Высококлассные (дорогостоящие) кривографы не являются широко распространенными.

Рисунок 5-13. Сравнение кремниевого и германиевого транзисторов.
Рисунок 5-13. Сравнение кремниевого и германиевого транзисторов.

Передаточные характеристические кривые (transfer characteristic curves), показанные на рисунке 5-13, — это еще один пример того, как графики могут использоваться для демонстрации электрических характеристик транзистора. Кривые такого типа показывают, как один вывод транзистора (база) влияет на другой (коллектор). Именно поэтому они называются передаточными кривыми (transfer curves). Мы знаем, что ток базы управляет током коллектора. На рисунке 5-13 показано, как напряжение между базой и эмиттером (VBE​) управляет током коллектора. Это связано с тем, что смещение база-эмиттер определяет уровень тока базы.

На рисунке 5-13 также показано одно из важных различий между кремниевыми и германиевыми транзисторами. Как и в случае с диодами, германиевые транзисторы включаются при гораздо более низком напряжении (примерно 0,2 В). Устройство на основе кремния включается около 0,6 В. Эти напряжения важно запомнить, так как они достаточно постоянны и могут оказаться очень полезными при поиске неисправностей в транзисторных схемах. Они также могут помочь технику определить, изготовлен ли транзистор из кремния или германия. Германиевые транзисторы сейчас используются редко. Их заменили кремниевыми устройствами, поскольку кремний работает лучше при высоких температурах.