Найти в Дзене
PRACTICAL ELECTRONICS

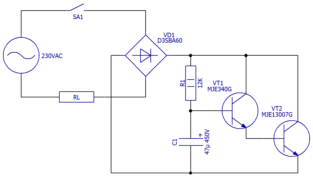
Плавный пуск сетевой нагрузки

Проблему первоначального броска тока при включении сетевой нагрузки, которая часто приводит к выходу из строя как отдельных электронных компонентов, так и целого изделия, можно решить собрав предлагаемое вниманию читателей устройство плавного пуска (см. схему ниже). Через диодный мост VD1 в цепь нагрузки (RL) включён составной транзистор (VT1VT2). В момент закрытия контактов выключателя SA1 конденсатор С1 разряжен и транзисторы заперты. Поэтому через нагрузку течет лишь небольшой ток зарядки конденсатора С1, зависящий от номинала резистора R1. График на рисунке внизу показывает зависимость напряжения на конденсаторе от времени, прошедшего с момента включения. Когда напряжение достигает значения, достаточного для отпирания транзисторов, ток, текущий через нагрузку, плавно увеличивается до номинального, как показано на следующем графике. Дальнейший рост напряжения на конденсаторе прекращается, потому что участок база транзистора VT1 - эмиттер транзистора VT2 действует как своеобразный ст

Проблему первоначального броска тока при включении сетевой нагрузки, которая часто приводит к выходу из строя как отдельных электронных компонентов, так и целого изделия, можно решить собрав предлагаемое вниманию читателей устройство плавного пуска (см. схему ниже).

Через диодный мост VD1 в цепь нагрузки (RL) включён составной транзистор (VT1VT2). В момент закрытия контактов выключателя SA1 конденсатор С1 разряжен и транзисторы заперты. Поэтому через нагрузку течет лишь небольшой ток зарядки конденсатора С1, зависящий от номинала резистора R1.

График на рисунке внизу показывает зависимость напряжения на конденсаторе от времени, прошедшего с момента включения.

-2

Когда напряжение достигает значения, достаточного для отпирания транзисторов, ток, текущий через нагрузку, плавно увеличивается до номинального, как показано на следующем графике. Дальнейший рост напряжения на конденсаторе прекращается, потому что участок база транзистора VT1 - эмиттер транзистора VT2 действует как своеобразный стабистор.

-3

Транзистор VT2 следует установить на теплоотвод площадью, пропорциональной мощности защищаемой нагрузки. Суммарная мощность нагрузки не должна превышать 240 Вт, при этом площадь рассеивающей поверхности теплоотвода должна быть не менее 400 см^2.