Добавить в корзинуПозвонить
Найти в Дзене
PRACTICAL ELECTRONICS

Проверка зашунтированных оксидных конденсаторов

Выпаивание оксидного (электролитического) конденсатора для его проверки из электронного устройства может повредить как сам проверяемый элемент, так и печатные проводники и окружающие детали, особенно если нет хороших навыков пайки или проявить недостаточную осторожность. В предлагаемой публикации предлагается довольно простой пробник для проверки зашунтированных электролитов, т.е. прямо на печатной плате, без выпаивания. Схема пробника содержит всего один транзистор и позволяет проверять конденсаторы ёмкостью от 10 мкФ при шунтирующем сопротивлении не менее 15 Ом. Индикаторами служат светодиод VD1 и телефон BF1. На схеме показано подключение высокоомного телефона. Низкоомный включают последовательно с резистором R2. При этом его следует зашунтировать конденсатором 0,01 мкф. Если щупы ХS1 и ХS2 ни к чему не подключены, то транзистор VT1 открыт большим током базы, протекающим через резистор R1, и находится в насыщении. При этом напряжение на коллекторе транзистора VT1 не превышает 0,2...
Оглавление

Назначение

Выпаивание оксидного (электролитического) конденсатора для его проверки из электронного устройства может повредить как сам проверяемый элемент, так и печатные проводники и окружающие детали, особенно если нет хороших навыков пайки или проявить недостаточную осторожность.

В предлагаемой публикации предлагается довольно простой пробник для проверки зашунтированных электролитов, т.е. прямо на печатной плате, без выпаивания.

Схема электрическая

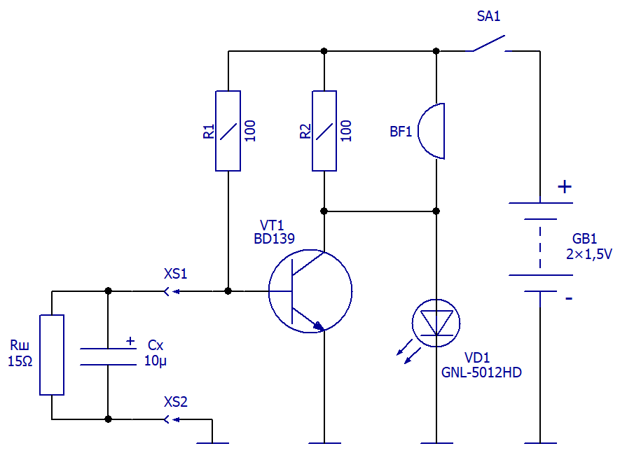
Схема электрическая принципиальная пробника зашунтированных оксидных конденсаторов
Схема электрическая принципиальная пробника зашунтированных оксидных конденсаторов

Схема пробника содержит всего один транзистор и позволяет проверять конденсаторы ёмкостью от 10 мкФ при шунтирующем сопротивлении не менее 15 Ом. Индикаторами служат светодиод VD1 и телефон BF1.

На схеме показано подключение высокоомного телефона. Низкоомный включают последовательно с резистором R2. При этом его следует зашунтировать конденсатором 0,01 мкф.

Если щупы ХS1 и ХS2 ни к чему не подключены, то транзистор VT1 открыт большим током базы, протекающим через резистор R1, и находится в насыщении.

При этом напряжение на коллекторе транзистора VT1 не превышает 0,2...0,4 В. Светодиод VD1 зашунтирован транзистором и не светится. Через телефон BF1 протекает постоянный ток, который не вызывает звука, но обеспечивает накопление энергии в катушке телефона.

При подключении к щупам ХS1 и ХS2 разряженного оксидного конденсатора эмиттерный переход транзистора VT1 оказывается зашунтированным на время зарядки конденсатора.

Происходит кратковременное закрывание транзистора, напряжение на его коллекторе увеличивается до порога открывания светодиода, ток через нагрузку R2 и BF1 уменьшается и начинает течь через светодиод.

Энергия, накопленная в катушке телефона, создает дополнительную подпитку. Светодиод дает вспышку, а в телефоне слышен мягкий щелчок. Длительность вспышки пропорциональна емкости конденсатора. Громкость щелчка телефона, начиная с некоторого значения емкости, мало от нее зависит, но параллельно светодиоду можно подключить звукоизлучатель со встроенным генератором. Тогда по длительности его звучания можно судить о емкости.

Если проверяемый конденсатор зашунтирован резистором , имеющим сопротивление менее 14 Ом, транзистор останется закрытым, поскольку падение напряжения на резисторе не превысит порога открывания транзистора (0,7 В).

Светодиод будет непрерывно светиться, сигнализируя о малом сопротивлении проверяемой цепи. Такое возможно, если проверяемый конденсатор пробит. Пороговое значение сопротивления, при котором транзистор останется закрытым, зависит от питающего напряжения и температуры. Поэтому оно может колебаться в некоторых пределах.

Вспышка становится заметной, а щелчок хорошо слышимым, если емкость проверяемого конденсатора не менее 10 мкФ. При емкости 10000 мкф длительность вспышки достигает нескольких секунд.

Пробник будет работать и вовсе без телефона, но с ним проверять удобнее, так как смотреть одновременно на выводы проверяемого конденсатора, подсоединяя к ним щупы, и на светодиод не совсем удобно. Кроме того, при малой емкости проверяемого конденсатора и ярком освещении звук различить легче, чем вспышку светодиода.

Пробник может работать и без светодиода, только с телефоном. Щелчок будет при этом заметно громче. Однако без светодиода труднее отличить исправный конденсатор от пробитого, имеющего малое сопротивление. При исправном конденсаторе щелчок будет слышен только при прикосновении щупов, а при пробитом – ещё и при отпускании.

Ток, потребляемый пробником от двух последовательно соединённых элементов АА, примерно 30…35 мА. Он может показаться чрезмерным для такого простого пробника, но это своеобразная плата за возможность проверять конденсаторы, не выпаивая с платы.

Напряжение, создаваемое пробником на проверяемом элементе, не превышает 0,6 В, поэтому рабочее и предельно допустимое напряжение проверяемых конденсаторов значения не имеют т.к. оно значительно выше.