Добавить в корзинуПозвонить
Найти в Дзене
RADIO INFO

Переделка компьютерных БП ATX с ШИМ-контроллерами SG6105 в лабораторный БП или зарядное устройство.

Добрый день дорогие друзья. Сегодня мы с Вами начнем очень большой и длинный разговор о переделке блоков питания с ШИМ-контроллерами SG6105 в лабораторный БП или зарядное устройство. Нужно также отметить что у ШИМ-контроллера SG6105 есть множество аналогов, такие как IW1688, FSP3529Z, HS8108 и прочие. Тема переделки БП ATX в лабораторные БП или в зарядные устройства для автомобильных аккумуляторов меня интересовала очень давно. Я под эти цели переделал несколько десятков БП ATX, и даже всем известная схема «итальянца» у русскоязычных радиолюбителей появилась с моей подачи. На страницах моего канала я много рассказывал о нескольких вариантов переделки компьютерных БП ATX для нужд и потребностей радиолюбителей. На переделке БП ATX с ШИМ-контроллерами TL494 и их аналогами я останавливаться не буду, тема жеваная-пережёванная, из за простоты переделки, но тут есть проблема, что в настоящее время найти исправно работающий БП ATX с ШИМ-контроллерами TL494 весьма затруднительно, а вот с друг

Добрый день дорогие друзья.

Сегодня мы с Вами начнем очень большой и длинный разговор о переделке блоков питания с ШИМ-контроллерами SG6105 в лабораторный БП или зарядное устройство. Нужно также отметить что у ШИМ-контроллера SG6105 есть множество аналогов, такие как IW1688, FSP3529Z, HS8108 и прочие. Тема переделки БП ATX в лабораторные БП или в зарядные устройства для автомобильных аккумуляторов меня интересовала очень давно. Я под эти цели переделал несколько десятков БП ATX, и даже всем известная схема «итальянца» у русскоязычных радиолюбителей появилась с моей подачи. На страницах моего канала я много рассказывал о нескольких вариантов переделки компьютерных БП ATX для нужд и потребностей радиолюбителей. На переделке БП ATX с ШИМ-контроллерами TL494 и их аналогами я останавливаться не буду, тема жеваная-пережёванная, из за простоты переделки, но тут есть проблема, что в настоящее время найти исправно работающий БП ATX с ШИМ-контроллерами TL494 весьма затруднительно, а вот с другими ШИМ-контроллерами такими как 2003, 2005, SG6105 и прочими проблем с приобретением нет, и на моем канале есть публикация с описанием моей переделки БП ATX с ШИМ-контроллером 2003: Самая простая переделка блока питания ATX на шим-контроллере 2003 в регулируемый.

У меня в наличии для переделки имеются два практически одинаковых БП ATX с ШИМ-контроллерами SG6105 RealPower CG-350W R01

Недавно на моем канале вышел видеоролик с обзором и проверкой работоспособности этих блоков питания:

Я примерно 10-20 лет назад переделал несколько таких блоков, именно с ШИМ-контроллерами SG6105 в ЗУ и БП, и порадовал их. В то время у меня не было канала, а компьютере несколько раз выходил из строя жесткий диск, и информация к великому сожалению не сохранилась. В нынешних планах у меня несколько вариантов переделки БП ATX с ШИМ-контроллерами SG6105, перечисляю от простого к сложному:

  • Ввести обманку по линиям 3,3В, 5В и 12В. Сделать регулировку по линии 12В от 10В до 15В, переделки минимальные , защиты и регулировки по току нет. Такой БП можно использовать для зарядки автомобильного аккумулятора, стационарного питания мощной автомобильной аппаратуры, питания трансивера и прочего в пределах регулируемого напряжения.
  • Следующий этап, с БП демонтируется все что позади силового трансформатора, кроме линии 12В, но на ней меняем конденсаторы на более высоковольтные. Делаем регулировку от 0 до 24В. Защиты и регулировки по току как и в предыдущем варианте нет. На вывод дежурки 17В ставим стабилизатор 12В, от него запитываем вентилятор и цифровой ампер и вольт метр.
  • Дорабатываем предыдущий вариант, и добавляем в БП небольшой модуль на микросхеме LM358, и делаем на ней регулировку по току, на подобе того, как делается с ШИМ-контроллерами TL494.
  • И самый лучший, но и самый сложный вариант это демонтаж ШИМ-контроллера SG6105 со всей обвязкой, а вместо него ставим модуль с ШИМ-контроллерами TL494.

Для переделки очень желательно иметь схему БП, и тут у меня возникла проблема, не смог найти схему от имеющихся у меня блоков питания, но очень надеюсь на помощь моих читателей.

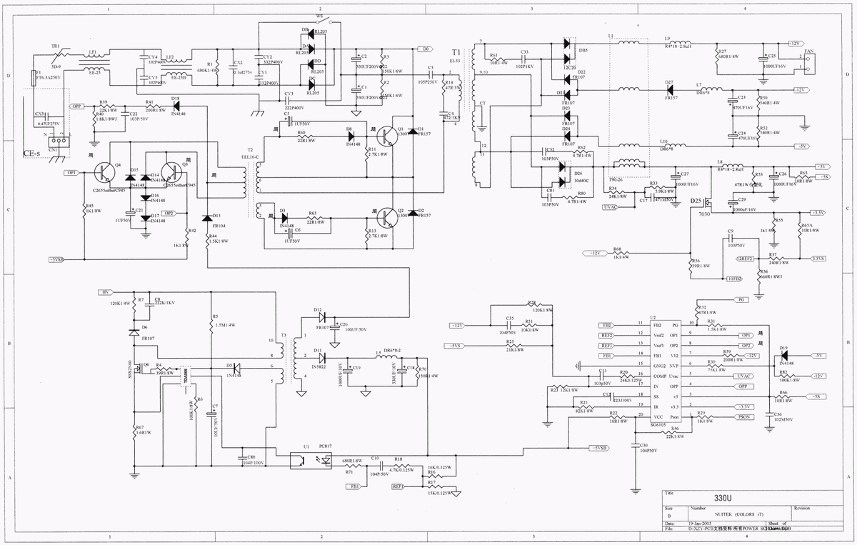
Ниже я привожу три схемы БП ATX с ШИМ-контроллерами SG6105, которые на мой взгляд более или менее схожи с моими БП ATX Real Power CG-350W R01.

Схема №1

-2

Схема №2

-3

Схема №3

-4

В случае если не получится найти схему на имеющийся у меня блок питания, то попробую тогда поискать БП на который можно найти схему.

На этом у меня сегодня все.

Рекомендую посмотреть Каталог публикаций моего канала, где Вы найдете статьи по рассмотренной выше теме и множество других материалов, которые могут быть Вам интересны и полезны.

Ставьте лайки, комментируйте, подписывайтесь и заходите на мой канал, есть много интересной и нужной информации для радиолюбителей.