Найти в Дзене
Изучаю с НОЛЯ.

Преобразователь для питания ламп дневного света

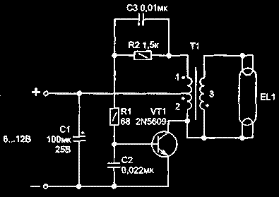
Достаточно простой преобразователь для питания ламп дневного света или других нужд можно изготовить своими руками по нижеприведённой схеме. Преобразователь может пригодиться туристам и автолюбителям, он достаточно экономичен и обладает высоким к.п.д. В полевых условиях он позволяет питать лампы дневного света с мощностью до 30 ватт, а больше и не надо! Схема достаточно проста и содержит малое количество деталей. Питается преобразователь от 3-х до 12-ти вольт, можно использовать пальчиковые или щелочные аккумуляторы, также аккумуляторы от UPS, главное не превышать силу тока выше 10 ампер. Трансформатор от компьютерного блока питания. Первичная обмотка содержит 60 витков с отводом от середины, провод для намотки использован с диаметром 0,6 мм. Повышающая обмотка содержит 250 витков провода с диаметром 0,1 мм Трансформатор как уже сказал от блока питания марки EEL-19 (это второй по величине трансформатор в компьютерном блоке питания) или аналогичные. Силовой транзистор типа M
Оглавление

Достаточно простой преобразователь для питания ламп дневного света или других нужд можно изготовить своими руками по нижеприведённой схеме. Преобразователь может пригодиться туристам и автолюбителям, он достаточно экономичен и обладает высоким к.п.д. В полевых условиях он позволяет питать лампы дневного света с мощностью до 30 ватт, а больше и не надо!

Схема достаточно проста и содержит малое количество деталей. Питается преобразователь от 3-х до 12-ти вольт, можно использовать пальчиковые или щелочные аккумуляторы, также аккумуляторы от UPS, главное не превышать силу тока выше 10 ампер. Трансформатор от компьютерного блока питания. Первичная обмотка содержит 60 витков с отводом от середины, провод для намотки использован с диаметром 0,6 мм. Повышающая обмотка содержит 250 витков провода с диаметром 0,1 мм Трансформатор как уже сказал от блока питания марки EEL-19 (это второй по величине трансформатор в компьютерном блоке питания) или аналогичные.

-2

Силовой транзистор типа MJE13009 (можно найти в том же блоке питания), также возможно использование аналогичных биполярных транзисторов. Радиатор нужно подобрать с площадью не менее 40 см², поскольку транзистор будет греться. В крайнем случае возможно использование отечественных транзисторов типа кт829.

-3

Максимальное потребление тока данного преобразователя может дойти до 2,5 ампер, при этом транзистор будет достаточно сильно перегреваться, если использован небольшой радиатор, то конструкцию нужно дополнить кулером. На фотографии преобразователь питает ЛДС на 20 Вт.

Обязательно поделись мнением после просмотра видео! :) Поддержите ролик лайком и репостом за старания. Вам несложно, а мне приятно!!!

*По вопросам сотрудничества и рекламы: Fetch74@mail.ru:

*Спасибо что смотрите! Не забываем подписаться на канал.