Добавить в корзинуПозвонить
Найти в Дзене
Rippa Group RUSSIA

Истории успеха: Rippa R10 в реальном использовании

Мини-экскаваторы, такие как Rippa R10, популярны среди строительных компаний и частных лиц. Они выполняют широкий спектр задач: от копки траншей до планировки территорий. Rippa R10 отличается отличными характеристиками, доступной ценой и надежностью. В этой статье мы расскажем об успешных примерах применения Rippa R10 в реальных условиях и объясним, почему эта модель стала выбором многих профессионалов. Rippa R10 — улучшенная версия модели R319, которая была значительно усовершенствована в части конструкции и технических характеристик. Экскаватор оснащен одноцилиндровым дизельным двигателем воздушного охлаждения, что делает его мощным и эффективным для работы в самых разных условиях. Общая база и размеры платформы R10 были увеличены, что улучшило его устойчивость при работе на неровных поверхностях. Кроме того, новая модель оборудована широкой гусеницей (90 см), что значительно улучшает проходимость экскаватора в условиях слабого грунта или болотистой местности. Одним из ключевых преим
Оглавление

Мини-экскаваторы, такие как Rippa R10, популярны среди строительных компаний и частных лиц. Они выполняют широкий спектр задач: от копки траншей до планировки территорий. Rippa R10 отличается отличными характеристиками, доступной ценой и надежностью.

В этой статье мы расскажем об успешных примерах применения Rippa R10 в реальных условиях и объясним, почему эта модель стала выбором многих профессионалов.

Новый стандарт для мини-экскаваторов

Rippa R10 — улучшенная версия модели R319, которая была значительно усовершенствована в части конструкции и технических характеристик. Экскаватор оснащен одноцилиндровым дизельным двигателем воздушного охлаждения, что делает его мощным и эффективным для работы в самых разных условиях.

Общая база и размеры платформы R10 были увеличены, что улучшило его устойчивость при работе на неровных поверхностях.

Кроме того, новая модель оборудована широкой гусеницей (90 см), что значительно улучшает проходимость экскаватора в условиях слабого грунта или болотистой местности.

Улучшенная геометрия и крепление стрелы

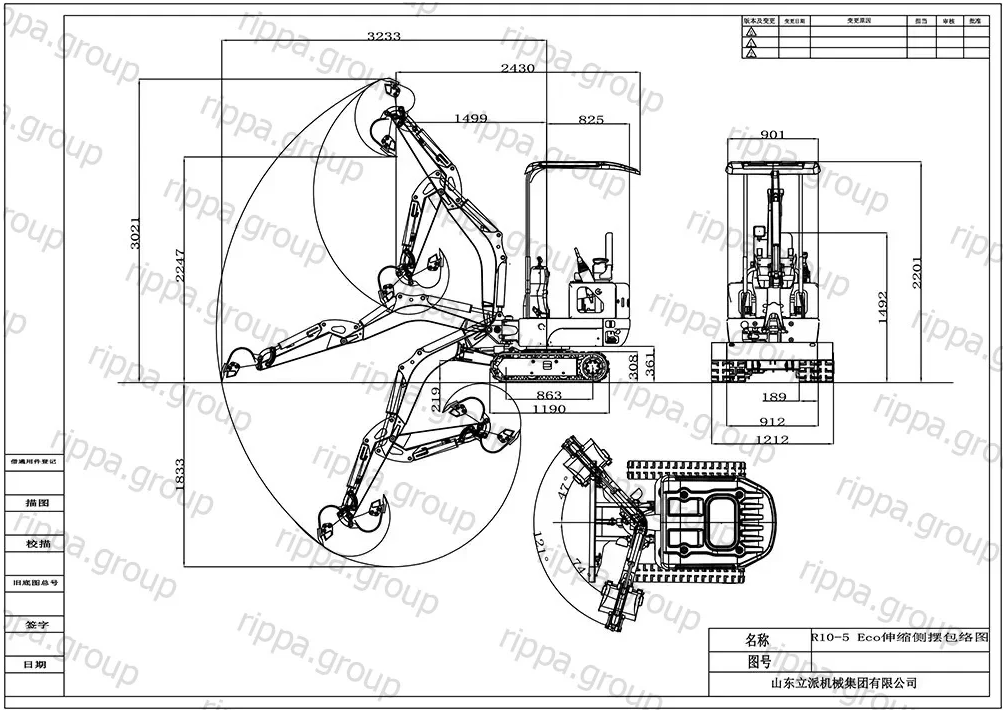
Одним из ключевых преимуществ Rippa R10 является улучшенная геометрия стрелы, что значительно повышает ее эффективность. Стрелы на R10 M имеют больший угол наклона и усиленную конструкцию, что позволяет работать на большем радиусе. Толщина металла стрелы увеличена до 12,5 см (вместо 9 см у R319), что улучшает способность экскаватора справляться с более тяжелыми задачами и увеличивает срок службы.

Также узлы крепления стрелы стали более массивными и толстыми, что улучшает надежность машины, а внешнее расположение креплений упрощает обслуживание и замену деталей.

Джойстики управления и удобство эксплуатации

Управление Rippa R10 было улучшено благодаря новым джойстикам, расположенным по бокам, что повышает комфорт и снижает утомляемость оператора. Джойстики обеспечивают точное управление стрелой и двигателем, что позволяет эффективно работать в труднодоступных местах.

-2

Они также обеспечивают плавность работы, что особенно важно для точных операций, таких как копка в ограниченных пространствах, и дают оператору полный контроль над экскаватором, улучшая безопасность и эффективность работы.

Преимущества в обслуживании

Rippa R10 также отличается удобством обслуживания. Один из важных аспектов — это капот экскаватора, который обеспечивает легкий доступ к подкапотному пространству. Это позволяет быстро проверять уровень масла, гидравлическую жидкость и выполнять другие необходимые операции по обслуживанию техники. Капот защищает от дождя важные компоненты, такие как выключатель массы, что увеличивает срок службы машины.

Для многих владельцев экскаваторов и операторов это важный момент. Быстрый доступ к ключевым узлам и деталям позволяет значительно снизить время простоя техники, а это, в свою очередь, уменьшает затраты на обслуживание.

История успеха: пример реального использования

Рассмотрим реальный пример использования Rippa R10 в строительстве и на крупных земельных работах. Один из наших клиентов, строительная компания в Подмосковье, приобрела эту модель для работы на небольших стройках и земельных участках. Задача заключалась в копке траншей для прокладки инженерных коммуникаций в ограниченных пространствах.

С помощью R10 компания смогла быстро выполнить работы в ограниченном пространстве, где другие экскаваторы не могли бы маневрировать из-за своих габаритов. Компактные размеры и маневренность позволили сэкономить время и ресурсы на выполнение задач.

-3

Также стоит отметить, что благодаря улучшенной геометрии стрелы и увеличенному радиусу работы, экскаватор смог выполнить сложные задачи, такие как выемка на глубину 2,5 метра для установки труб. Оператор компании отметил, что благодаря удобному управлению через джойстики работа с техникой была не только быстрой, но и комфортной.

Кроме того, экскаватор доказал свою надежность при работе в жаркую погоду. Мощный одноцилиндровый дизельный двигатель позволял работать без значительных перерывов, но в жару оператору все-таки пришлось делать короткие остановки для того, чтобы дать мотору остыть. Это — стандартная практика для многих дизельных экскаваторов, и R10 не стал исключением.

Заключение

Rippa R10 — идеальный выбор для тех, кто ценит компактность, мощность и надежность в одном пакете. Улучшенная геометрия стрелы, усиленная конструкция, улучшенные джойстики и удобство обслуживания делают этот мини-экскаватор не только эффективным, но и комфортным в эксплуатации.

Он уже доказал свою эффективность в реальных условиях и стал незаменимым инструментом для множества предпринимателей и строительных компаний, обеспечив высокую производительность и рентабельность.