Добавить в корзинуПозвонить
Найти в Дзене
Станковед

Такелажные работы станков с ЧПУ: что нужно знать?

В статье мы подробно рассмотрим, что такое такелаж станков с ЧПУ, какие нюансы необходимо учитывать при его проведении, и как подготовиться к данному процессу. Перечисленные в статье особенности такелажных работ можно легко распространить на любое высокоточное промышленное оборудование. Такелажные работы – это комплекс мероприятий, направленных на безопасную погрузку, разгрузку, перемещение и установку станков с ЧПУ. Данный процесс требует не только специального оборудования (использования специальных такелажных приспособлений: строп, подъемных кранов, домкратов, роликовых платформ и других устройств), но и высокой квалификации специалистов, так как ЧПУ-станки представляют собой сложные, дорогостоящие и зачастую массивные конструкции, требующие очень деликатного обращения (в том числе для сохранения точности, которую заложил завод-изготовитель). Всем понятно, что ошибки при такелажных работах могут привести к повреждению дорогостоящего оборудования, а в отдельных случаях даже к несчаст
Оглавление

В статье мы подробно рассмотрим, что такое такелаж станков с ЧПУ, какие нюансы необходимо учитывать при его проведении, и как подготовиться к данному процессу. Перечисленные в статье особенности такелажных работ можно легко распространить на любое высокоточное промышленное оборудование.

Такелажные работы – это комплекс мероприятий, направленных на безопасную погрузку, разгрузку, перемещение и установку станков с ЧПУ.

Данный процесс требует не только специального оборудования (использования специальных такелажных приспособлений: строп, подъемных кранов, домкратов, роликовых платформ и других устройств), но и высокой квалификации специалистов, так как ЧПУ-станки представляют собой сложные, дорогостоящие и зачастую массивные конструкции, требующие очень деликатного обращения (в том числе для сохранения точности, которую заложил завод-изготовитель).

Всем понятно, что ошибки при такелажных работах могут привести к повреждению дорогостоящего оборудования, а в отдельных случаях даже к несчастным случаям.

Важность исходных данных при подготовке к такелажу

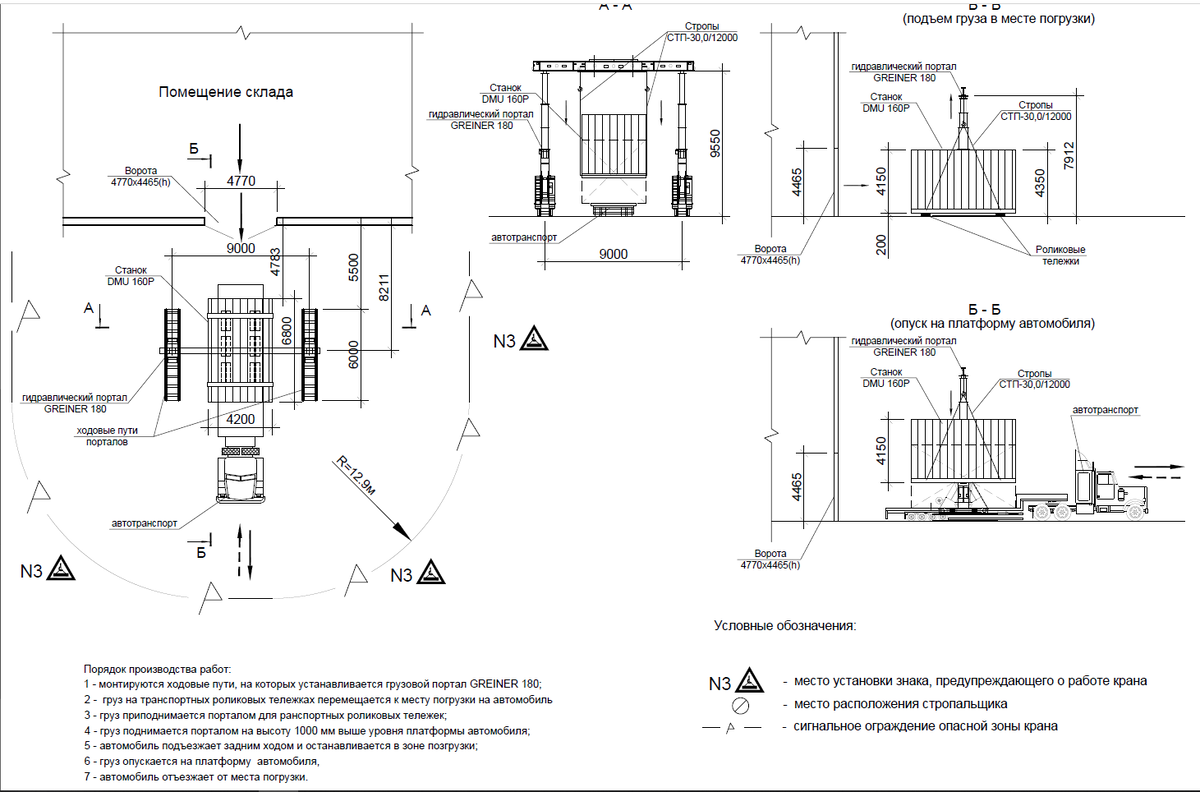
Перед началом работ важно предоставить как можно более полную информацию потенциальному подрядчику, чтобы он смог подготовить полноценный документ – План Проведения Работ (ППР).

Важнейший элемент подготовки - ПЛАН ПРОИЗВОДСТВА РАБОТ
Важнейший элемент подготовки - ПЛАН ПРОИЗВОДСТВА РАБОТ

Данные о станке / грузе:

  • Габаритные размеры и вес оборудования (в упаковке и без)
  • Состав оборудования (со станком часто идет множество комплектующих, например – транспортер стружки, устройство охлаждения и т.д. – которое требует отдельной стратегии проведения работ)
  • Конструкция станка и наличие съемных частей
  • Расположение центра тяжести каждого места
  • Места крепления такелажных стропов / рым-болты

Данные по месту, в котором будут выполняться такелажные работы:

  • Как далеко находится место установки от места разгрузки станка с грузового автотранспорта
  • Будущее местоположение станка в цехе, чтобы заранее предусмотреть пути его перемещения.
  • Возможные препятствия на пути транспортировки: узкие проходы, перепады высот, лестницы, ограниченная высота и ширина дверных проемов.
  • Требуется ли освобождение помещения от других станков или оборудования для беспрепятственного перемещения.
  • Наличие удобных точек подъема и разгрузки, возможность использования подъемного оборудования.
  • Необходимые условия установки (фундамент, виброизоляция).
  • Несущая способность пола в местах движения и установки станка.

Все эти данные важно предоставлять подрядчику для корректной подготовки. Но просто предоставить их - мало. Важно поработать над качеством предоставления таких данных. Понятно, что ошибки здесь могут привести к дополнительным затратам и рискам уже на месте – во время проведения таких работ. Например, если не учесть высоту дверных проемов, станок может застрять в проходе, а если не предусмотреть способ фиксации, возможны смещения в процессе транспортировки. Поэтому внимательно проверяйте данные перед отправкой подрядчикам.

Основные этапы выполнения такелажных работ

1. Подготовительный этап

  • Анализ характеристик станка (вес, габариты, особенности конструкции).
  • Выбор необходимого оборудования и методов такелажа.
  • Подготовка маршрута перемещения (учет высоты проемов, наличия лестниц, углов, покрытия пола).
  • Оценка несущей способности пола и конструкций, по которым будет перемещаться оборудование.
  • Подготовка крепежных элементов и защитных материалов для предотвращения повреждений.

Рекомендация: для высокоточного / дорогостоящего оборудования (и не только) - обязательно требуйте предоставления плана производства работ.

2. Такелажные работы

  • Разгрузка станка с транспортного средства с использованием разгрузочной техники – автокранов и/или погрузчиков
  • Перемещение его в зону установки с использованием подъемных механизмов, роликов / роликовых платформ, тросов и т.д.
  • Установка на фундамент или виброизолирующие опоры.
  • Выравнивание и закрепление оборудования в соответствии с техническими требованиями.
Пример техники, которая может потребоваться для проведения такелажных работ
Пример техники, которая может потребоваться для проведения такелажных работ

3. Финальная проверка (как правило уже выполняется поставщиком оборудования)

  • Контроль устойчивости оборудования.
  • Проверка горизонтальности станка с помощью нивелира.
  • Подключение к электросети и коммуникациям.
  • Проведение тестового запуска.

Нюансы и сложности такелажных работ

Каждый тип оборудования имеет свои конструктивные особенности, которые необходимо учитывать при его транспортировке и установке. Например, некоторые модели оснащены выносными панелями (ЧПУ) и дополнительными модулями, которые требуют особого подхода при погрузке и закреплении.

Одним из ключевых факторов является центр тяжести станка (который долен быть соответствующим образом промаркирован). У различных моделей он может располагаться не в геометрическом центре, а смещен в сторону из-за особенностей конструкции. Неправильное распределение нагрузки при подъеме и транспортировке может привести к опрокидыванию или повреждению оборудования (к сожалению, мы уже сталкивались с такими инцидентами, причем даже с европейским оборудованием, а что можно ожидать от китайского оборудования на текущий момент - мы уже знаем).

Разгрузка токарного станка с ЧПУ
Разгрузка токарного станка с ЧПУ

Габаритные ограничения

  • Некоторые станки могут быть шире стандартных дверных проемов или выше ворот. Потому потребуется расширять проем
  • Необходимо заранее предусмотреть возможность демонтажа отдельных частей станка для упрощения перемещения (например, снять защитные кожухи).

Хрупкость груза и компонентов

  • Высокоточное оборудование и его компоненты (в т.ч. электроника, направляющие, шпиндель и прочие узлы) требуют особой осторожности / исключение тряски и тем более падений даже с небольшой высоты.
  • При такелажных работах важно использовать специальные приспособления – т.ч. амортизирующие подкладки и т.д.

Организация безопасности

  • Работа с тяжелыми грузами требует соблюдения строгих норм техники безопасности.
  • Все такелажные работы должны проводиться под контролем опытных специалистов.
  • ВАЖНО: Помните, что при найме такелажной компании – важно обращать внимание на их опыт в выполнении таких работ (компания просто обязана была ранее работать с оборудованием) и иметь собственный набор инструмента для проведения таких работ.

Заключение

Такелаж станков с ЧПУ - это действительно сложный и ответственный процесс, который требует подготовки и профессионального подхода. Им не надо пренебрегать, особенно, когда место установки станка является труднодоступным (например, на 2 этаже, или, наоборот, в подвале). Ваше оборудование стоит миллионы рублей – затраты на привлечение профессионалов несоизмеримо малы.

Ошибки при проведении такелажных работ могут привести к дорогостоящему ремонту оборудования или даже его поломке еще ДО ввода в эксплуатацию – считаю, что это большие риски для предпринимателя.

Соблюдение правильных методов такелажа (а также подготовку), использование специализированного оборудования и профессиональный подход обеспечат безопасную и эффективную транспортировку вашего ЧПУ-станка, минимизируя риски повреждений, а, следовательно и простоев вашего производства.

Если вам нужен действительно качественный и безопасный такелаж станков с ЧПУ – просто напишите нам и мы с нашими партнерами сделаем все как надо.