Добавить в корзинуПозвонить
Найти в Дзене
PRACTICAL ELECTRONICS

Активный разделительный фильтр (кроссовер) НЧ-СЧ-ВЧ

Общеизвестен тот факт, что не существует универсального широкополосного динамика, который способен качественно излучать весь слышимый диапазон звуковых частот от 20 Гц до 20 кГц. Наилучшее качество звука может быть достигнуто с помощью имеющихся в настоящее время динамических головок с разделением частотного диапазона на три части. От этого «частотного разложения» происходят и названия динамиков: твитер (ВЧ), мидвуфер (СЧ) и сабвуфер (НЧ). На практике частотная декомпозиция может происходить двумя способами. Направление выходного сигнала выходного каскада на пассивный преобразователь звука, состоящий из элементов LRC. Такой фильтр-преобразователь содержит три фильтра, к которым подключены соответствующие динамики. Хотя этот метод наиболее распространён, это не лучшее решение. Пассивная схема приводит к потере мощности, и раздел частот недостаточно крутой. Следовательно, сигналы соседних полос смешиваются, что вызывает искажения, не говоря уже о размере и особых требованиях к материалам
Оглавление

О разделительных фильтрах

Общеизвестен тот факт, что не существует универсального широкополосного динамика, который способен качественно излучать весь слышимый диапазон звуковых частот от 20 Гц до 20 кГц. Наилучшее качество звука может быть достигнуто с помощью имеющихся в настоящее время динамических головок с разделением частотного диапазона на три части. От этого «частотного разложения» происходят и названия динамиков: твитер (ВЧ), мидвуфер (СЧ) и сабвуфер (НЧ).

На практике частотная декомпозиция может происходить двумя способами. Направление выходного сигнала выходного каскада на пассивный преобразователь звука, состоящий из элементов LRC. Такой фильтр-преобразователь содержит три фильтра, к которым подключены соответствующие динамики. Хотя этот метод наиболее распространён, это не лучшее решение. Пассивная схема приводит к потере мощности, и раздел частот недостаточно крутой. Следовательно, сигналы соседних полос смешиваются, что вызывает искажения, не говоря уже о размере и особых требованиях к материалам LC-элементов схем фильтра.

Гораздо более правильным решением является разделение полос, соответствующих высокому, среднему и низкому звуковому диапазону, с помощью высокоточных, крутых, линейных активных, которые затем усиливаются и подключение к ним соответствующих динамиков.

Схема электрическая

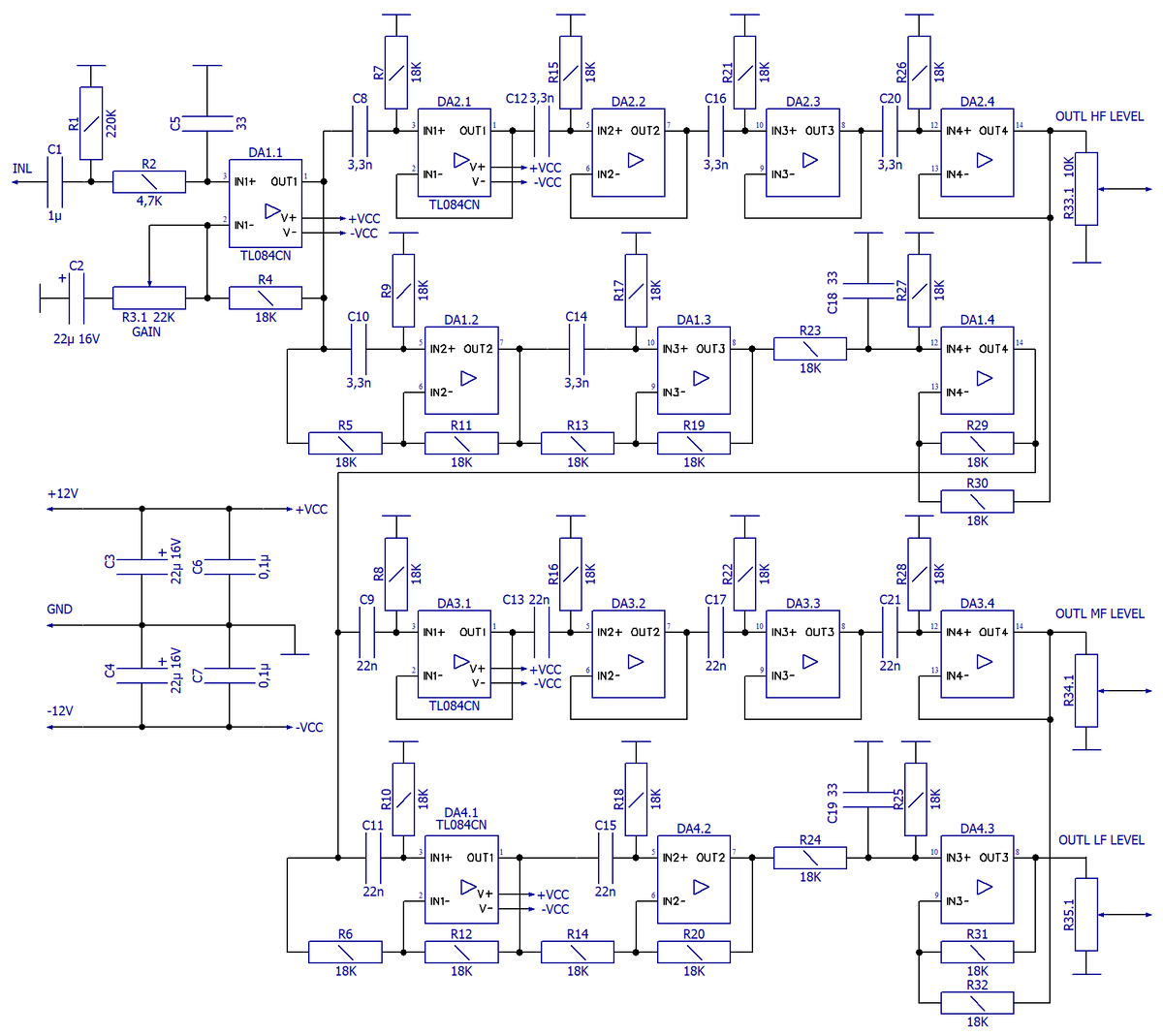
Схема электрическая принципиальная активного разделительного фильтра (кроссовера) НЧ-СЧ-ВЧ
Схема электрическая принципиальная активного разделительного фильтра (кроссовера) НЧ-СЧ-ВЧ

Формируемые схемой АЧХ изображены на рисунке ниже. ВЧ канал со спадом АЧХ крутизной 24 дБ/октава (частота среза около 5,5 кГц) образован DA2.1…DA2.4 с переменным резистором чувствительности R33.

Оставшаяся часть спектра выделяется фильтром дополнительной функции (ФДФ) – в данном случае ФНЧ DA1.2…DA1.4 (R13, R15, R16) и подается на ФВЧ четвёртого порядка DA3.1…DA3.4, на выходе которого формируется сигнал СЧ, а также второй ФДФ DA4.1…DA4.3, на выходе которого формируется НЧ канал.

-3

Чтобы получить хорошие характеристики фильтров, важно подобрать точные значения RC-элементов, определяющих частоты среза. Резисторы желательно использовать с допуском в 1%, а при подборе конденсаторов (здесь использована обычная керамика К10-17Б) пользоваться C-метром.

Конструкция

Печатная плата для схемы активного разделительного фильтра (кроссовера) НЧ-СЧ-ВЧ
Печатная плата для схемы активного разделительного фильтра (кроссовера) НЧ-СЧ-ВЧ

Чертёж печатной платы для стерео-варианта кроссовера показан на рисунке выше. Позиционные обозначения компонентов с апострофом означают его принадлежность к правому каналу. Используемые в схеме переменные резисторы – сдвоенные для монтажа на печатную плату RK-1233G1.