Найти в Дзене

Орион-128. Программатор "ИСКРА" для однократно-программируемых микросхем ПЗУ К155РЕ3 и КР556РТ4...КР556РТ18.

Всех приветствую! Иногда при проектировании своих устройств приходится изобретать сложные дешифрирующие узлы, комбинируя стандартные дешифраторы маркировок ИД. При анализе схемы выясняется, что в решении вопроса помогло бы небольшого размера ПЗУ типа К155РЕ3 или КР556РТ4. Или вот наиболее частая проблема: дешифратор для семисегментных индикаторов. Как правило, применяют микросхему отечественного производства К155РЕ3. У неё 5 входов, что позволяет применять сразу две прошивки: для индикаторов с общим анодом и общим катодом. Какие нашли, такие и ставим. Достаточно переключить входной адрес. Но не у всех есть возможность программирования таких микросхем. Как правило, собирают что-то несложное одноразовое "на коленке" и вручную программируют. А если теперь допустить ошибку? Всё, микросхему в мусорное ведро. Чтобы избавить себя от такой сложной работы, был разработан несложный программатор для программирования микросхем К155РЕ3 и линейки КР556 от РТ4 до РТ18. Данный программатор подключаетс

Всех приветствую!

Иногда при проектировании своих устройств приходится изобретать сложные дешифрирующие узлы, комбинируя стандартные дешифраторы маркировок ИД. При анализе схемы выясняется, что в решении вопроса помогло бы небольшого размера ПЗУ типа К155РЕ3 или КР556РТ4. Или вот наиболее частая проблема: дешифратор для семисегментных индикаторов. Как правило, применяют микросхему отечественного производства К155РЕ3. У неё 5 входов, что позволяет применять сразу две прошивки: для индикаторов с общим анодом и общим катодом. Какие нашли, такие и ставим. Достаточно переключить входной адрес.

Но не у всех есть возможность программирования таких микросхем. Как правило, собирают что-то несложное одноразовое "на коленке" и вручную программируют. А если теперь допустить ошибку? Всё, микросхему в мусорное ведро.

Чтобы избавить себя от такой сложной работы, был разработан несложный программатор для программирования микросхем К155РЕ3 и линейки КР556 от РТ4 до РТ18.

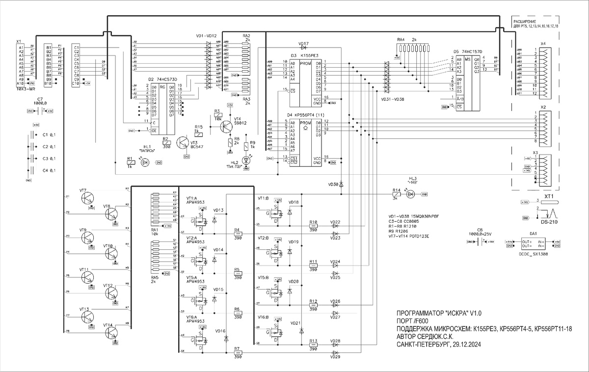
Данный программатор подключается к компьютеру Орион-128 через пользовательский разъём Х6 по адресу /F600.

Программное обеспечение разработано под операционную систему DSDOS версии не ниже 3.9

Итак, схема программатора:

Как видно из схемы, управление программатором осуществляется через разъём Х1. Через канал А устанавливаются адреса для микросхем ПЗУ, канал В управляет подачей напряжения программирования 14в, а канал С выдаёт управляющие сигналы и принимает данные. Для четырёх битных микросхем приём происходит в один приём, для восьмибитных в два приёма через мультиплексор D5 74HC157. Регистр D2 74HC573 защёлкивает старшую часть адреса для микросхем объёмом свыше 256 байт. Также канал С управляет подачей напряжения питания 5В на схему.

Ключи VT7-VT14 управляют силовыми ключами VT1,VT2 и VT5,VT6, подающие напряжение программирования на каждый бит микросхем ПЗУ.

При программировании каждый бит программируется отдельно.

Т.к. "материнская" плата программатора позволяет программировать только микросхемы К155РЕ3 и КР556РТ4, то для программирования остальных микросхем РТ5-РТ18 предназначены разъёмы Х2-Х4, к которым дополнительно подключается адаптер:

-2

Основная плата програматора выглядит так:

-3
-4

Для уменьшения размеров платы для компонентов был выбран SMD-вариант.

Такой плата получается после сборки:

-5

Так как мне адаптер для остальных КР556 не нужен, я наМГТФил только РТ5:

-6
-7

Для запуска программатора этого будет достаточно.

Также рядом имеется ещё место для одной ZIF-панели для расширения возможностей адаптера.

Всё вместе выглядит так:

-8

После сборки подключаем программатор к компьютеру и первым делом настраиваем выход +14В на выходе преобразователя SX1308. Если не удалось приобрести такой преобразователь, вместо него устанавливается разъём DS-210,

-9

через который можно подключить регулируемый внешний источник питания +14В.

Настройка 14В
Настройка 14В

Микросхемы ПЗУ не должны быть в этот момент вставлены в панели.

После этого запускаем программу с ключом /D:

ISKRA$ /D

что позволит нам провести диагностику практически всей аппаратной части за исключением микросхемы D5 74HC157. Правильно она работает или нет, мы сможем увидеть только в работе совместно с ПЗУ при чтении их содержимого.

После запуска программы в режиме диагностики вы увидите:

-11

Далее, следуя подсказкам, проверяете наличие/отсутствие сигналов, запрашиваемых программой.

При успешном окончании диагностики вы увидете:

-12

Теперь можно пробовать программировать ПЗУ.

Главное окно программы:

-13

Работа программы в режиме выбора ПЗУ:

-14

В качестве параметра так же можно задать файл прошивки, например так:

ISKRA$ FIRMWARE, где FIRMWARE имя прошивки

и после выбора микросхемы внизу появится часть дампа прошивки, например такой:

-15

Прошивку можно просмотреть, листая ее клавишами вниз-вверх.

Программу также можно запускать и без параметров.

Видео работы программы:

Как можно заметить, некоторые адреса пишутся быстрее, а другие медленнее. Это происходит из-за того, что не все биты в байтах программируются. И если в байте нечего программировать, то адрес пропускается.

Важно!
При программировании микросхем К155РЕ3 напряжение программирования следует начинать с уровня 11 вольт. При неудачных попытках программирования можно повышать напряжение шагом 0,5в. Но учтите, при достижении 14в дальнейшее программирование бесполезно, скорее всего микросхема бракованная.

Все материалы по сборке (схема, герберы, программа в формате ORI-SERVER) можно скачать здесь https://disk.yandex.ru/d/VjfDi7DNGX5hng

До новых встреч!