Добавить в корзинуПозвонить
Найти в Дзене

Схема подключения Тонар

Схема пневматическая и электрическая полуприцепа Тонар\

Схема пневматическая и электрическая полуприцепа Тонар\

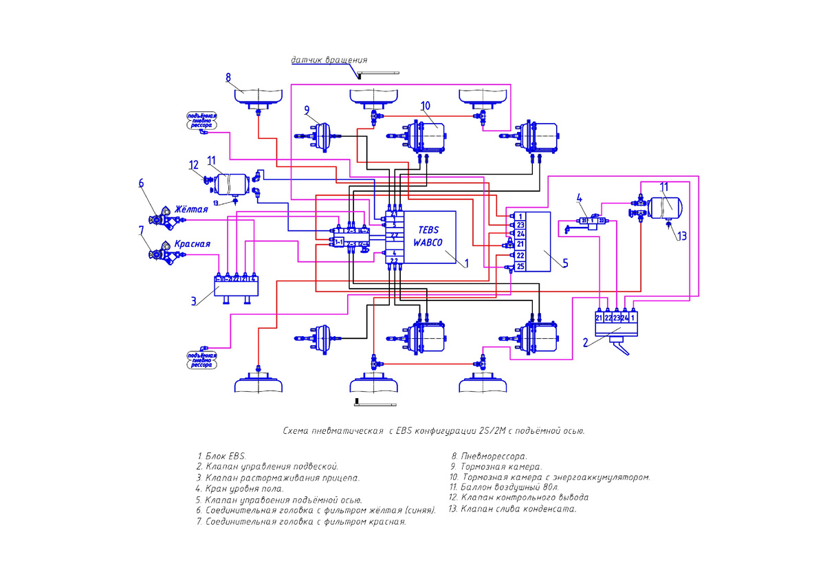
Схема пневматическая с EBS трехосной с подъёмной осью 2S/2M
Схема пневматическая с EBS трехосной с подъёмной осью 2S/2M
Схема электрическая с EBS трехосной с подьемной осью 2S/2M
Схема электрическая с EBS трехосной с подьемной осью 2S/2M