Добавить в корзинуПозвонить
Найти в Дзене
NeМЕХАНИК

ЭЛЕКТРИЧЕСКИЕ СХЕМЫ VW PASSAT B4/B3

Книжка и бумажные схемы конечно хорошо, но телефон всегда под рукой, поэтому схемы в электронном виде)

Книжка и бумажные схемы конечно хорошо, но телефон всегда под рукой, поэтому схемы в электронном виде)

Если статья будет полезной, поставь палец вверх👍 и  подпишись на канал!)
Если статья будет полезной, поставь палец вверх👍 и подпишись на канал!)

-2

-3

-4

-5

-6

-7

-8

-9

-10

-11

-12

-13

-14

-15

-16

-17

-18

-19

-20

-21

-22

-23

-24

-25

-26

-27

-28

-29

-30

-31

-32

-33

-34

-35

-36

-37

-38

-39

-40

-41

-42

-43

-44

-45

-46

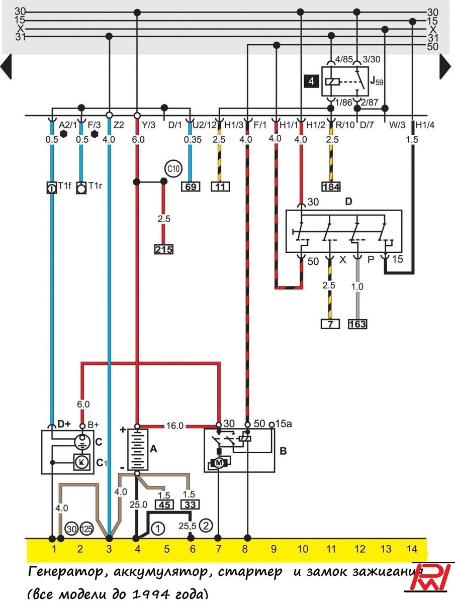
А теперь по булавками и циферкам)
А теперь по булавками и циферкам)

-48

-49

-50

-51

-52

-53

-54

-55

-56

Плюсы
Плюсы

-58

Минусы
Минусы

-60