Добавить в корзинуПозвонить
Найти в Дзене
Будни инженера

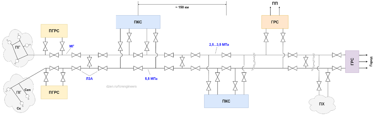
Схема газотранспортной системы

Поскольку я теперь ещё и инженер по газоснабжению, то профессия обязывает хотя бы иногда почитывать какие-нибудь книжки по этому направлению. И, хотя на практике я этим не занимаюсь, я всё же почитываю, чтобы не совсем забыть, чему я там обучался. Ну а для того, чтобы прочитанное лучше держалось в памяти, я ещё и пишу статьи по мотивам книг и учебников (я этот способ давно придумал, ещё учась в универе, и лично для меня он очень даже рабочий). Так что сегодня расскажу о газотранспортной системе. Поскольку свою трудовую деятельность я начинал с телефонной связи, то для меня ГТС - это в первую очередь Городская Телефонная Станция. О том, что это ещё и ГазоТранспортная Система, я узнал только тогда, когда обучался на курсах по газоснабжению. И вообще в вопросах газоснабжения очень много сокращений, например, ГРС - ГазоРаспределительная Станция. Ну а теперь к сути… Здесь: Процесс примерно такой: В начале эксплуатации месторождения газа пластовое давление бывает достаточное. Поэтому головну

Поскольку я теперь ещё и инженер по газоснабжению, то профессия обязывает хотя бы иногда почитывать какие-нибудь книжки по этому направлению. И, хотя на практике я этим не занимаюсь, я всё же почитываю, чтобы не совсем забыть, чему я там обучался.

Ну а для того, чтобы прочитанное лучше держалось в памяти, я ещё и пишу статьи по мотивам книг и учебников (я этот способ давно придумал, ещё учась в универе, и лично для меня он очень даже рабочий). Так что сегодня расскажу о газотранспортной системе.

Поскольку свою трудовую деятельность я начинал с телефонной связи, то для меня ГТС - это в первую очередь Городская Телефонная Станция. О том, что это ещё и ГазоТранспортная Система, я узнал только тогда, когда обучался на курсах по газоснабжению. И вообще в вопросах газоснабжения очень много сокращений, например, ГРС - ГазоРаспределительная Станция.

Ну а теперь к сути…

Здесь:

  • ПГ - промысловый газопровод
  • ПГРС - промысловая газораспределительная станция
  • МГ - магистральный газопровод
  • ПКС - промежуточная компрессорная станция
  • ЛЗА - линейная запорная арматура
  • ГРС - газораспределительная станция
  • ПХ - подземное хранилище
  • ПП - промежуточный потребитель,
  • Ск - скважины
  • Сеп - сепаратор

Процесс примерно такой:

  1. Газ из скважины поступает в сепараторы, где от него отделяются твёрдые и жидкие механические примеси.
  2. Затем по промысловым газопроводам газ поступает в коллекторы и в промысловые газораспределительные станции. Здесь газ вновь очищают от пыли, осушают, одорируют и снижают давление газа до расчётного значения, принятого в магистральном газопроводе.
  3. Газопровод заканчивается газораспределительной станцией (ГРС), которая подаёт газ крупному городу или промышленному узлу. По пути газопровод обычно имеет отводы, по которым газ поступает к ГРС промежуточных потребителей (менее крупных городов и населённых пунктов, промышленных объектов).

В начале эксплуатации месторождения газа пластовое давление бывает достаточное. Поэтому головную компрессорную станцию строят не сразу, а только после снижения давления в пласте.

Промежуточные компрессорные станции располагают примерно через 150 километров друг от друга.

Для возможности проведения ремонтов предусматривают линейную запорную арматуру (задвижки), которую устанавливают не реже чем через 25 километров.

Для надёжности газоснабжения и возможности транспортировать большие потоки газа магистральные газопроводы выполняют в две или несколько ниток.

Система магистрального транспортирования газа от промыслов до потребителя является достаточно жёсткой, не позволяет накапливать газ, и поэтому может лишь частично покрыть неравномерность потребления газа. Поэтому для покрытия сезонной неравномерности потребления используют подземные хранилища, куда газ закачивается во время наименьшего потребления (обычно летом), и откуда газ берётся во время наибольшего потребления (обычно зимой).

Также для более равномерного потребления используются особые потребители-регуляторы, которые летом работают на газе из газопровода, а зимой - на другом виде топлива (например, газомазутные или пылегазовые электростанции).

Схема, которая приведена выше - это “классика жанра” из советских учебников. В более новых системах давление может быть более 5,5 МПа, например, 7,5 и выше. Повышение давления позволяет увеличить пропускную способность газопроводов, но и требует более совершенных материалов и компрессорных станций.

На этом всё. Подписывайтесь на канал, чтобы ничего не пропустить…