Добавить в корзинуПозвонить
Найти в Дзене
Русрельс

Какие бывают рельсы

В инженерии и строительстве рельсы занимают особое место. Они служат основой для железных дорог, магистралей и даже метрополитенов. Но не все знают, какие бывают рельсы и в чем их особенности. В этой статье мы разберем основные виды ЖД полотен, их характеристики и применение. В зависимости от использования рельсы можно разделить на несколько типов. Рудничные (Р33, 38, 43) — незаменимы в подземных шахтах для движения вагонеток и небольших составов. Они также используются в производстве стрелочных переводов. Ширококолейные (РП50, 65, 75) — идеальны для производственных предприятий. Благодаря широкой колее, они подходят как для обычных поездов, так и для стрелочных переводов. Узкоколейные (Р8, 11, 18, 24) — специально созданы для узких колей, идеально подходят для подземных шахт. Крановые (КР70, 80, 100, 120, 140) — необходимы для движения крановых тележек и подъемных кранов. Контррельсовые (РК50, 65, 75) — предотвращают соскакивание колес с рельсов, что критично для безопасности. Рамные
Оглавление

В инженерии и строительстве рельсы занимают особое место. Они служат основой для железных дорог, магистралей и даже метрополитенов. Но не все знают, какие бывают рельсы и в чем их особенности. В этой статье мы разберем основные виды ЖД полотен, их характеристики и применение.

Типы рельс

В зависимости от использования рельсы можно разделить на несколько типов.

Рудничные (Р33, 38, 43) — незаменимы в подземных шахтах для движения вагонеток и небольших составов. Они также используются в производстве стрелочных переводов.

Ширококолейные (РП50, 65, 75) — идеальны для производственных предприятий. Благодаря широкой колее, они подходят как для обычных поездов, так и для стрелочных переводов.

Узкоколейные (Р8, 11, 18, 24) — специально созданы для узких колей, идеально подходят для подземных шахт.

Крановые (КР70, 80, 100, 120, 140) — необходимы для движения крановых тележек и подъемных кранов.

Контррельсовые (РК50, 65, 75) — предотвращают соскакивание колес с рельсов, что критично для безопасности.

Рамные (РР65) — служат боковой опорой остряков и выполняют соединительную функцию.

Усовиковые (УР65) — устанавливаются на пересечениях путей и съездов, применяются при изготовлении крестовин с непрерывной поверхностью катания.

Трамвайные (Т58, 60, 62, 65) — обладают специальной сталью и химически стойким составом, что позволяет им работать под электрическим напряжением.

Остряковые (О43, 50, 65, 75) — важны для прокладки путей как общего, так и необщего пользования.

Железнодорожные (Р50, 65, 75) — используются для создания широких колей и стрелочных переводов на звеньевых и бесстыковых путях.

Чтобы повысить прочность, металл обрабатывают методом объемной прокалки или упрочняют заготовки по сечению. Сталь выплавляется в мартеновских печах, конвертерах или электропечах. Основные параметры, по которым классифицируют изделия, включают класс прочности, профиль, прямолинейность и другие характеристики, которые влияют на эксплуатацию железнодорожных линий.

Длина рельс

Важно понять, что длина может варьироваться в зависимости от целей их использования. Российские заводы обычно выпускают стандартные железнодорожные полотна длиной 12,5; 25,0; 50,0 и 100 метров. Широко используемые для железнодорожных путей чаще всего изготавливаются с длиной в 25 метров. Теперь перейдем к конкретным типам рельс.

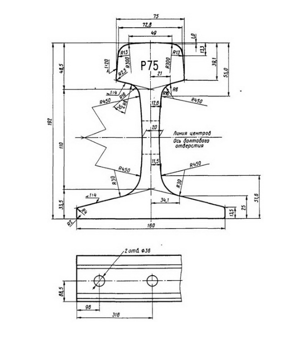
Рельс Р75

Этот тип является одним из самых распространенных и используется в различных видах железнодорожного транспорта. Предназначен для использования на железных дорогах, строящихся с помощью звеньев и без стыков, а также для прокладки стрелочных переводов. Имеет следующие характеристики:

  • высота изделия — 192 мм;
  • высота шейки — 104 мм;
  • ширина головки — 75 мм;
  • ширина подошвы — 150 мм;
  • толщина шейки — 20 мм;
  • высота пера — 13,5 мм.

Масса одного погонного метра составляет 74,41 кг. Изготовлен из стали марки М76. Подходит для железных дорог, магистралей и метрополитенов.

Рельс Р65

Широкоподошвенный железнодорожный рельс используется на магистральных железных дорогах, подъездных путях и при реконструкции существующих линий. Он имеет следующие характеристики:

  • масса погонного метра: 64,72–64,88 кг;
  • высота: 180 мм;
  • ширина подошвы: 150 мм;
  • ширина головки: 75 мм;
  • площадь поперечного сечения: 82,65–82,79 см²;
  • длина: стандартно 12,5 или 25 метров, также допускаются длины 12,36 м для бесстыкового железнодорожного полотна и 12,42 и 12,46 м для кривых участков.

Изделие состоит из трёх основных частей: головки, шейки и подошвы. Головка принимает на себя основную нагрузку от колес подвижного состава, шейка обеспечивает прочность и жёсткость конструкции, а подошва распределяет нагрузку на шпалы и обеспечивает устойчивость.

Профиль Р65 включает радиус головки R500 мм, уклон боковой поверхности головки 1:20, переходные радиусы R80, R15, R370 мм и радиус скругления кромок R3 мм.

Изготавливается из высококачественной стали марки М76ВТ, содержащей 0,82% углерода и ряд легирующих элементов (кремний, марганец, ванадий, титан, цирконий). Это обеспечивает высокую прочность, износостойкость и сопротивление усталостным нагрузкам.

-2

Рельс Р50

Железнодорожный рельс, предназначенный для звеньевого и бесстыкового пути железных дорог широкой колеи 1520, а также для строительства путей метрополитена и производства стрелочных переводов.

Основные характеристики:

  • масса: 51,67 кг;
  • высота: 152 мм;
  • ширина подошвы: 132 мм;
  • ширина головки: 70 мм;
  • длина: 12,5 м;
  • вес 1 метра: 51,67 кг.

Применяется для железных дорог с грузонапряженностью от 10 до 25 млн ткм/км в год. Используется на частных железнодорожных дорогах, таких как лесные и горные железные дороги, а также в качестве временных рельс на строительных объектах.

-3

Рельс Р43

Железнодорожный рельс используется для соединения нескольких сырьевых баз, железнодорожных станций и предприятий внешними путями сообщения, а также для укладки подземных путей шахт. Р43 может применяться для обеспечения внутреннего сообщения между объектами одного предприятия.

Технические показатели:

  • материал изготовления — стальной сплав 70 СП (категория «ПТ»);
  • длина — 12,5 м (согласно ГОСТу 30165-94);
  • вес погонного метра — 44,65 кг;
  • вес одной рельсы — 558 кг.

Цены на них зависят от состояния и количества.

-4

Рельс КР70, 80, 120

Крановые полотна используются при строительстве и на складах для прокладки подкрановых путей в стационарных крановых устройствах. Они применяются в различных отраслях промышленности, таких как строительство, производство, судостроение, железные дороги и другие.

Характеристики:

  • Тип: КР (крановый).
  • Длина: 11 метров.
  • Ширина подошвы: 120 миллиметров.
  • Ширина головки: 70, 80 и 120 миллиметров соответственно.
  • Масса 1 метра: 46,1 килограмма для КР70, 50 килограммов для КР80 и 60 килограммов для КР120.
  • Марка стали, ГОСТ, ТУ: ГОСТ 4121-96.
-5

Прайс-лист на рельсы

Если вы уже определились с типом, вам может быть интересно узнать, сколько они стоят. Компания «Русрельс» предлагает широкий выбор продукции по доступным ценам. Вот примерный прайс-лист:

  • Р75: от 3000 рублей за метр.
  • Р65: от 2500 рублей за метр.
  • Р50: от 2000 рублей за метр.
  • Р43: от 1500 рублей за метр.
  • КР70, 80, 120: от 3500 рублей за метр.

Цены могут варьироваться в зависимости от объема заказа и других факторов.

Самые распространенные вопросы про рельсы

Теперь перейдем к наиболее часто задаваемым вопросам от клиентов.

Почему рельсы не ржавеют?

Потому что для их изготовления используют специальные стальные сплавы, содержащие марганец и хром. Эти элементы образуют защитный слой на поверхности рельсов, который препятствует коррозии.

Почему рельсы в России шире, чем в Европе?

В России используется стандартная колея 1520 миллиметров, а в Европе — 1435 миллиметров. Это историческое различие возникло в XIX веке и сохранилось до сих пор.

Сколько весит 1 метр железнодорожных рельс?

Вес 1 метра изделия зависит от его типа и диаметра. Например, рельс Р75 весит около 60 килограммов, а Р43 — около 35 килограммов.

Где делают рельсы?

В России существует несколько предприятий, специализирующихся на производстве железнодорожных рельсов. К ним относятся:

  • Уральская Железнодорожная Компания;
  • Челябинский Металлургический Комбинат;
  • Объединение ЕвразХолдинг, включающее в себя Нижнетагильский металлургический комбинат и Западно-Сибирский металлургический комбинат.

Р65 что значит?

Тип Р65 означает, что это рельс с диаметром 65 миллиметров и шириной колеи 1435 миллиметров (стандартная колея в России).

Чем отличаются рельсы Р65 от РП65?

Р65 и РП65 отличаются только методом производства. Р65 изготавливаются методом горячего проката, а РП65 — методом холодного проката.

Когда назначается шлифование рельсов?

Шлифование назначается в том случае, если на их поверхности появляются сколы, трещины или другие дефекты, которые могут привести к проблемам. Шлифование помогает восстановить первоначальный профиль и продлить его срок службы.

Можно ли варить (сваривать) рельсы?

Да, сварка возможна, и это важный процесс для обеспечения безопасности и эффективности железнодорожного сообщения. Существует несколько методов сварки, каждый из которых имеет свои особенности и применяется в зависимости от условий и требований к соединению.

Электродуговая сварка — один из наиболее распространенных методов. Используются специальные электроды, такие как УОНИ 13/45 или 13/55, а также японская марка LB 52U. Этот метод требует тщательной подготовки поверхностей изделий перед сваркой и может обеспечить прочность соединения от 55% до 70%.

“Ванный” способ сварки — разновидность электродуговой сварки, при которой концы помещаются в специальные ванны, заполненные флюсом. Этот метод обеспечивает равномерное заполнение зазора между рельсами и может достигать прочности соединения до 65-70%.

Газопрессовая сварка — использует нагрев металла ниже температуры плавления и высокое давление для соединения. Этот метод позволяет сваривать рельсы различной толщины и конфигурации, обеспечивая высокую прочность соединения до 100%.

Электроконтактная сварка — автоматизированный метод, который использует нагрев стыков и их расплавление дугой при низком напряжении. Этот метод позволяет достичь высокой точности соединения и прочности до 90-110%.

Где можно купить рельсы?

Купите в специализированном интернет-магазине «Русрельс». Наша продукция соответствует всем современным стандартам качества и безопасности, что подтверждено сертификатами соответствия.

Заключение

Теперь вы знаете, какие бывают рельсы, их характеристики, а также ответы на наиболее распространенные вопросы. Надеемся, что эта информация поможет вам сделать правильный выбор при планировании проекта. Если у вас возникнут еще вопросы, обращайтесь к нашим специалистам. Желаем вам успешного строительства!